GM Service Manual Online
For 1990-2009 cars only
Makes
🢒
Cadillac
🢒
2005
🢒
XLR
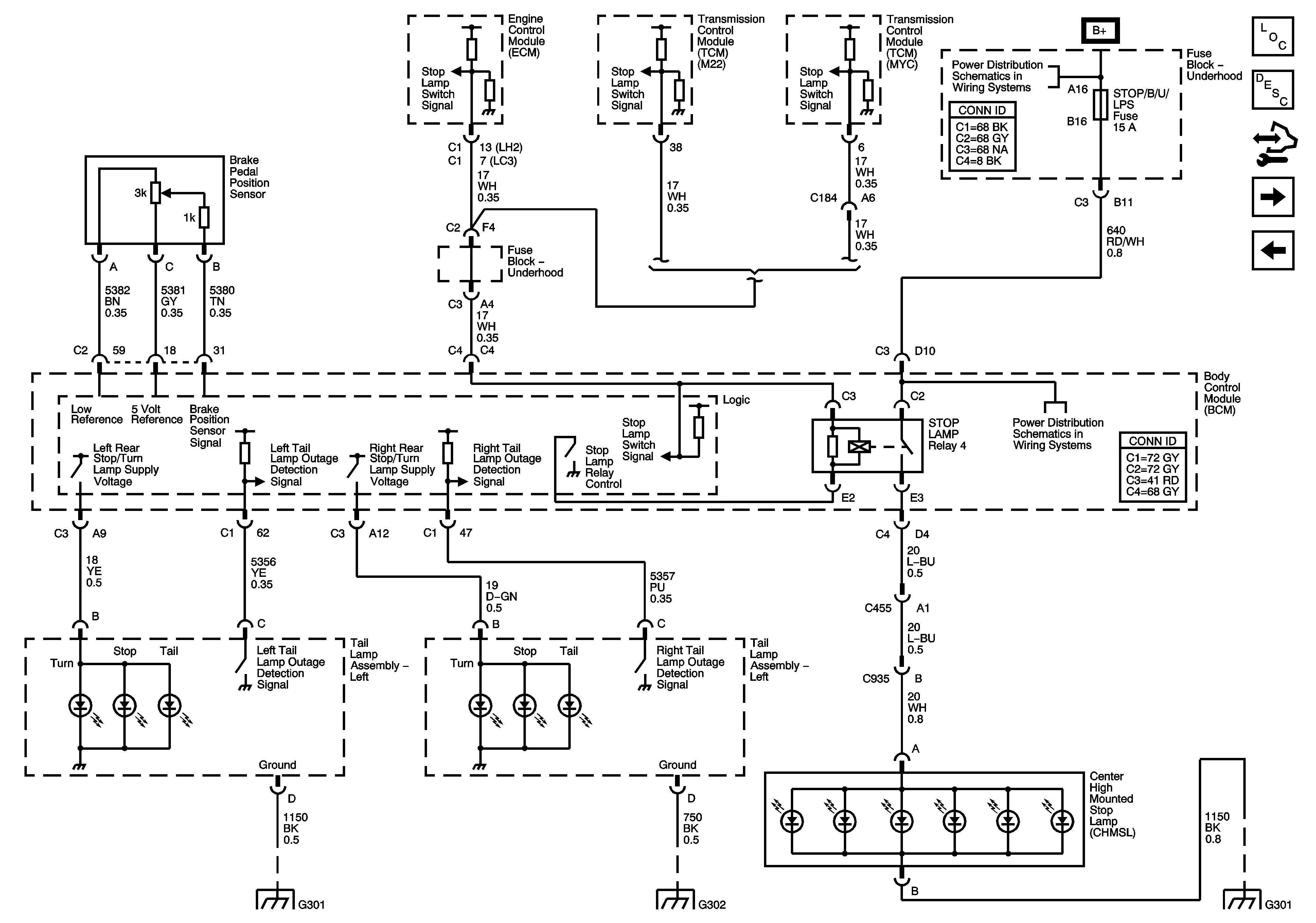
🢒 Stop Lamps - Europe and Japan
Stop Lamps - Europe and Japan
Stop Lamps - Europe and Japan
Master Electrical Component List
Exterior Lighting Systems Description and Operation
Control Module References
Backup Lamps
Turn Signal and Hazard Lamps - Europe and Japan
Fuse Block - Underhood Bussing
Fuse Block Underhood Fuses - BATT3, STOP/BULPS, BCM Fuses - BTSI SOL/COL LOCK, PWR FLDG MIR-EXT/RET, RADIO/ANT/VICS, REAR FOG/ALDL TOPSW, REVERSE LPS
G301
G302, G401 and G402
G301