GM Service Manual Online
For 1990-2009 cars only
Makes
🢒
Cadillac
🢒
2005
🢒
XLR
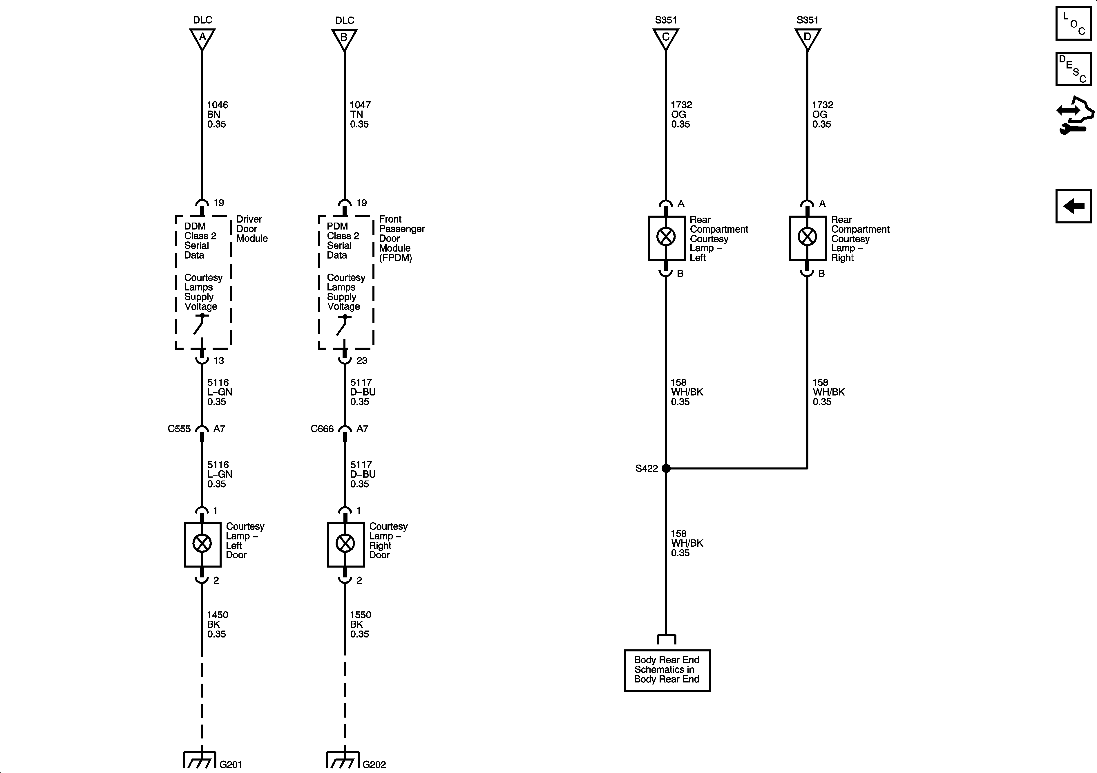
🢒 Door and Rear Compartment Courtesy Lamps
Door and Rear Compartment Courtesy Lamps
Door and Rear Compartment Courtesy Lamps
Master Electrical Component List
Interior Lighting Systems Description and Operation
Control Module References
Courtesy, Underhood, IP Compartment, Vanity Mirrors, Inside Rearview Mirror and Lamp Controls
Courtesy, Underhood, IP Compartment, Vanity Mirrors, Inside Rearview Mirror and Lamp Controls
Courtesy, Underhood, IP Compartment, Vanity Mirrors, Inside Rearview Mirror and Lamp Controls
Courtesy, Underhood, IP Compartment, Vanity Mirrors, Inside Rearview Mirror and Lamp Controls
Courtesy, Underhood, IP Compartment, Vanity Mirrors, Inside Rearview Mirror and Lamp Controls
Body Rear End
G201
G202 - 1 of 2