GM Service Manual Online
For 1990-2009 cars only
Makes
🢒
Cadillac
🢒
2005
🢒
XLR
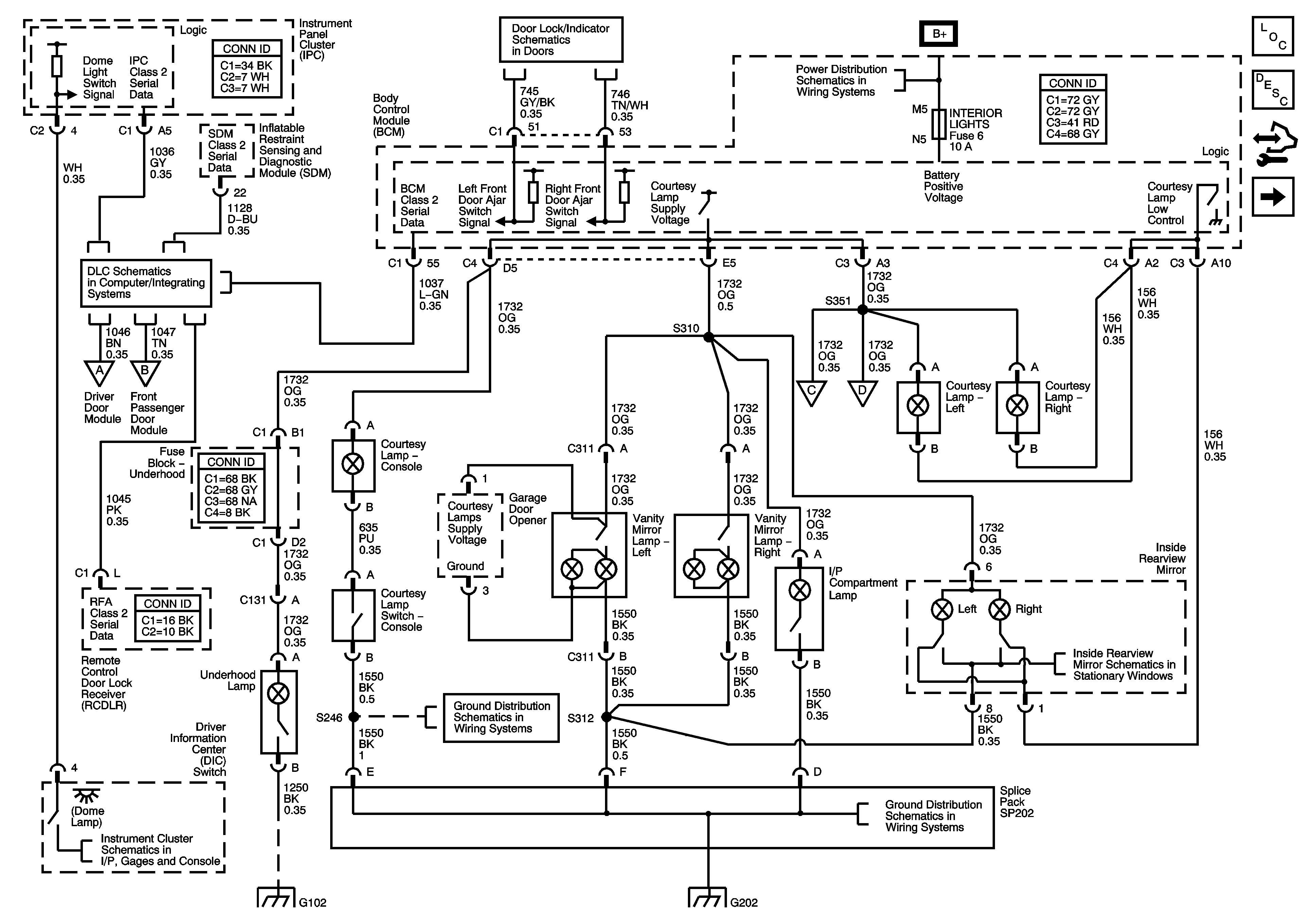
🢒 Courtesy, Underhood, IP Compartment, Vanity Mirrors, Inside Rearview Mirror and Lamp Controls
Courtesy, Underhood, IP Compartment, Vanity Mirrors, Inside Rearview Mirror and Lamp Controls
Courtesy, Underhood, I/P Compartment, Vanity Mirrors, Inside Rearview Mirror and Lamp Controls
Master Electrical Component List
Interior Lighting Systems Description and Operation
Control Module References
Door and Rear Compartment Courtesy Lamps
Indicators, Messages and Ajar/Open/Lock Switches
BCM Fuses - AC LATCH/PK BRK B, CLUSTER, DOOR LOCKS, HVAC/PWR SND, INTERIOR LIGHTS, ISRVM/HVAC, and TUTD SW/STRG COL SW
DLC - Class 2
Door and Rear Compartment Courtesy Lamps
Door and Rear Compartment Courtesy Lamps
Door and Rear Compartment Courtesy Lamps
Door and Rear Compartment Courtesy Lamps
Messages
G202 - 1 of 2
G202 - 1 of 2
Inside Rearview Mirror
G102
G202 - 1 of 2