GM Service Manual Online
For 1990-2009 cars only
Makes
🢒
Cadillac
🢒
2005
🢒
XLR
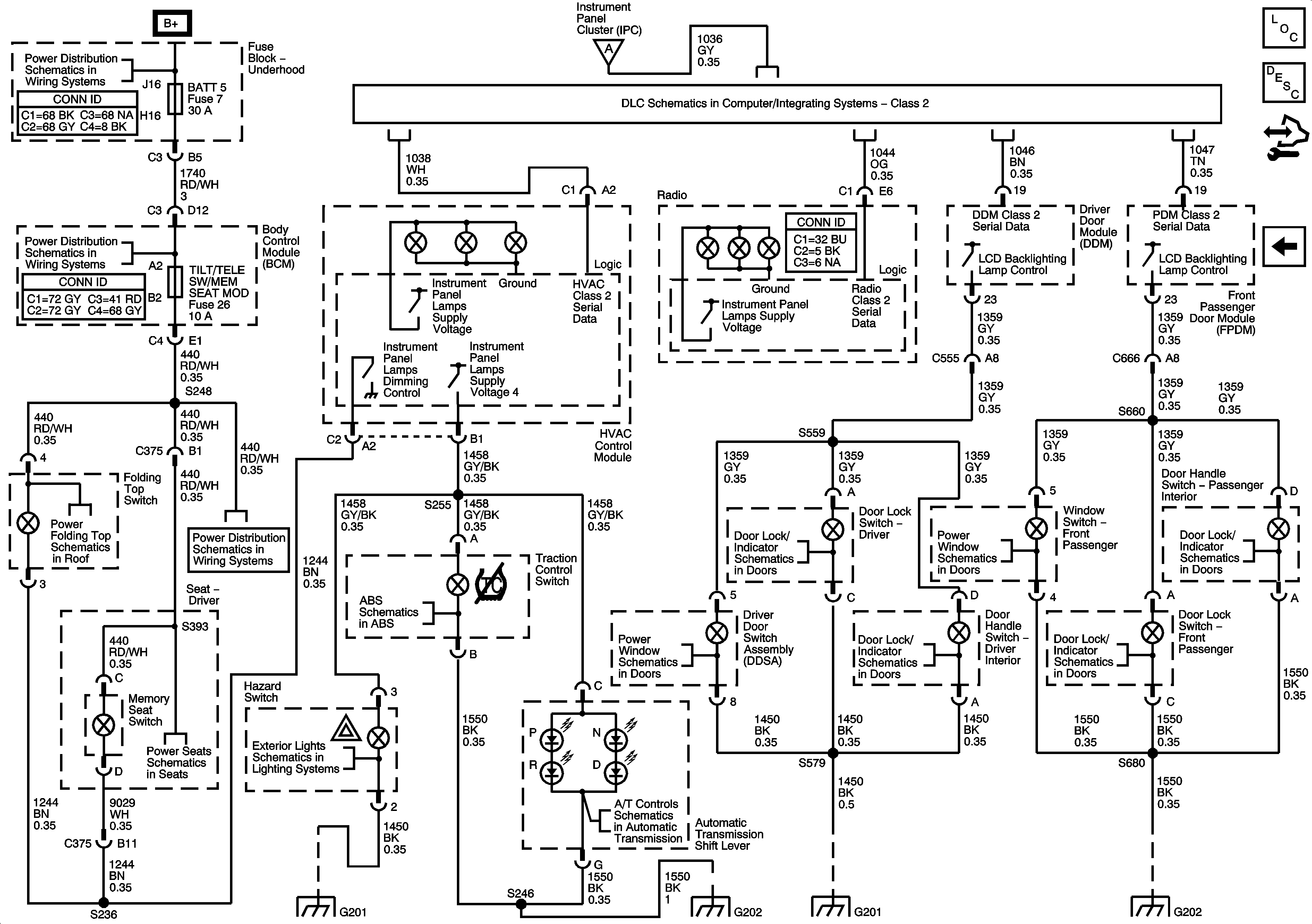
🢒 DLC, HVAC Control Module, Radio and Switches
DLC, HVAC Control Module, Radio and Switches
DLC, HVAC Control Module, Radio and Switches
Master Electrical Component List
Interior Lighting Systems Description and Operation
Control Module References
Dimmer Controls, IPC, Switches and DLC
Fuse Block - Underhood Bussing
Dimmer Controls, IPC, Switches and DLC
DLC - Class 2
Fuse Block Underhood Fuses - BATT5, BCM Fuses - ACCA/DRIV DRSW, IGNITION SW/INTR SENS, ONSTAR, PARK BRAKE SOL A, TILT/TELE SW/MEM SEAT MOD
Switches
Fuse Block Underhood Fuses - BATT5, BCM Fuses - ACCA/DRIV DRSW, IGNITION SW/INTR SENS, ONSTAR, PARK BRAKE SOL A, TILT/TELE SW/MEM SEAT MOD
Brake Pedal Signal and Traction Control Switch
Indicators, Messages and Ajar/Open/Lock Switches
Power Windows - Passenger
Actuators and Handle Switches
Power Windows - Driver
Actuators and Handle Switches
Indicators, Messages and Ajar/Open/Lock Switches
DLC, Ground, Power, Switches and References to Tilt/Telescope Steering
Turn Signal and Hazard Lamps - Europe and Japan
Shift Lever
G201
G202 - 1 of 2
G201
G202 - 1 of 2