GM Service Manual Online
For 1990-2009 cars only
Makes
🢒
Cadillac
🢒
2005
🢒
XLR
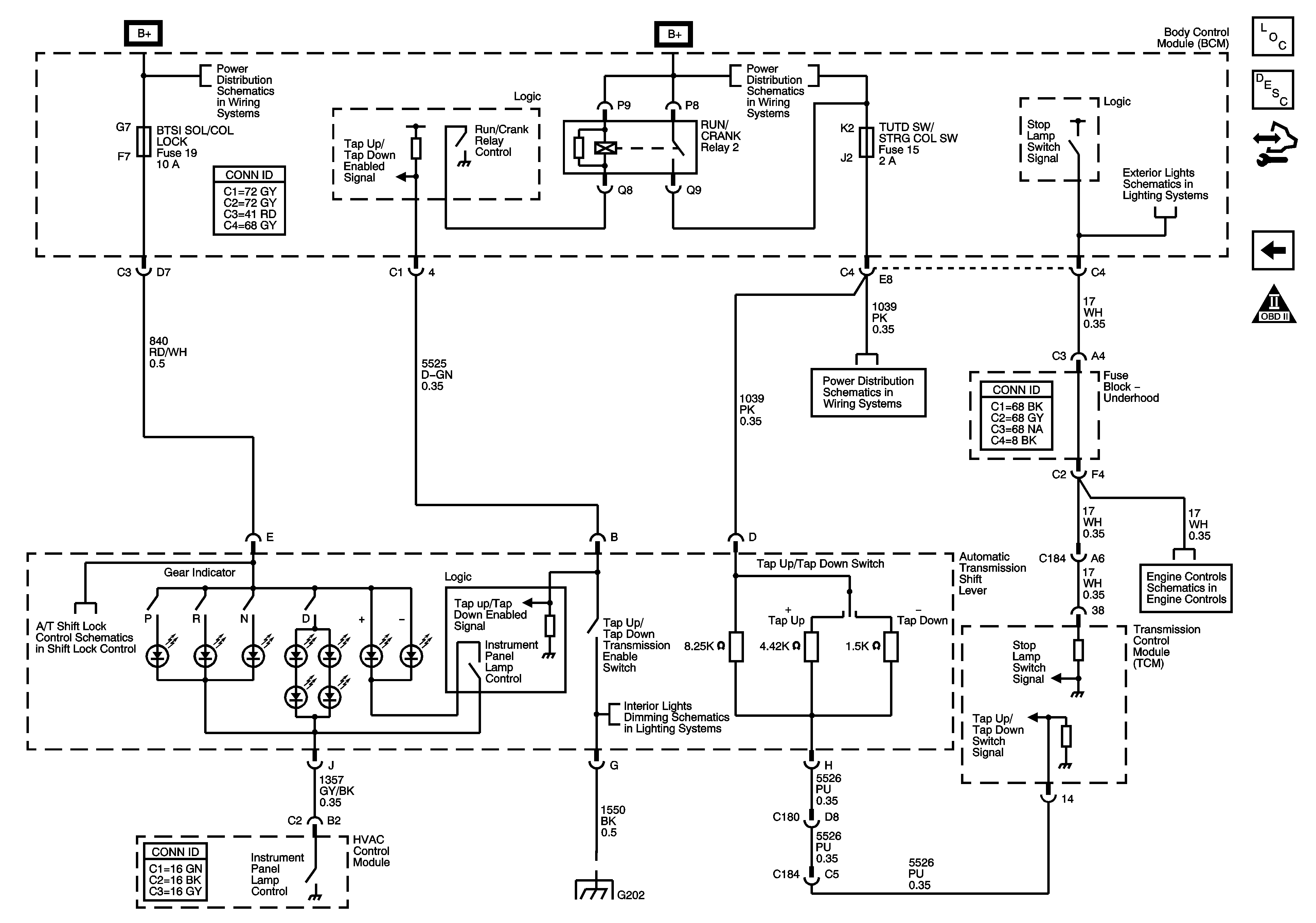
🢒 Shift Lever
Shift Lever
Shift Lever
Master Electrical Component List
Transmission Component and System Description
Control Module References
IMS, ISS, Solenoids, TFT and VSS
OBD II Symbol Description Notice
Fuse Block Underhood Fuses - BATT3, STOP/BULPS, BCM Fuses - BTSI SOL/COL LOCK, PWR FLDG MIR-EXT/RET, RADIO/ANT/VICS, REAR FOG/ALDL TOPSW, REVERSE LPS
BCM Fuses - AC LATCH/PK BRK B, CLUSTER, DOOR LOCKS, HVAC/PWR SND, INTERIOR LIGHTS, ISRVM/HVAC, and TUTD SW/STRG COL SW
Stop Lamps - Europe and Japan
Fuse Block Underhood Fuses - BATT3, STOP/BULPS, BCM Fuses - BTSI SOL/COL LOCK, PWR FLDG MIR-EXT/RET, RADIO/ANT/VICS, REAR FOG/ALDL TOPSW, REVERSE LPS
BCM Fuses - AC LATCH/PK BRK B, CLUSTER, DOOR LOCKS, HVAC/PWR SND, INTERIOR LIGHTS, ISRVM/HVAC, and TUTD SW/STRG COL SW
Shift Lock Control
DLC, HVAC Control Module, Radio and Switches
Engine Data Sensors - Pressure, Temperature, MAF, VSS and Brake Travel
G202 - 1 of 2