GM Service Manual Online
For 1990-2009 cars only
Makes
🢒
Cadillac
🢒
2005
🢒
XLR
🢒 Sensors, Valves and Pump
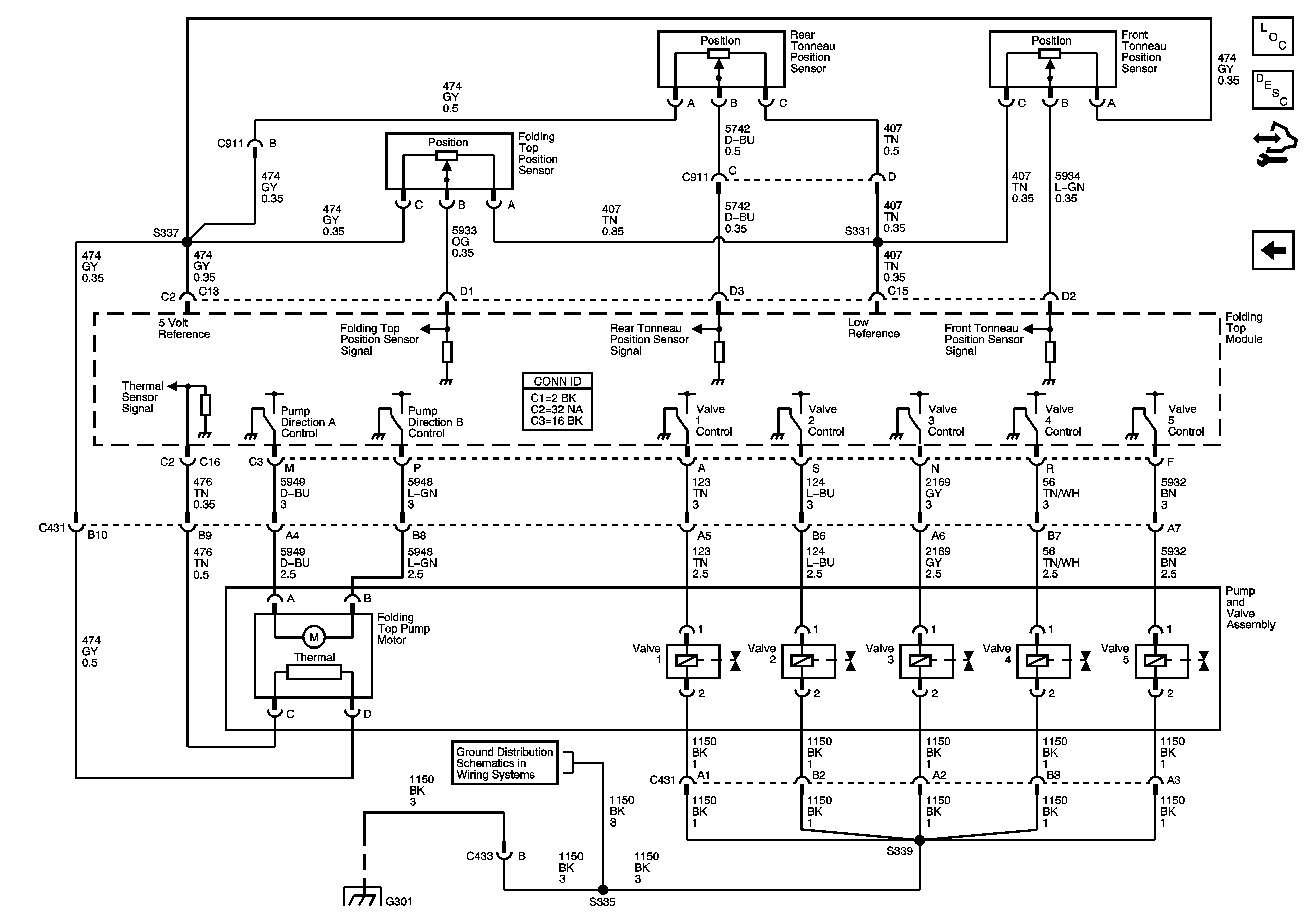
Sensors, Valves and Pump
Sensors, Valves and Pump
Master Electrical Component List
Power Folding Top Description and Operation
Control Module References
Switches
G301
G301