GM Service Manual Online
For 1990-2009 cars only
Makes
🢒
Cadillac
🢒
2005
🢒
XLR
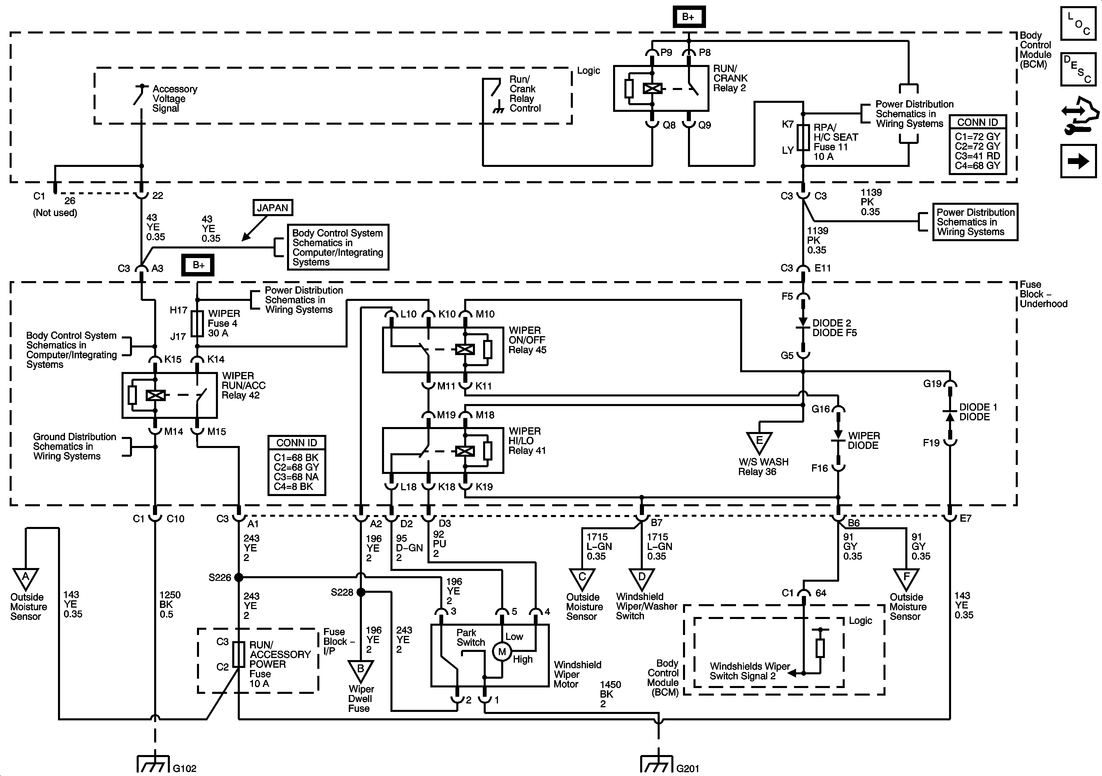
🢒 Power, Ground and Wiper Motor
Power, Ground and Wiper Motor
Power, Ground and Wiper Motor
Master Electrical Component List
Wiper/Washer System Description and Operation
Control Module References
Wiper Switch, Washers and Outside Moisture Sensor
BCM Fuses - ECM. GMLAN Devices, RPA/H/C SEAT and SDM/PSIR SW, Fuse Block Underhood Fuses - ABS/MRRTD, and ACC/TCM
BCM Fuses - ECM. GMLAN Devices, RPA/H/C SEAT and SDM/PSIR SW, Fuse Block Underhood Fuses - ABS/MRRTD, and ACC/TCM
DLC, Ground and Power
DLC, Ground and Power
Fuse Block - Underhood Bussing
G102
Wiper Switch, Washers and Outside Moisture Sensor
Wiper Switch, Washers and Outside Moisture Sensor
Wiper Switch, Washers and Outside Moisture Sensor
Wiper Switch, Washers and Outside Moisture Sensor
Wiper Switch, Washers and Outside Moisture Sensor
Wiper Switch, Washers and Outside Moisture Sensor
G102
G201