GM Service Manual Online
For 1990-2009 cars only
Makes
🢒
Cadillac
🢒
2005
🢒
XLR
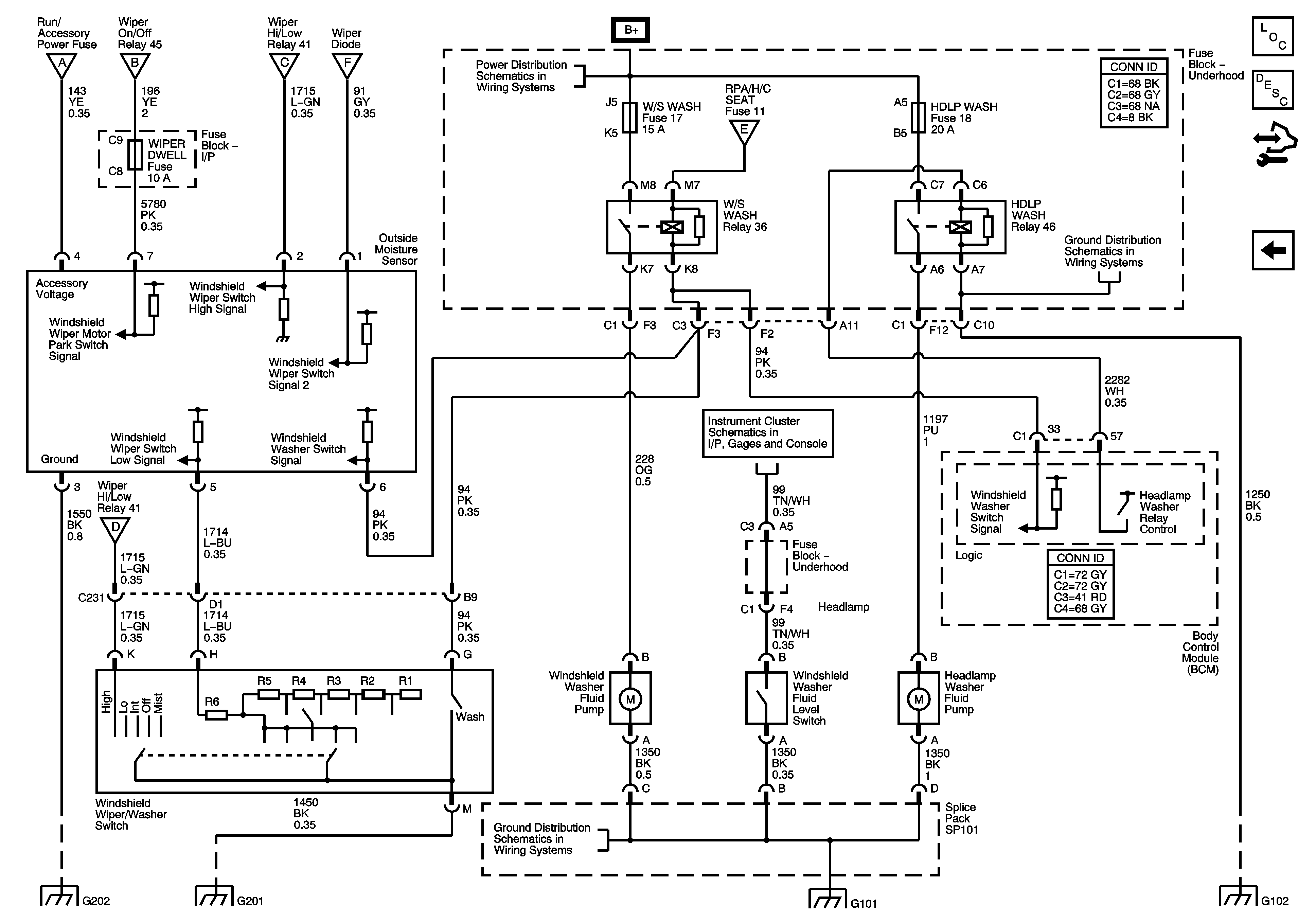
🢒 Wiper Switch, Washers and Outside Moisture Sensor
Wiper Switch, Washers and Outside Moisture Sensor
Wiper Switch, Washers and Outside Moisture Sensor
Master Electrical Component List
Wiper/Washer System Description and Operation
Control Module References
Power, Ground and Wiper Motor
Power, Ground and Wiper Motor
Power, Ground and Wiper Motor
Power, Ground and Wiper Motor
Power, Ground and Wiper Motor
Fuse Block - Underhood Bussing
Power, Ground and Wiper Motor
G102
Power, Ground and Wiper Motor
DLC, Ground, Indicators and Power
G202 - 1 of 2
G201
G101
G101
G102