GM Service Manual Online
For 1990-2009 cars only
Makes
🢒
Cadillac
🢒
2005
🢒
XLR
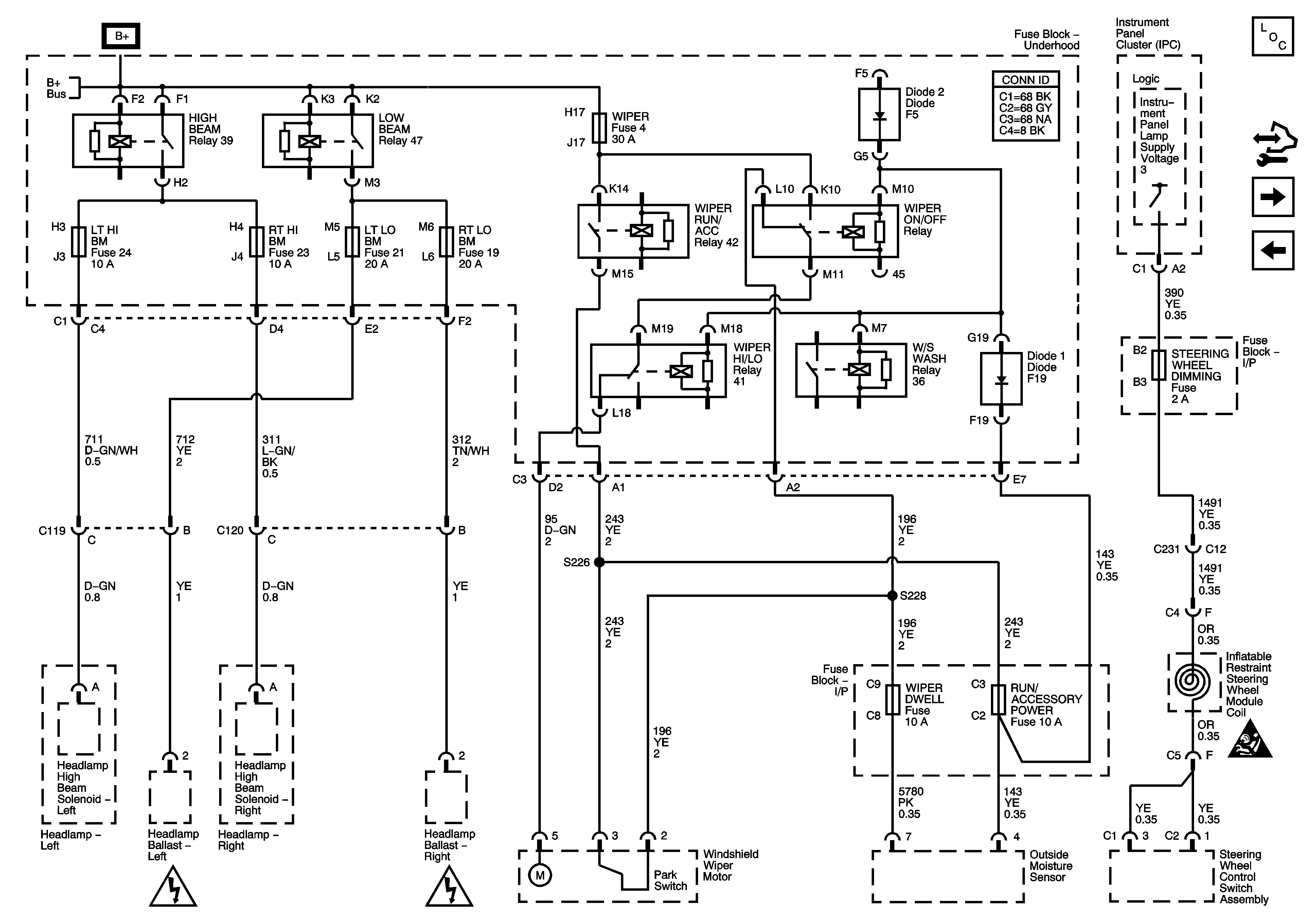
🢒 Fuse Block Underhood Fuses - LT HI BM, LTLO BM, RT HI BM, RT LO BM, Fuse Block I/P Fuses - RUN/ACCESSORY POWER, STEER WHEEL DIMMING and WIPER DWELL
Fuse Block Underhood Fuses - LT HI BM, LTLO BM, RT HI BM, RT LO BM, Fuse Block I/P Fuses - RUN/ACCESSORY POWER, STEER WHEEL DIMMING and WIPER DWELL
Fuse Block - Underhood Fuses; LT HI BM, LT LO BM, RT HI BM, RT LO BM, Fuse Block - I/P Fuses; RUN/ACCESSORY POWER, STEERING WHEEL DIMMING, and WIPER DWELL
Master Electrical Component List
Control Module References
Ignition Modes
Fuse Block Underhood Fuses - EMISSION, ETC, EVEN INJ, FUEL, O2SEN, and ODD INJ
Fuse Block - Underhood Bussing
SIR Caution for Zoning
Power and Grounding Schematic Icons
Power and Grounding Schematic Icons