GM Service Manual Online
For 1990-2009 cars only
Makes
🢒
Cadillac
🢒
2005
🢒
XLR
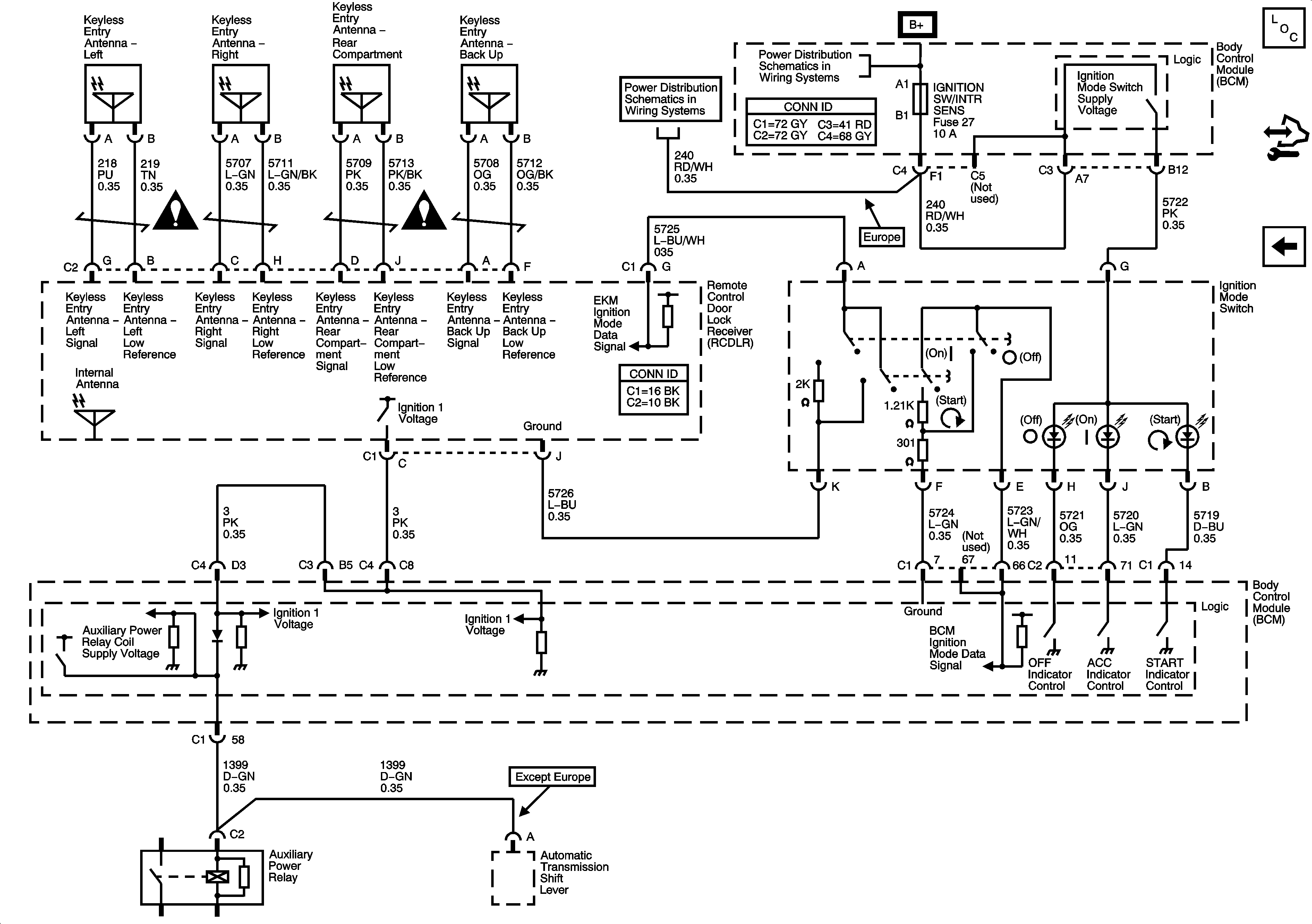
🢒 Ignition Modes
Ignition Modes
Ignition Modes
Master Electrical Component List
Control Module References
Fuse Block Underhood Fuses - LT HI BM, LTLO BM, RT HI BM, RT LO BM, Fuse Block I/P Fuses - RUN/ACCESSORY POWER, STEER WHEEL DIMMING and WIPER DWELL
Power and Grounding Schematic Icons
Power and Grounding Schematic Icons
Fuse Block Underhood Fuses - BATT5, BCM Fuses - ACCA/DRIV DRSW, IGNITION SW/INTR SENS, ONSTAR, PARK BRAKE SOL A, TILT/TELE SW/MEM SEAT MOD
Fuse Block Underhood Fuses - BATT5, BCM Fuses - ACCA/DRIV DRSW, IGNITION SW/INTR SENS, ONSTAR, PARK BRAKE SOL A, TILT/TELE SW/MEM SEAT MOD