GM Service Manual Online
For 1990-2009 cars only
Makes
🢒
Cadillac
🢒
2005
🢒
XLR
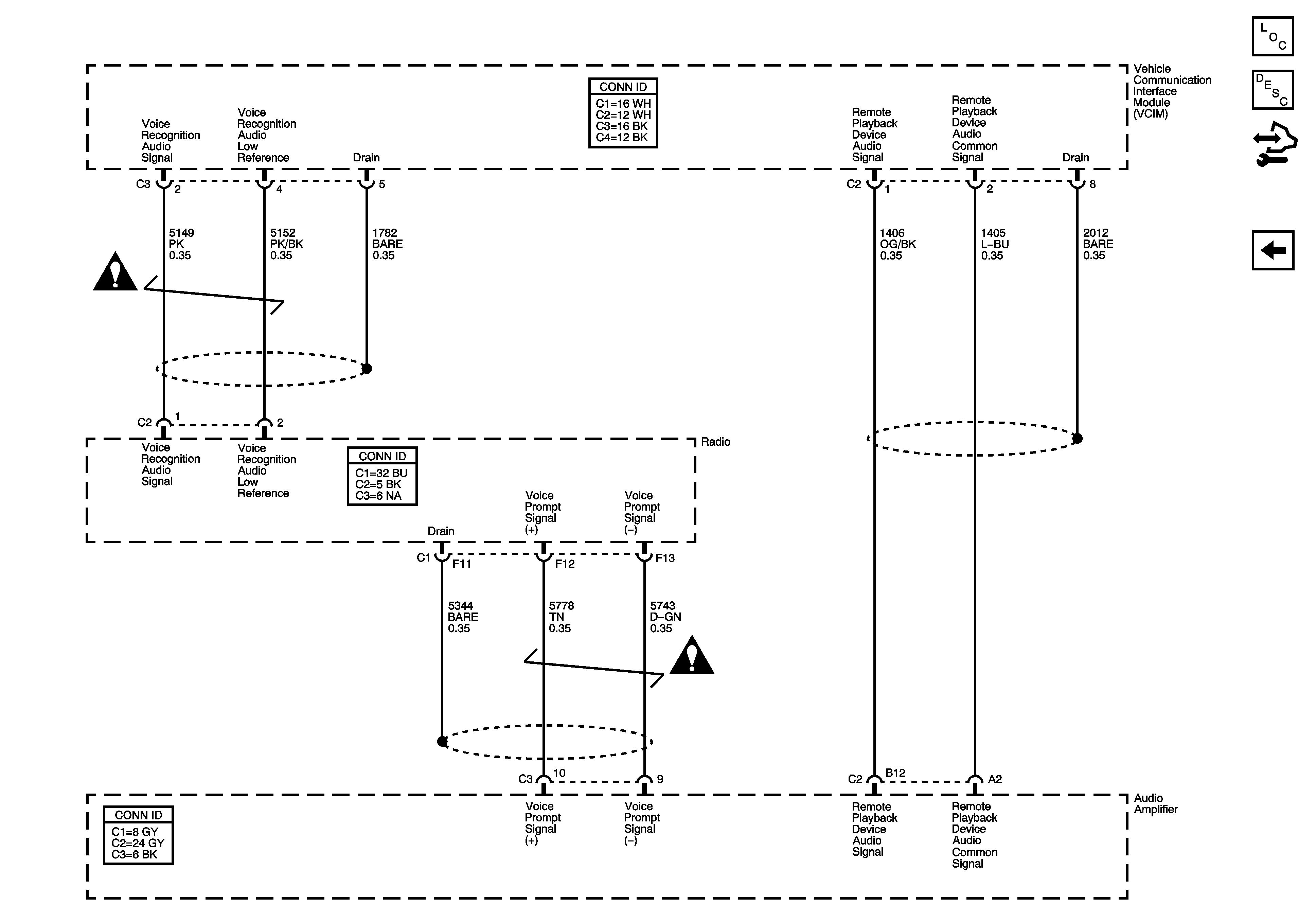
🢒 Audio Output
Audio Output
Audio Output
Master Electrical Component List
OnStar Description and Operation
Control Module References
Antenna, DLC, Ground, Power and User Inputs
Cellular Communication Schematic Icons
Cellular Communication Schematic Icons