GM Service Manual Online
For 1990-2009 cars only
Makes
🢒
Cadillac
🢒
2005
🢒
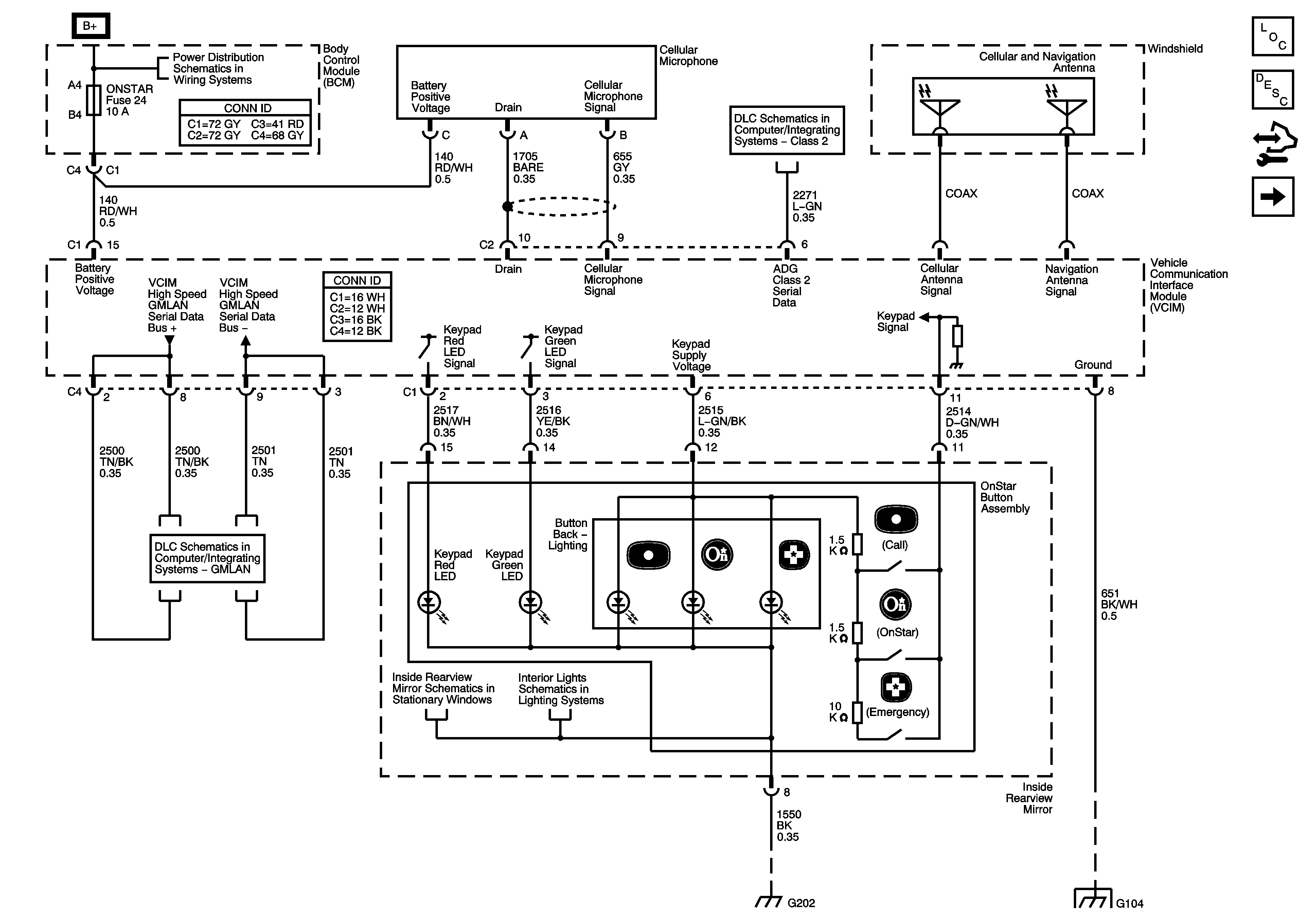
XLR
🢒 Antenna, DLC, Ground, Power and User Inputs
Antenna, DLC, Ground, Power and User Inputs
Antenna, DLC, Ground, Power, and User Inputs
Master Electrical Component List
OnStar Description and Operation
Control Module References
Audio Output
Fuse Block Underhood Fuses - BATT5, BCM Fuses - ACCA/DRIV DRSW, IGNITION SW/INTR SENS, ONSTAR, PARK BRAKE SOL A, TILT/TELE SW/MEM SEAT MOD
DLC - Class 2
GMLAN
Inside Rearview Mirror
Park Lamp Control, Side Marker, Park and Position Lamps
G104 and G106