GM Service Manual Online
For 1990-2009 cars only
Makes
🢒
Cadillac
🢒
2005
🢒
XLR
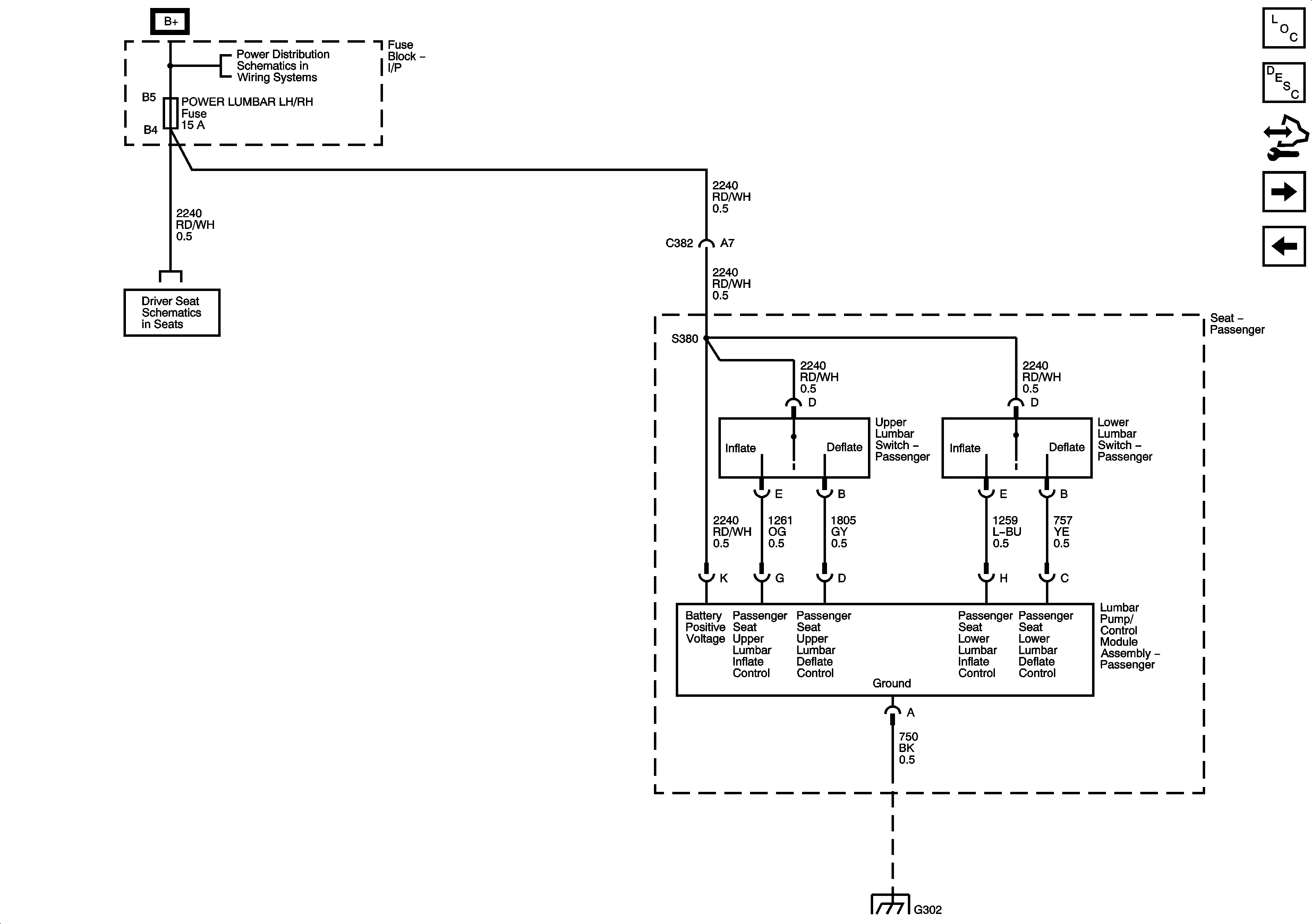
🢒 Lumbar Support
Lumbar Support
Lumbar Support
Master Electrical Component List
Lumbar Support Description and Operation
Control Module References
Heated/Cooled Seats
8-Way Power Seat Controls
Fuse Block Underhood Fuses - BATT1, Fuse Block I/P Fuses - HEATED SEAT LH, HEATED SEAT RH, POWER LUMBAR LH/RH, Fuse Block I/P Circuit Breakers - Door Controls and Power Seats
Lumbar Support
G302, G401 and G402