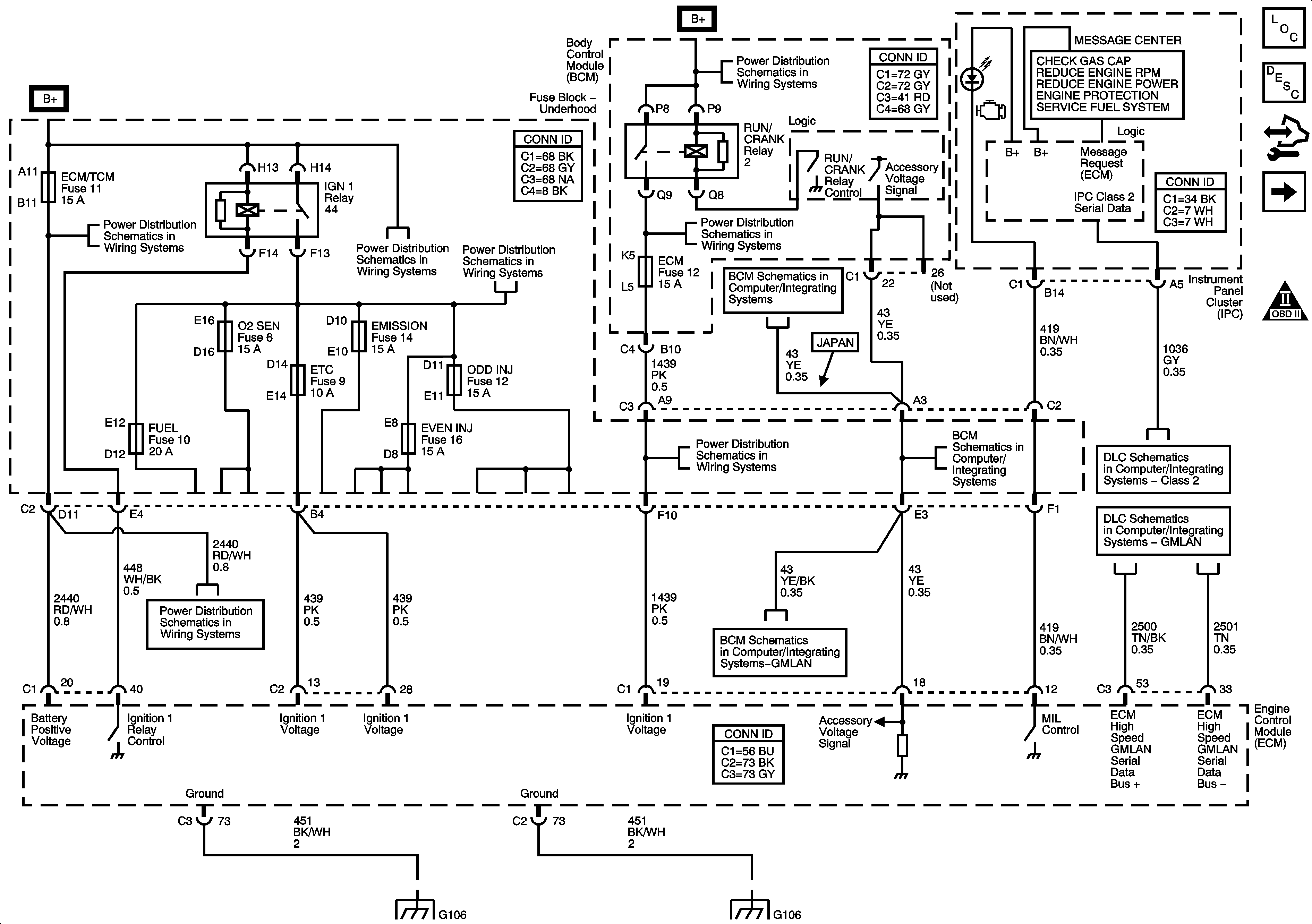
| Figure 1: |
DLC, Ground, MIL, and Power
|
| Figure 2: |
5-Volt Reference Bussing
|
| Figure 3: |
Low Reference Bussing
|
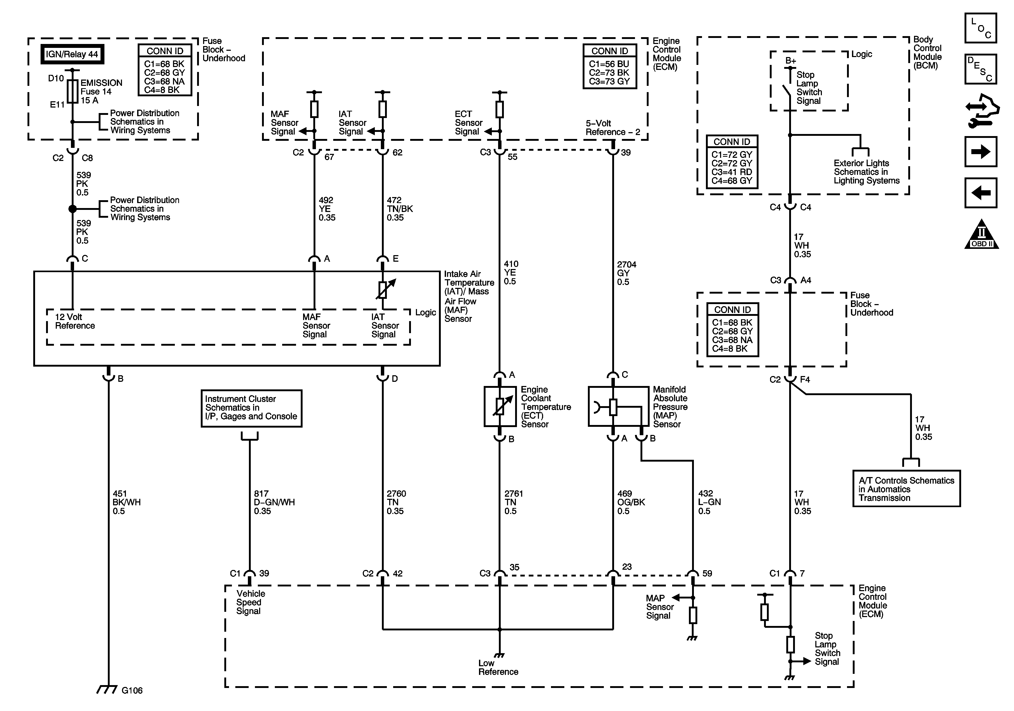
| Figure 4: |
Engine Data Sensors - ECT, MAP,and MAF/IAT
|
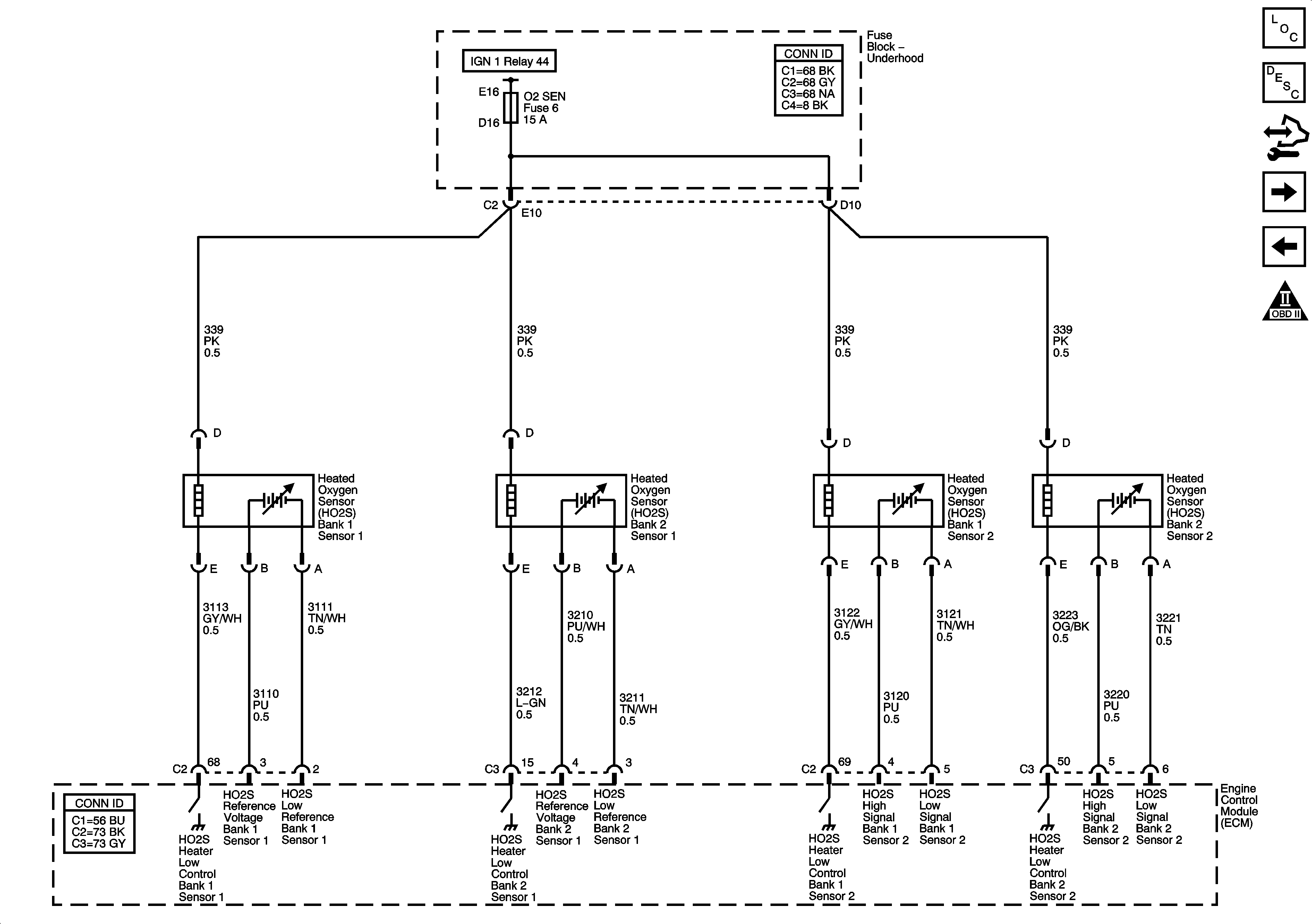
| Figure 5: |
Engine Data Sensors - Oxygen Sensors
|
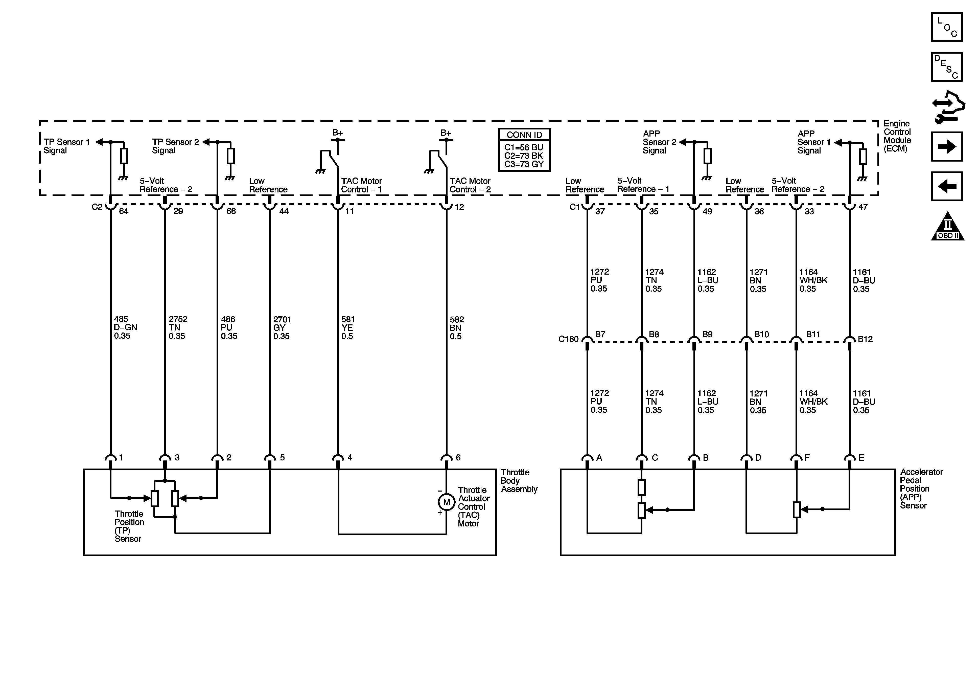
| Figure 6: |
Engine Data Sensors - Electronic Throttle Controls
|
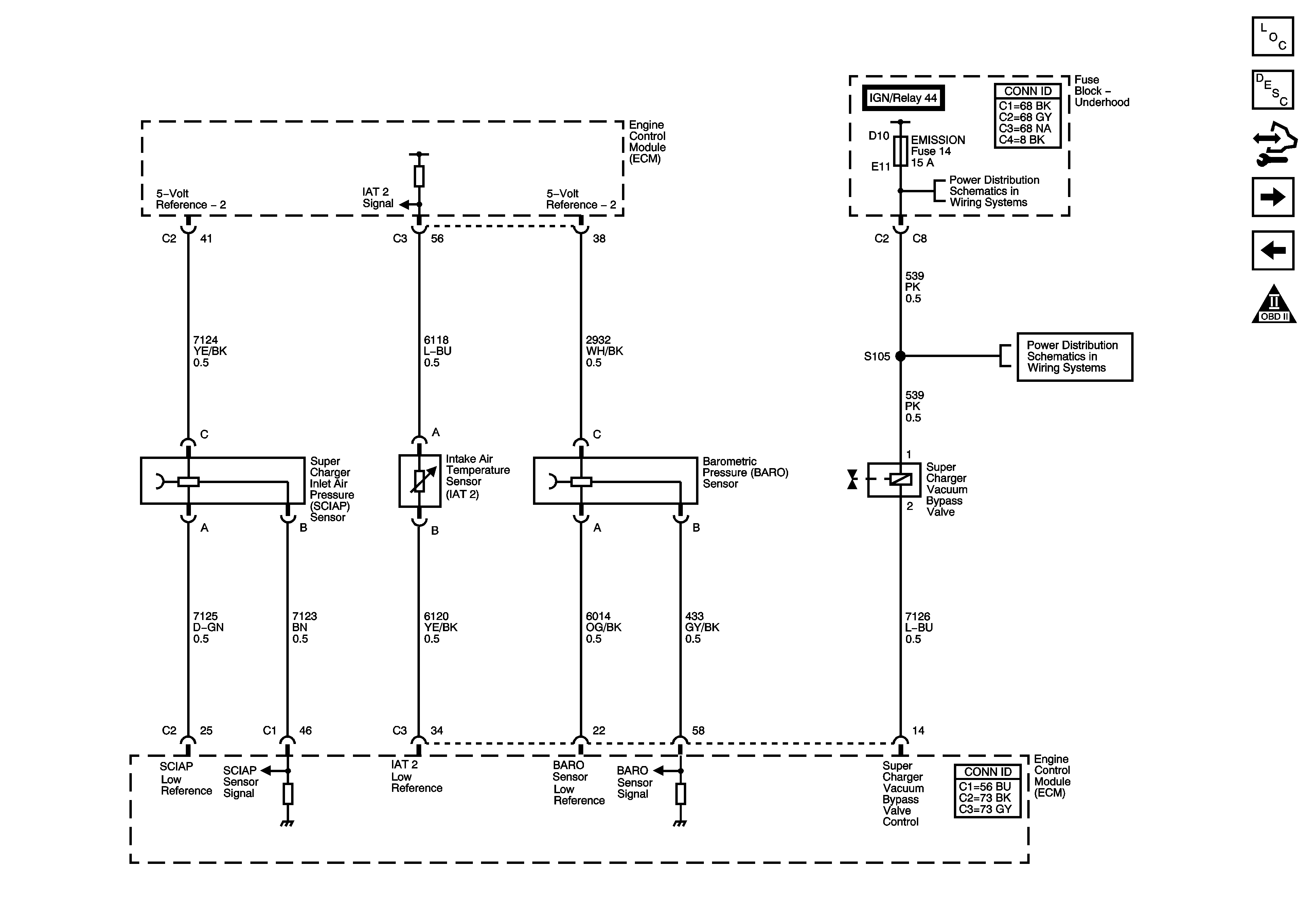
| Figure 7: |
Engine Data Sensors - SCIAP, IAT2, BARO and Supercharger Vacuum Bypass Valve
|
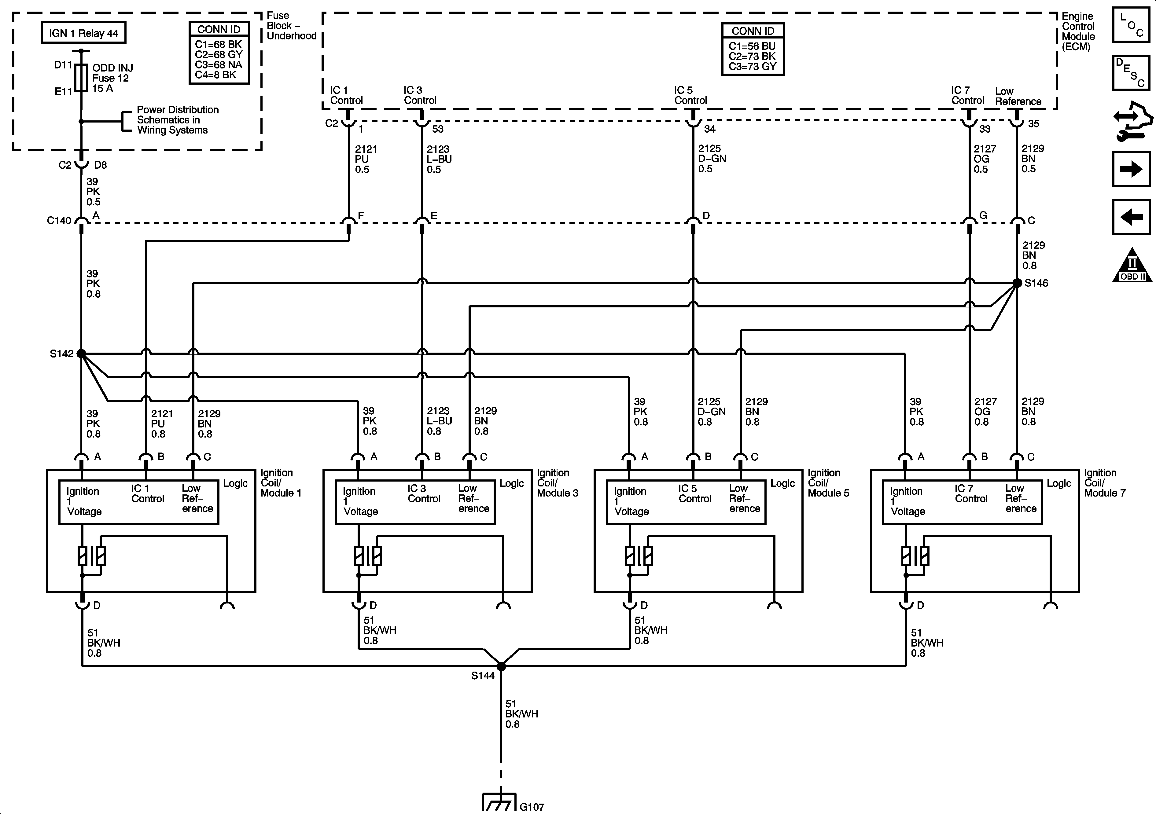
| Figure 8: |
Ignition System - Bank 1
|
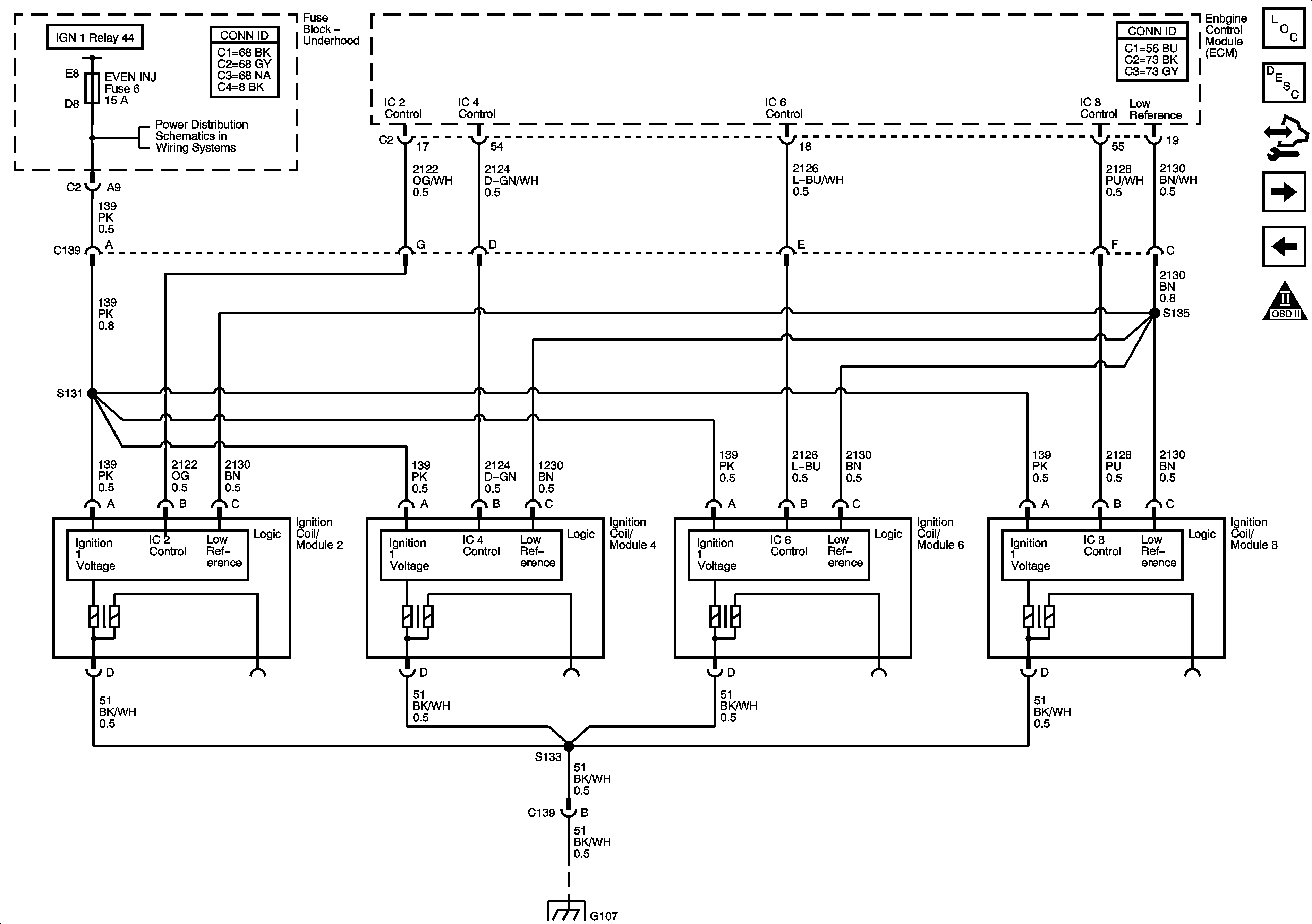
| Figure 9: |
Ignition System - Bank 2
|
| Figure 10: |
Ignition Controls - CKP and KS Sensors
|
| Figure 11: |
Ignition Controls - CMP Sensors and Solenoids
|
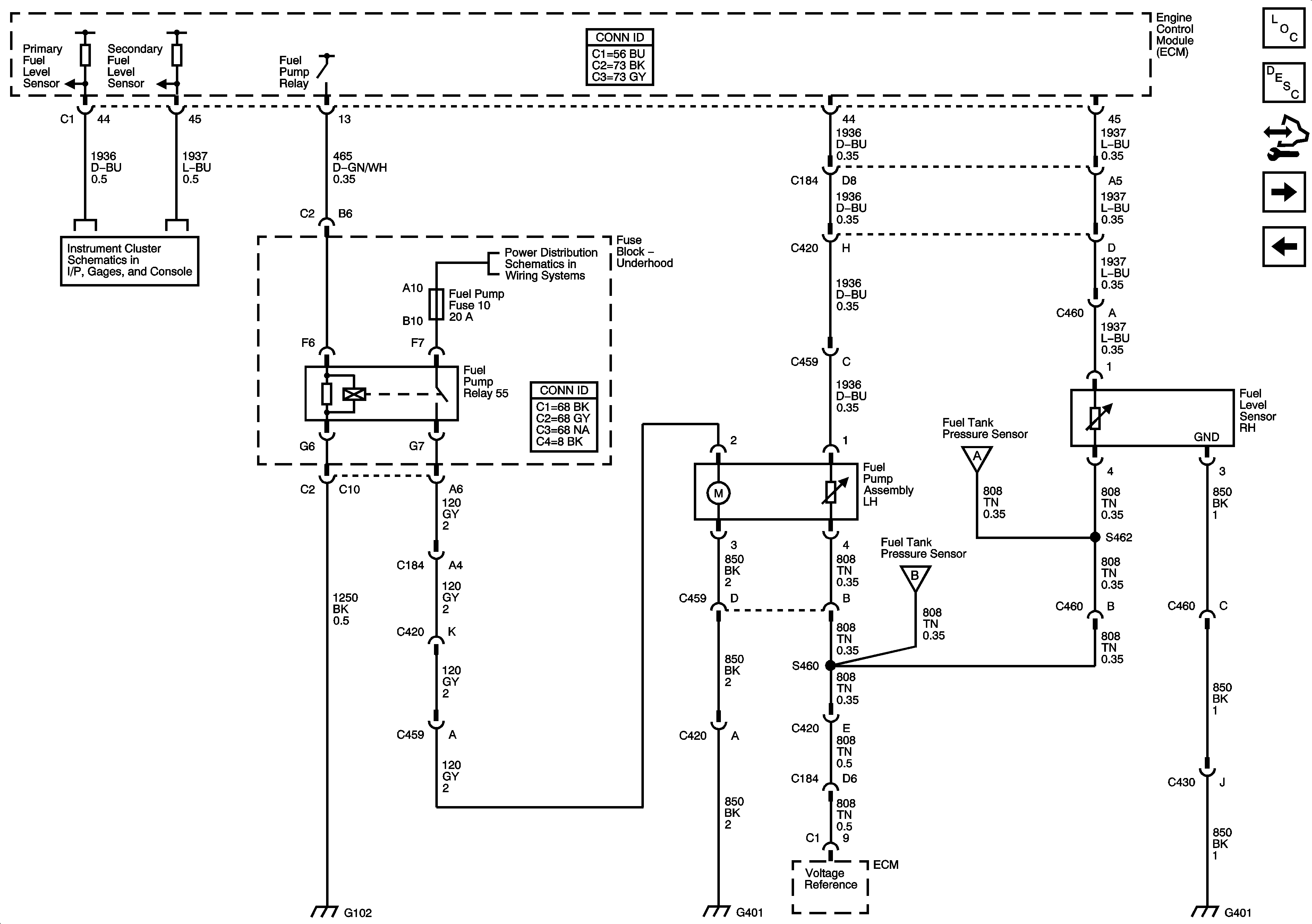
| Figure 12: |
Fuel Controls - Fuel Injectors and Fuel Pump Controls
|
| Figure 13: |
Fuel Controls - EVAP Controls
|
| Figure 14: |
Fuel Controls - Fuel Pump Controls
|
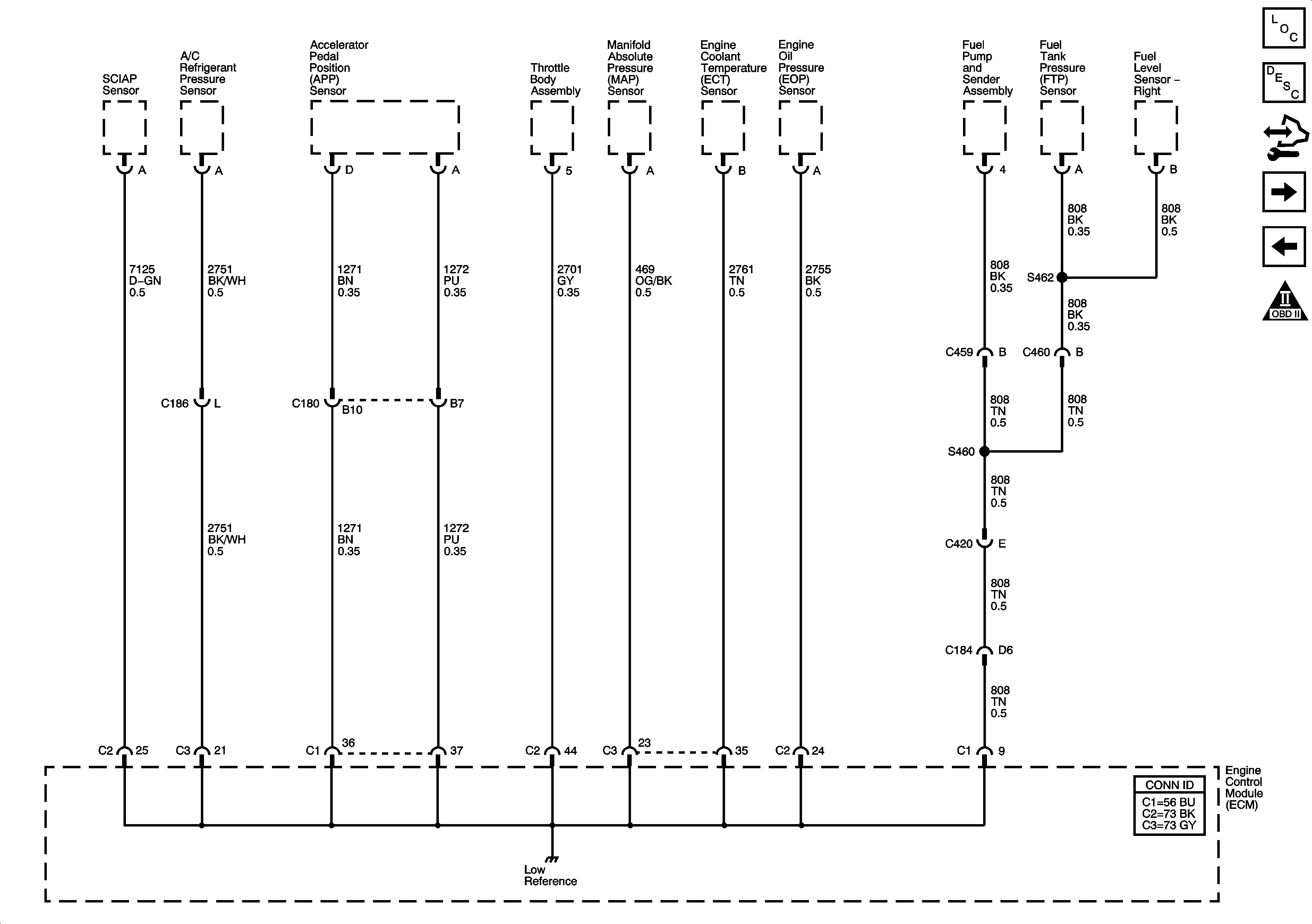
| Figure 15: |
Controlled/Monitored Subsystem References
|
| Figure 16: |
Charge Air Cooler (CAC) Coolant Pump
|