GM Service Manual Online
For 1990-2009 cars only
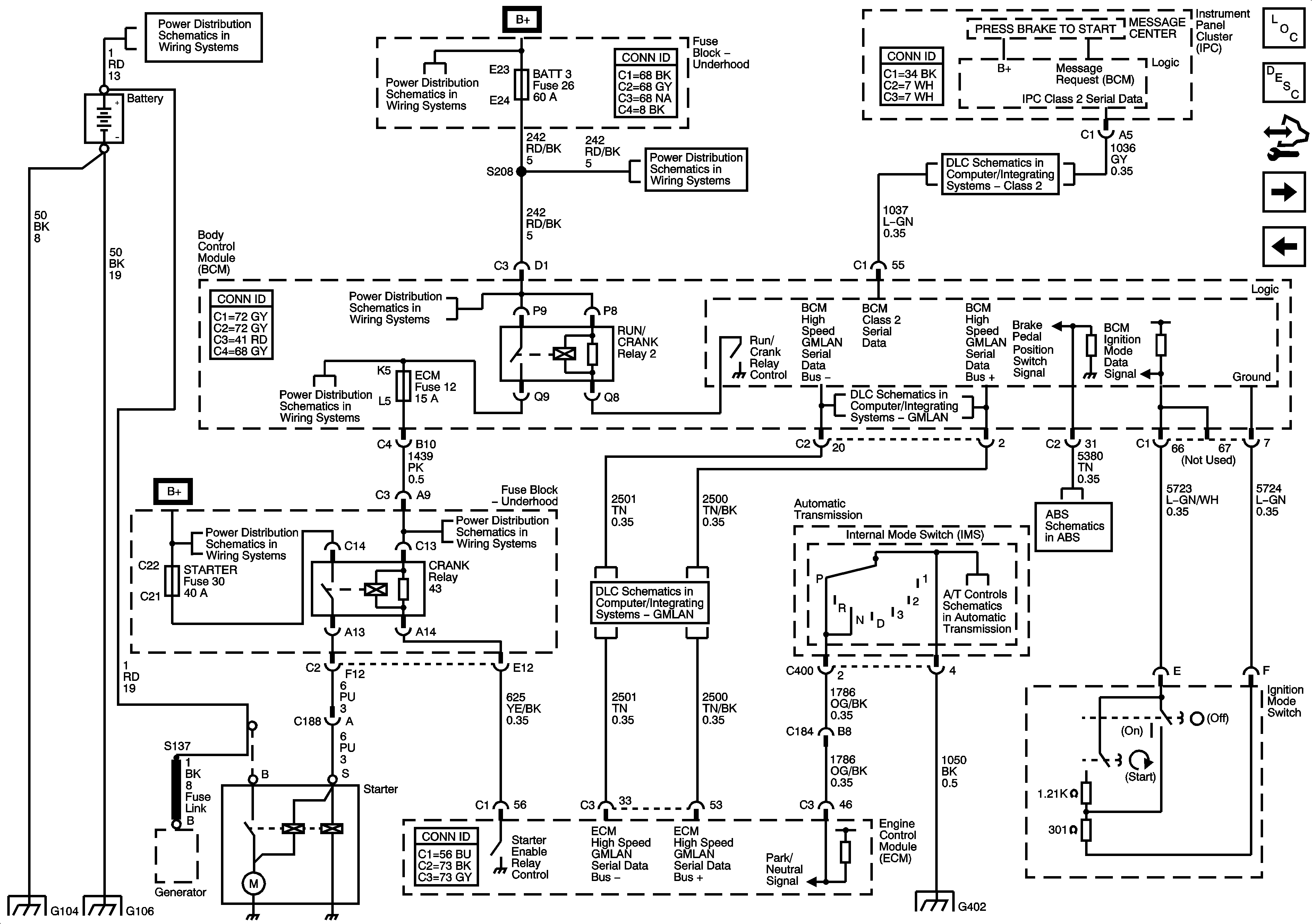
Figure 1:

Cranking (LH2)


Object Number: 1480619  Size: FS
Master Electrical Component List
Starting System Description and Operation
Control Module References
Starting and Charging - Cranking Schematics (LC3)
Fuse Block - Underhood Bussing
Fuse Block Underhood Fuses: LT HI BM, LT LO BM, RT HI BM, RT LO BM, Fuse Block I/P Fuses: RUN/ACCESSORY POWER, STEER WHEEL DIMMING and WIPER DWELL
Fuse Block Underhood Fuses: LT HI BM, LT LO BM, RT HI BM, RT LO BM, Fuse Block I/P Fuses: RUN/ACCESSORY POWER, STEER WHEEL DIMMING and WIPER DWELL
Class 2
BCM Fuses: AC LATCH/PK BRK B, CLUSTER, DOOR LOCKS, HVAC/PWR SND, INTERIOR LIGHTS, ISRVM/HVAC, and TUTD SW/STRG COL SW
BCM Fuses: AC LATCH/PK BRK B, CLUSTER, DOOR LOCKS, HVAC/PWR SND, INTERIOR LIGHTS, ISRVM/HVAC, and TUTD SW/STRG COL SW
GM LAN
Fuse Block - Underhood Bussing
Fuse Block - Underhood Bussing
GM LAN
Brake Pedal Signal and Traction Control Switch
IMS, ISS, Solenoids, TFT, and USS
G104 and G106
G104 and G106
G302, G401, and G402
Figure 2:

Cranking (LC3)


Object Number: 1658075  Size: FS
Master Electrical Component List
Starting System Description and Operation
Control Module References
Charging
Cranking
Fuse Block - Underhood Bussing
Fuse Block Underhood Fuses: LT HI BM, LT LO BM, RT HI BM, RT LO BM, Fuse Block I/P Fuses: RUN/ACCESSORY POWER, STEER WHEEL DIMMING and WIPER DWELL
Fuse Block Underhood Fuses: LT HI BM, LT LO BM, RT HI BM, RT LO BM, Fuse Block I/P Fuses: RUN/ACCESSORY POWER, STEER WHEEL DIMMING and WIPER DWELL
Class 2
BCM Fuses: AC LATCH/PK BRK B, CLUSTER, DOOR LOCKS, HVAC/PWR SND, INTERIOR LIGHTS, ISRVM/HVAC, and TUTD SW/STRG COL SW
GM LAN
Fuse Block - Underhood Bussing
Fuse Block - Underhood Bussing
GM LAN
IMS, ISS, SOLENOIDS, TFT and OSS
Brake Pedal Signal and Traction Control Switch
G104 and G106
G104 and G106
G302, G401, and G402
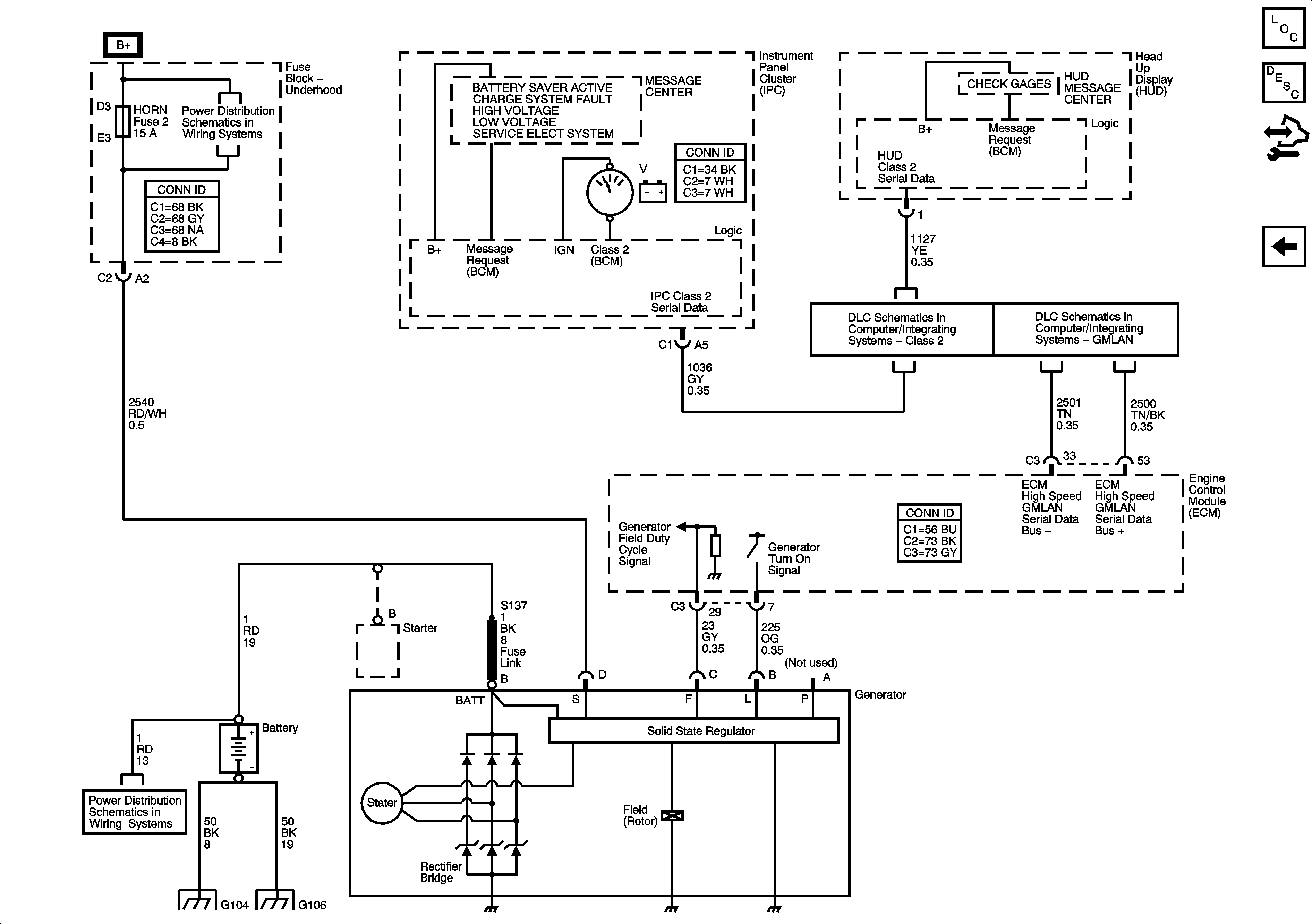
Figure 3:

Charging (LH2)


Object Number: 1686939  Size: FS
Master Electrical Component List
Charging System Description and Operation
Control Module References
Starting and Charging Schematics (LC3)
Starting and Charging - Cranking Schematics (LC3)
Fuse Block Underhood Fuses: ABS, AMP, BATT2, COOLFAN, ECM/TCM, HORN, HVAC, MRRTD, W/S WASH
Class 2
GM LAN
Fuse Block - Underhood Bussing
G104 and G106
G104 and G106
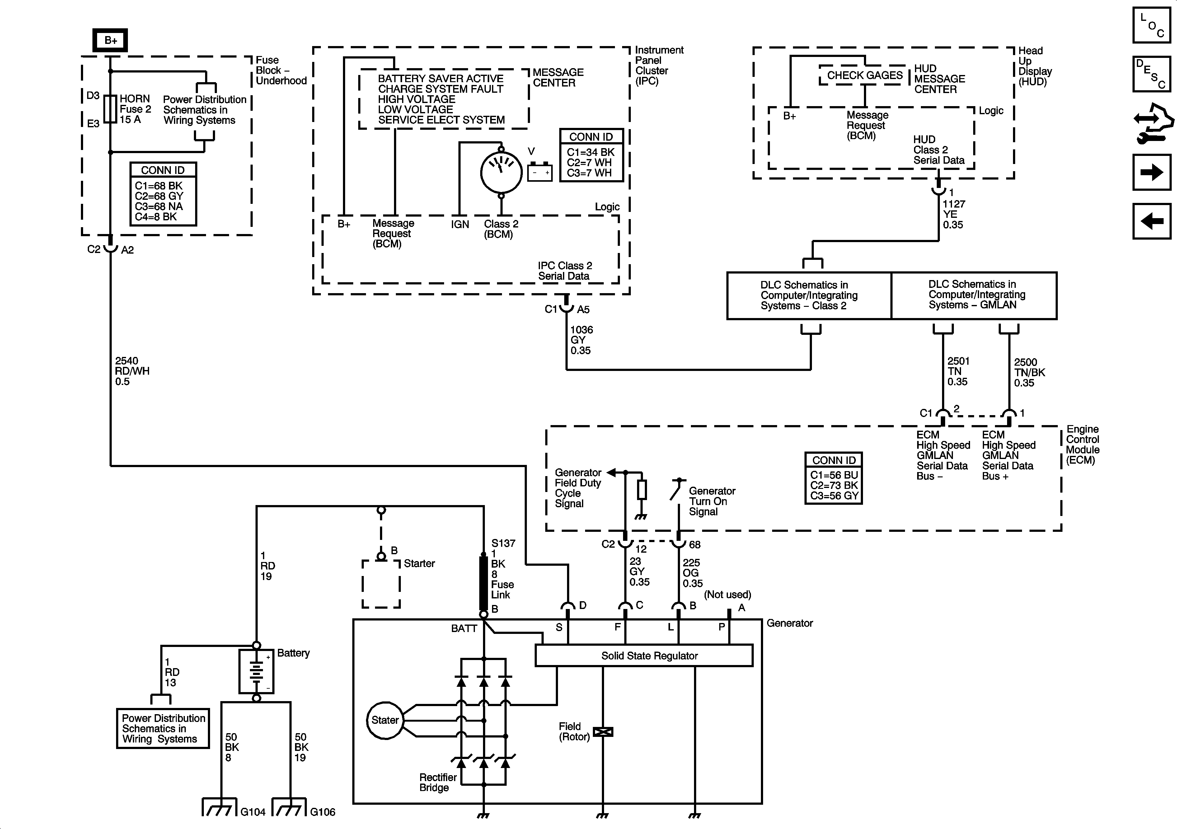
Figure 4:

Charging (LC3)


Object Number: 1658090  Size: FS
Master Electrical Component List
Charging System Description and Operation
Control Module References
Charging
Fuse Block Underhood Fuses: ABS, AMP, BATT2, COOLFAN, ECM/TCM, HORN, HVAC, MRRTD, W/S WASH
Class 2
GM LAN
Fuse Block - Underhood Bussing
G104 and G106
G104 and G106