GM Service Manual Online
For 1990-2009 cars only
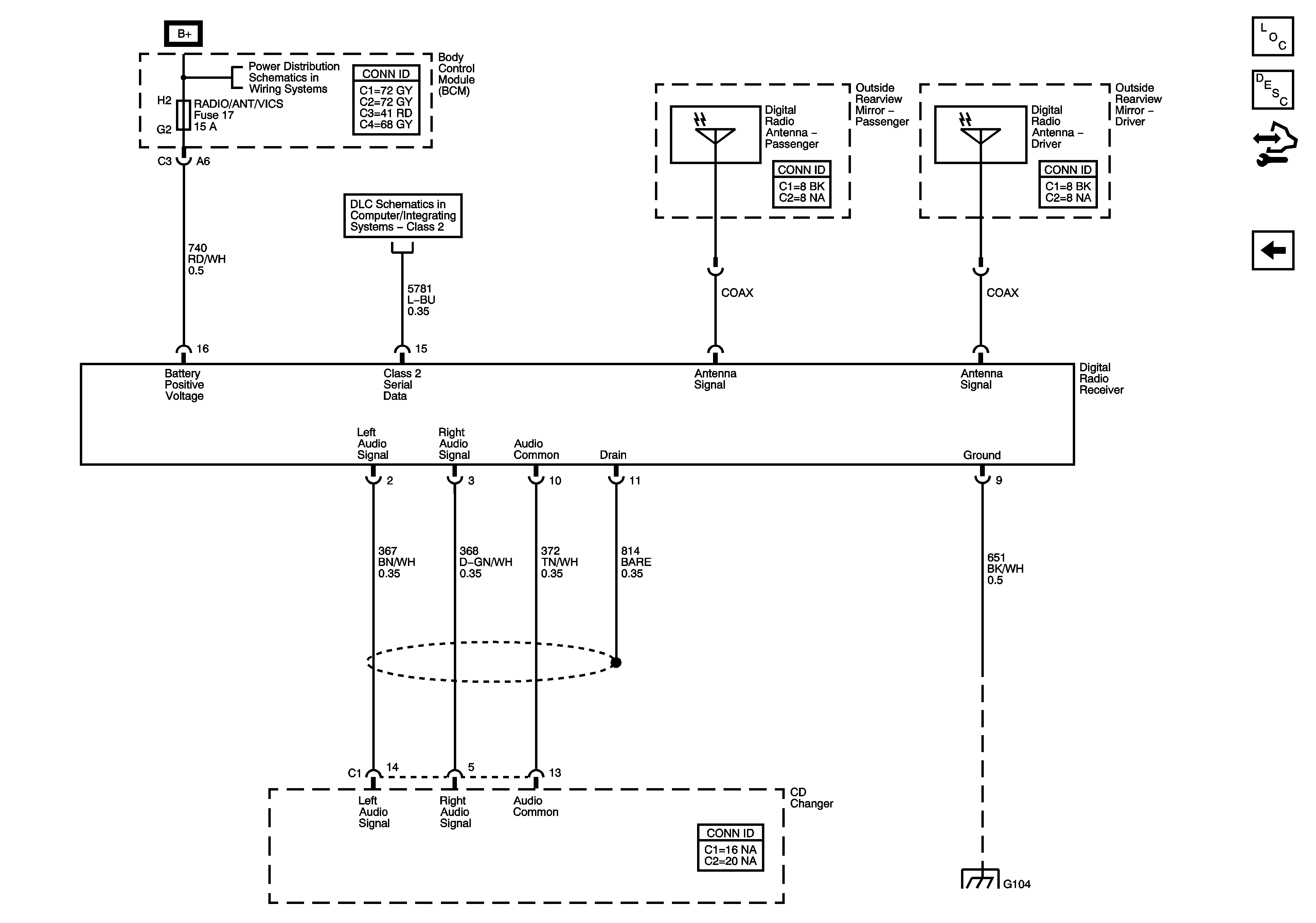
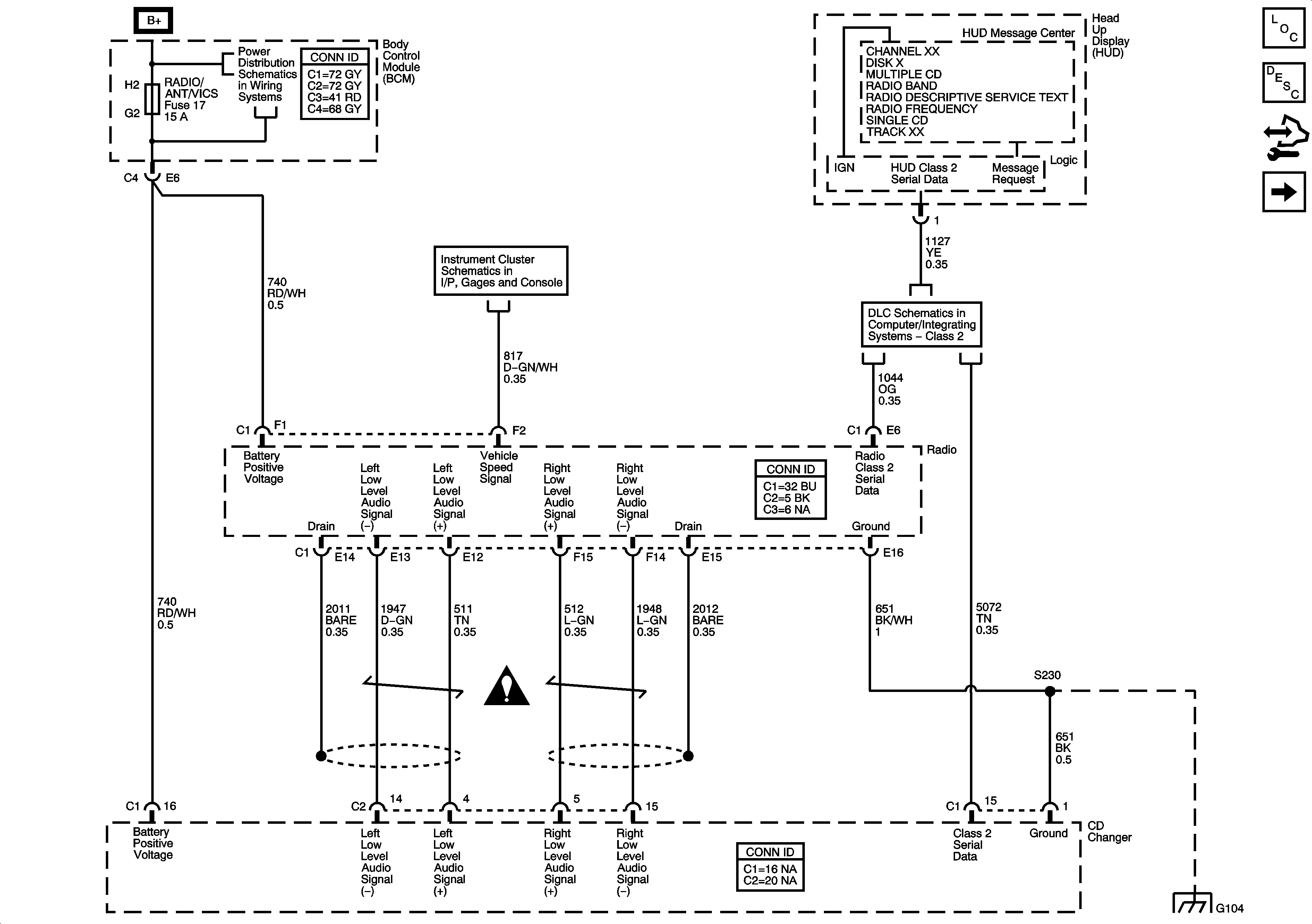
Figure 1:

CD Player and Radio Audio Signals, Ground, Messages, and Power


Object Number: 1686690  Size: FS
Master Electrical Component List
Radio/Audio System Description and Operation
Control Module References
Amplification
Fuse Block Underhood Fuses: BATT3, STOP/BULPS, BCM Fuses: BTSI SOL/COL LOCK, PWR FLDG MIR-EXT/RET, RADIO/ANT/VICS, REAR FOG/ALDL TOPSW, REVERSE LPS
Gages
Class 2
Entertainment Schematic Icons
G104 and G106
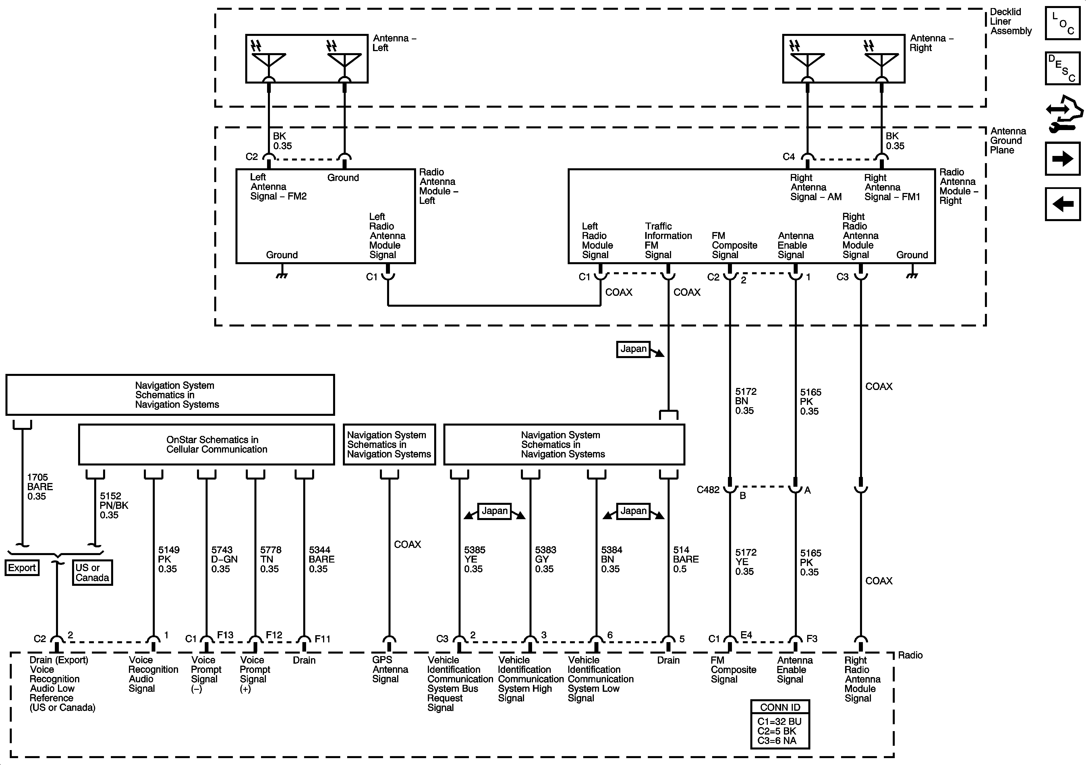
Figure 2:

Amplification


Object Number: 1480891  Size: FS
Master Electrical Component List
Radio/Audio System Description and Operation
Control Module References
Antennas, except S-Band and References to Navigation and OnStar
Antennas, except S-Band and References to Navigation and OnStar
Entertainment Schematic Icons
Fuse Block Underhood Fuses: ABS, AMP, BATT2, COOLFAN, ECM/TCM, HORN, HVAC, MRRTD, W/S WASH
Class 2
G104 and G106
Figure 3:

Antennas Except S-Band, and References to Navigation and OnStar


Object Number: 1686687  Size: FS
Master Electrical Component List
Radio/Audio System Description and Operation
Control Module References
Digital Radio Receiver
Amplification
Except Japan
Audio Output
Except Japan
Japan
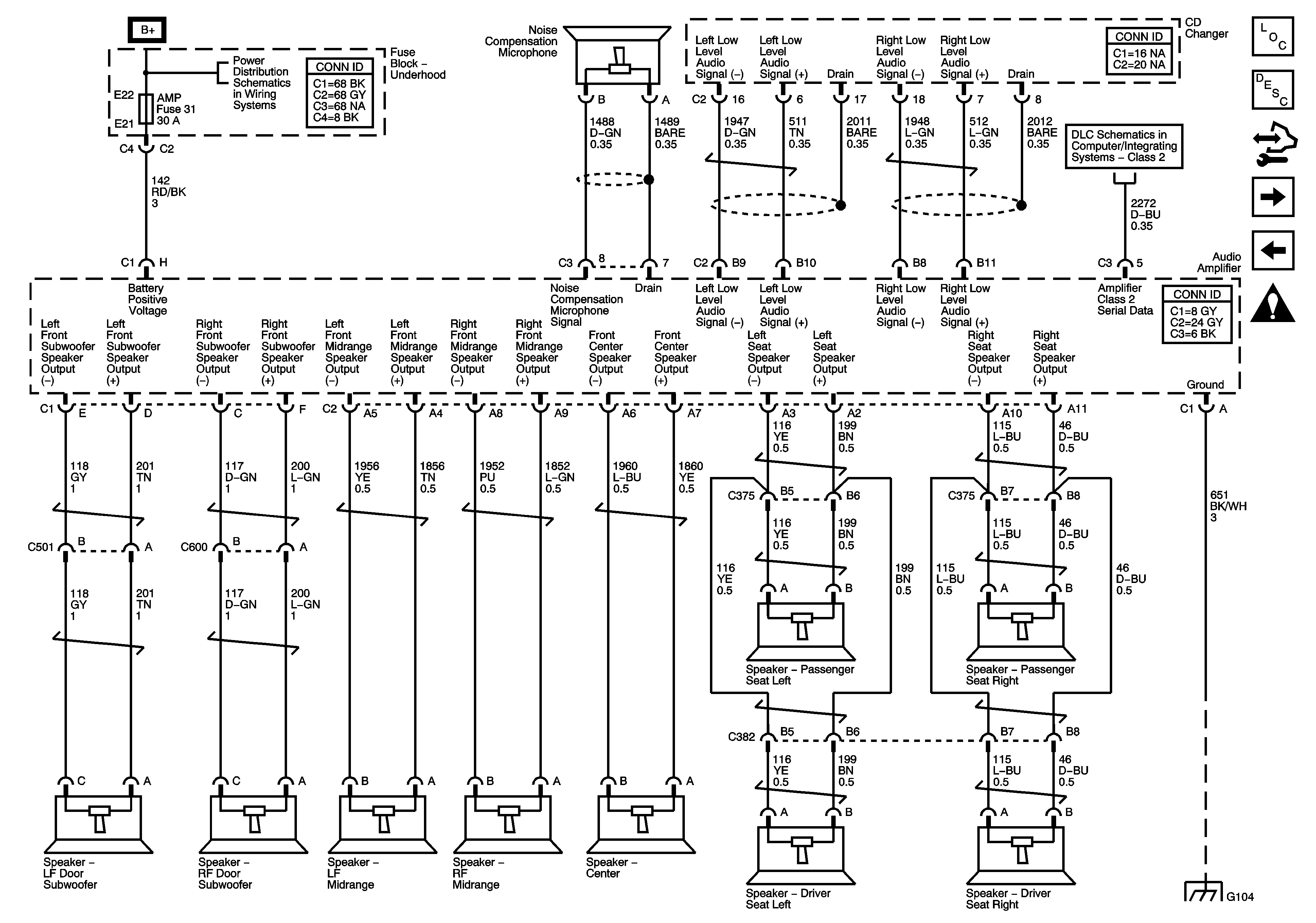
Figure 4:

Digital Radio Receiver


Object Number: 1720238  Size: FS
Master Electrical Component List
Radio/Audio System Description and Operation
Control Module References
Antennas, except S-Band and References to Navigation and OnStar
Fuse Block Underhood Fuses: BATT3, STOP/BULPS, BCM Fuses: BTSI SOL/COL LOCK, PWR FLDG MIR-EXT/RET, RADIO/ANT/VICS, REAR FOG/ALDL TOPSW, REVERSE LPS
Class 2
G104 and G106
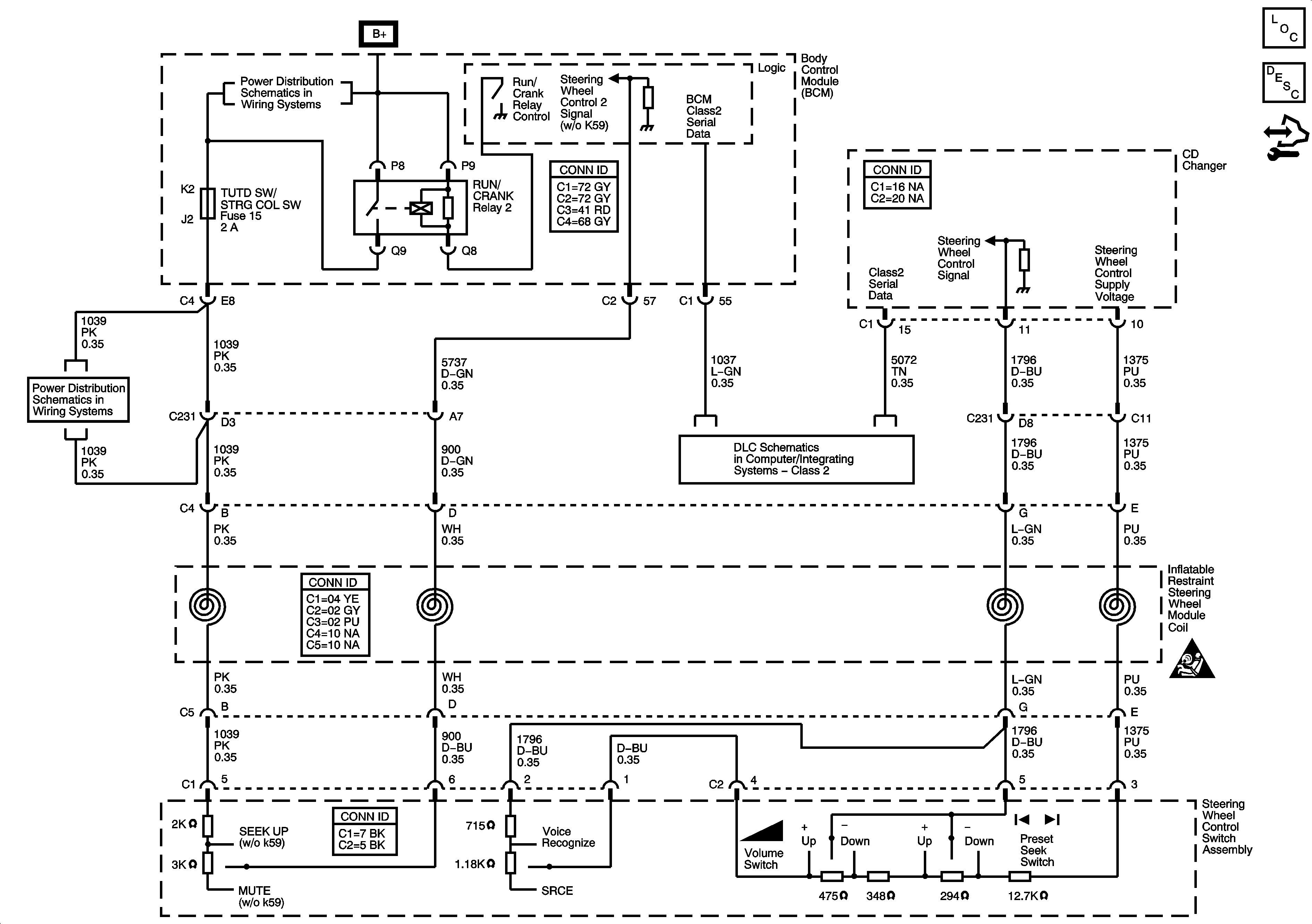
Figure 5:

Redundant Steering Wheel Controls


Object Number: 1480900  Size: FS
Master Electrical Component List
Radio/Audio System Description and Operation
Control Module References
BCM Fuses: ECM, GMLAN Devices, RPA/H/C SEAT and SDM/PSIR SW, Fuse Block Underhood Fuses - ABS/MRRTD, and ACC/TCM
BCM Fuses: AC LATCH/PK BRK B, CLUSTER, DOOR LOCKS, HVAC/PWR SND, INTERIOR LIGHTS, ISRVM/HVAC, and TUTD SW/STRG COL SW
Class 2
SIR Schematic Icons