GM Service Manual Online
For 1990-2009 cars only
Figure 1:

DLC, Ground, Indicators, and Power


Object Number: 1709746  Size: FS
Master Electrical Component List
Instrument Cluster Description and Operation
Control Module References
Gages
BCM Fuses: AC LATCH/PK BRK B, CLUSTER, DOOR LOCKS, HVAC/PWR SND, INTERIOR LIGHTS, ISRVM/HVAC, and TUTD SW/STRG COL SW
BCM Fuses: AC LATCH/PK BRK B, CLUSTER, DOOR LOCKS, HVAC/PWR SND, INTERIOR LIGHTS, ISRVM/HVAC, and TUTD SW/STRG COL SW
G104 and G106
G201
Brake Warning System Schematics
Brake Warning System Schematics
Wiper Switch, Washers and Outside Moisture Sensor
Park Lamp Control, Sidemarker, Park, and Position Lamps
Turn Signal and Hazard Lamps (Domestic)
Class 2
DLC, Ground, MIL, and Power
06 GMX215 Y Cad DLC, Ground, MIL and Power
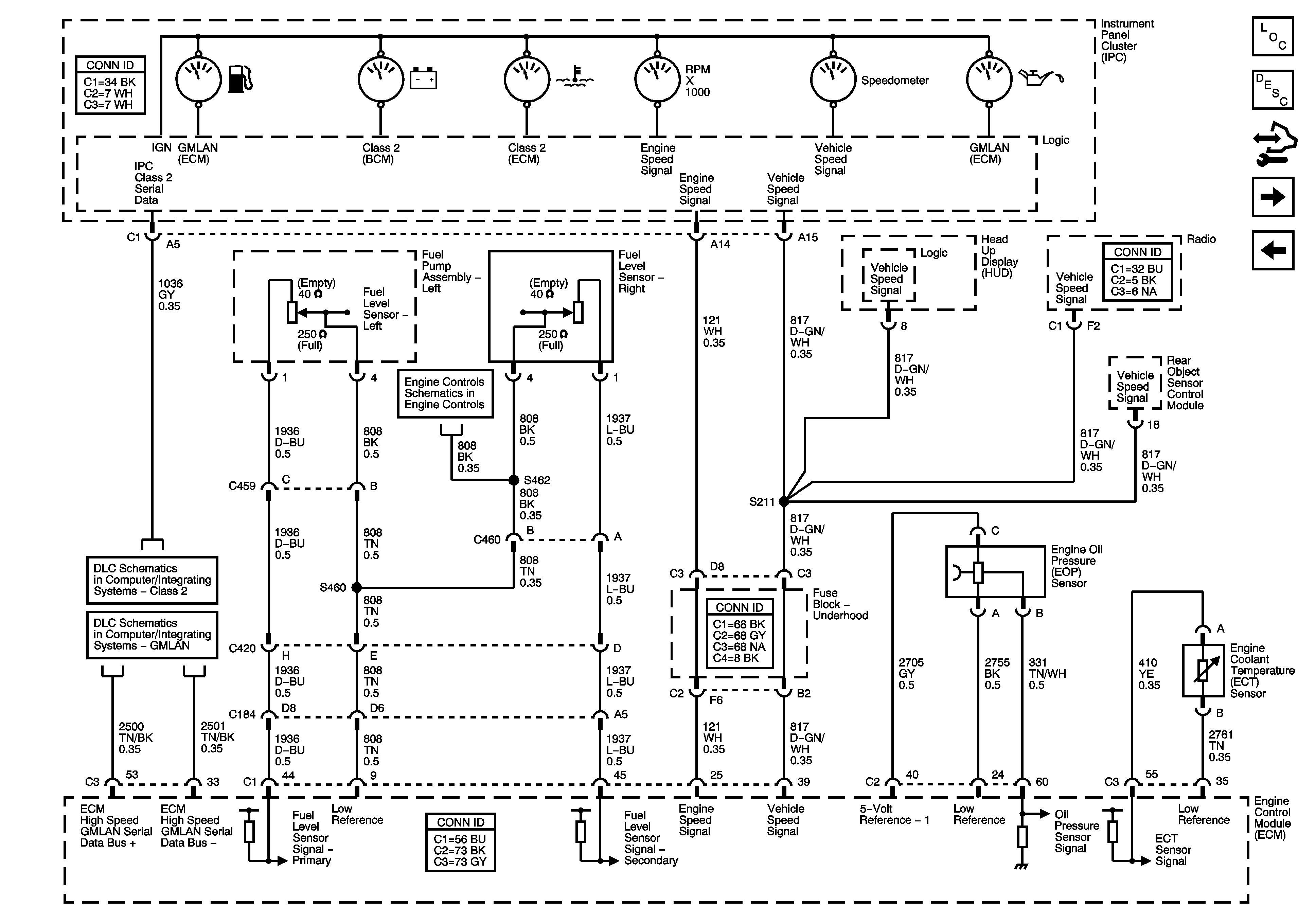
Figure 2:

Gages (LH2)


Object Number: 1687358  Size: FS
Master Electrical Component List
Instrument Cluster Description and Operation
Control Module References
Instrument Cluster Gages Schematics
DLC, Ground, Indicators, and Power
Fuel Pump Controls
Class 2
GM LAN
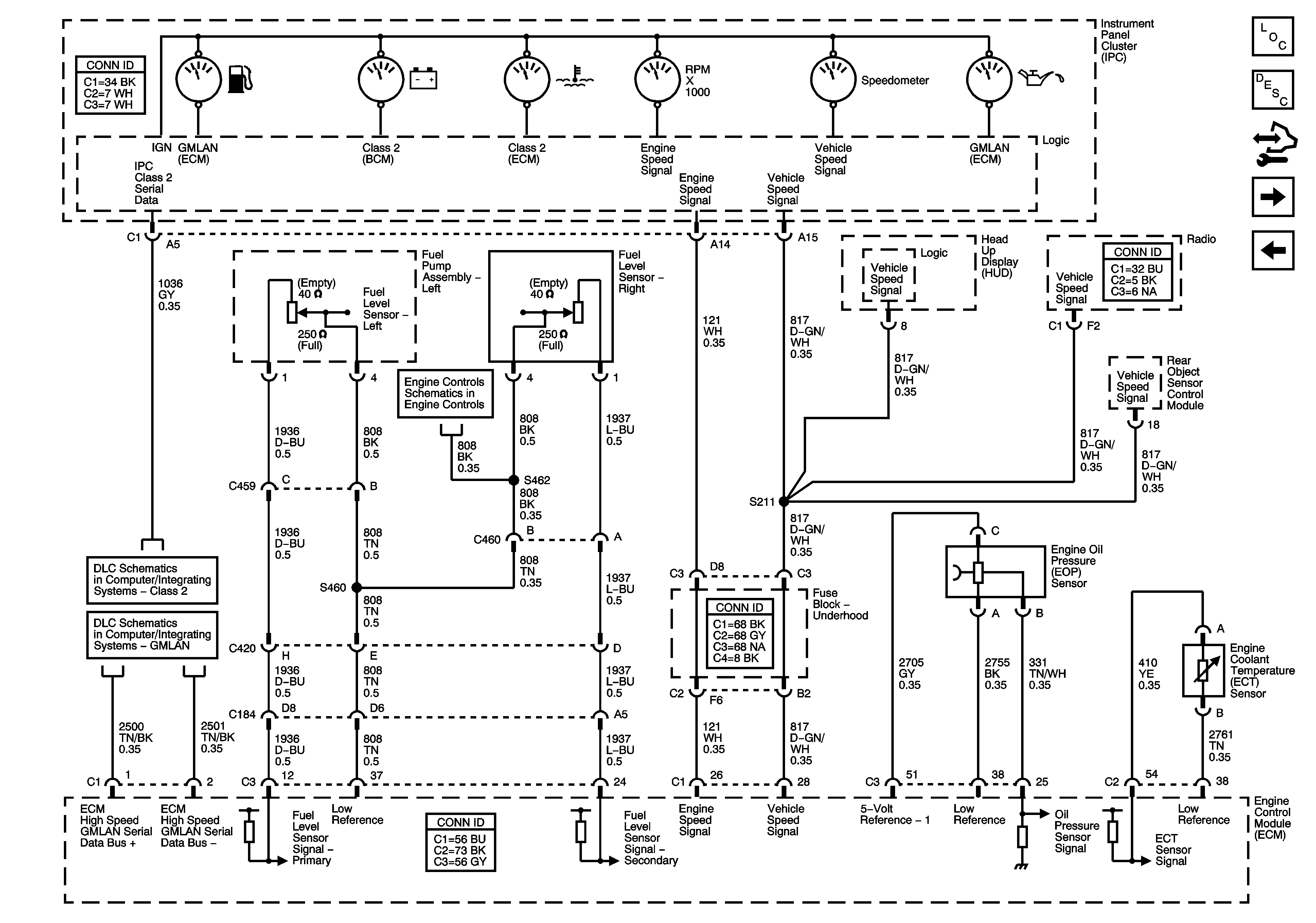
Figure 3:

Gages (LC3)


Object Number: 1658059  Size: FS
Master Electrical Component List
Instrument Cluster Description and Operation
Control Module References
Messages
Gages
Fuel Controls - EVAP Controls
Class 2
GM LAN
Figure 4:

Messages (LH2)


Object Number: 1687353  Size: FS
Master Electrical Component List
Instrument Cluster Description and Operation
Control Module References
Instrument Cluster Messages Schematics
Instrument Cluster Gages Schematics
Class 2
GM LAN
Dimming Controls, IPC, Switches and DLC
Head Up Display (HUD) Schematics
Head Up Display (HUD) Schematics
G102
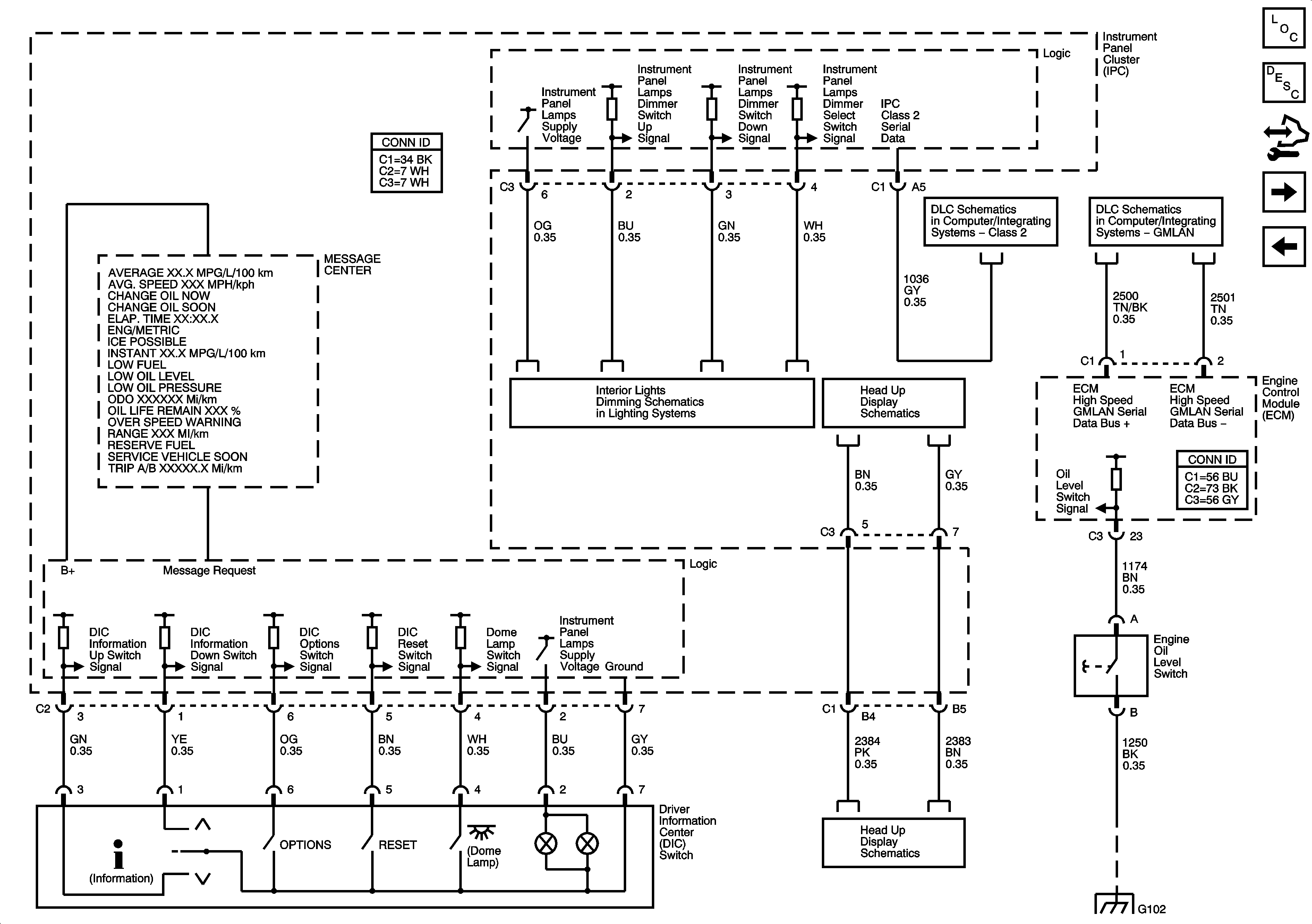
Figure 5:

Messages (LC3)


Object Number: 1658067  Size: FS
Master Electrical Component List
Instrument Cluster Description and Operation
Control Module References
Messages
Class 2
GM LAN
Dimming Controls, IPC, Switches and DLC
Head Up Display (HUD) Schematics
Head Up Display (HUD) Schematics