GM Service Manual Online
For 1990-2009 cars only

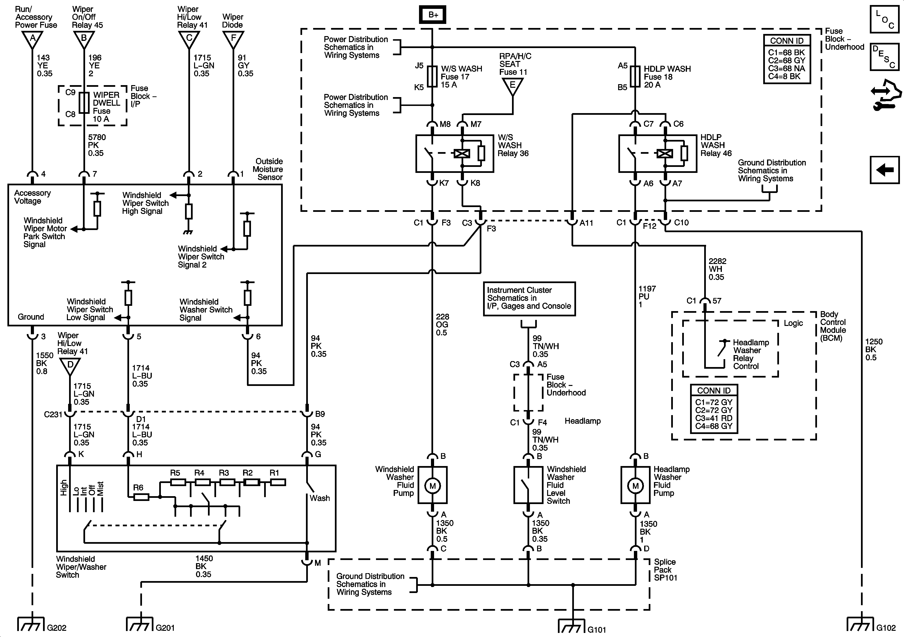
Wiper Switch, Washers and Outside Moisture Sensor

Wiper Switch, Washers and Outside Moisture Sensor


Object Number: 1686681  Size: FS
Master Electrical Component List
Wiper/Washer System Description and Operation
Control Module References
Power, Ground, and Wiper Motor
G101
G101
Fuse Block - Underhood Bussing
Fuse Block - Underhood Bussing
Power, Ground, and Wiper Motor
G102
Power, Ground, and Wiper Motor
DLC, Ground, Indicators, and Power
G202 - 1 of 2
G201
G101
G101
G102