GM Service Manual Online
For 1990-2009 cars only

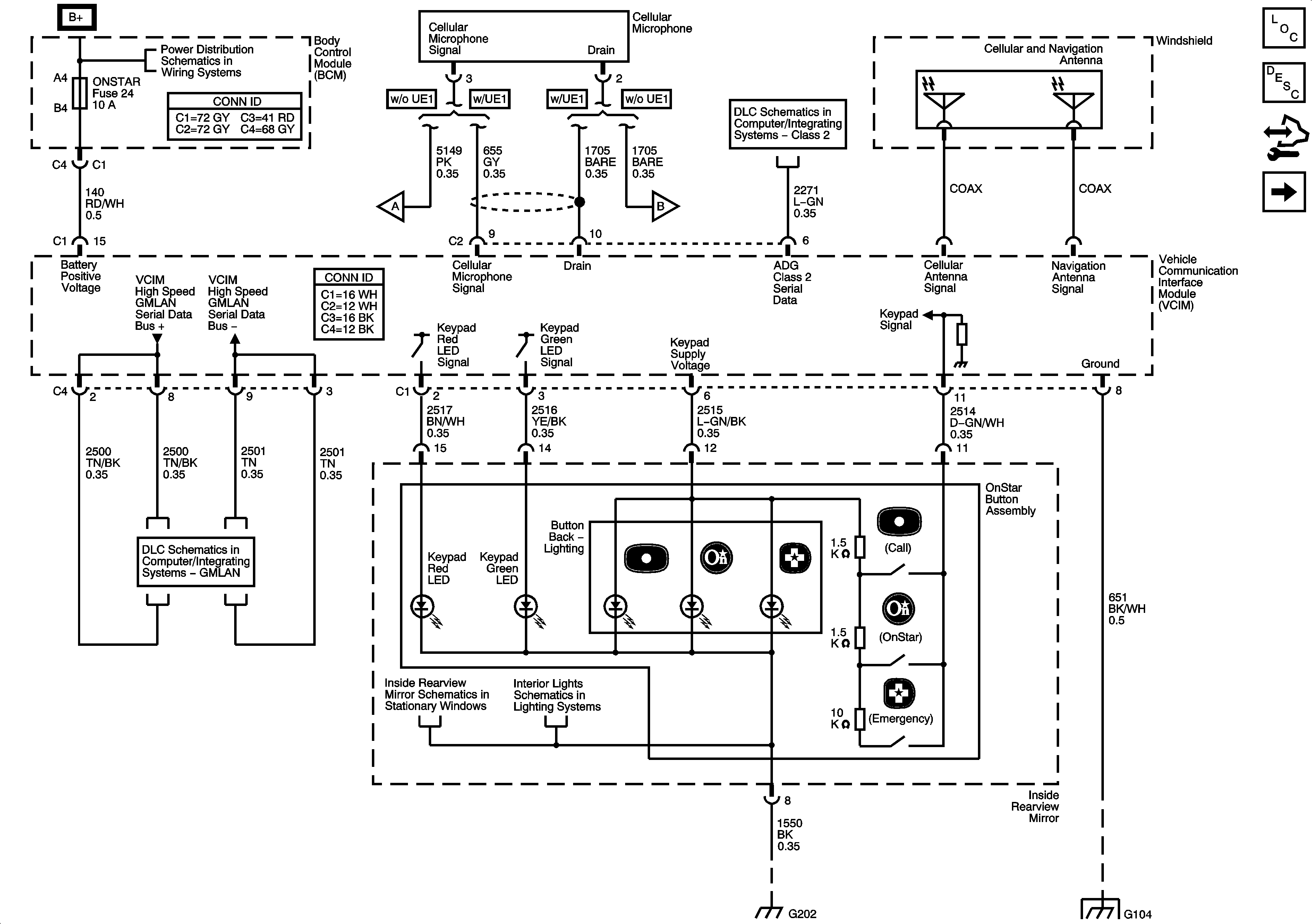
Antenna, DLC, Ground, Power and Uer Inputs

Antenna, DLC, Ground, Power, and User Inputs


Object Number: 1686684  Size: FS
Master Electrical Component List
OnStar Description and Operation
Control Module References
Audio Output
Fuse Block Underhood Fuses - BATT5, BCM Fuses - ACCA/DRIV DRSW, IGNITION SW/INTR SENS, ONSTAR, PARK BRAKE SOL A, TILT/TELE SW/MEM SEAT MOD
Audio Output
Audio Output
Class 2
GM LAN
Inside Rearview Mirror Schematics
Courtesy, Underhood, I/P Compartment, Vanity Mirrors, Inside Rearview Mirror and Lamp Controls
G202 - 1 of 2
G104 and G106