GM Service Manual Online
For 1990-2009 cars only

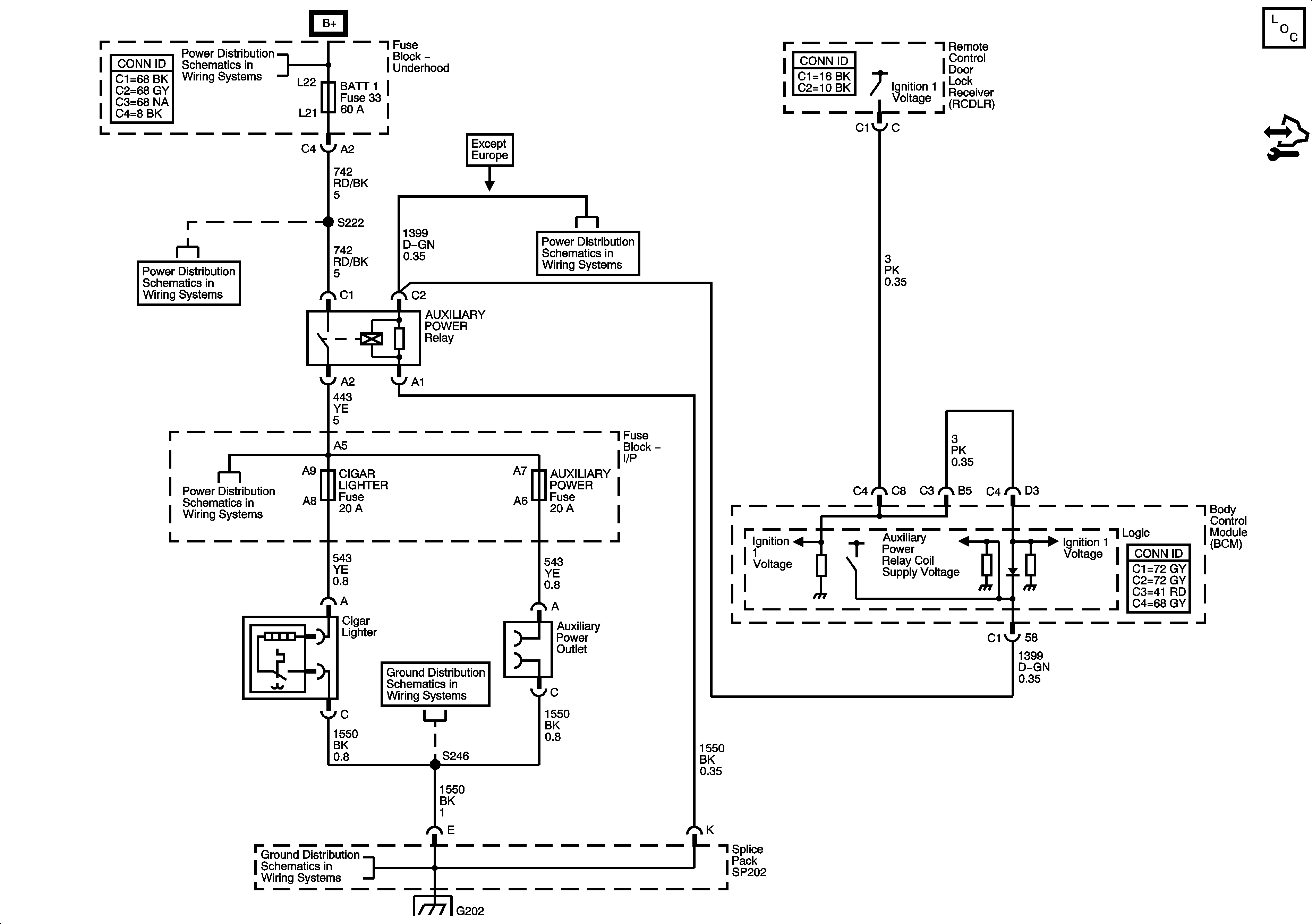
Cigar Lighter/Auxiliary Outlets Schematics


Object Number: 1686694  Size: FS
Master Electrical Component List
Control Module References
Fuse Block - Underhood Bussing
Fuse Block Underhood Fuses - BATT1, Fuse Block I/P Fuses - HEATED SEAT LH, HEATED SEAT RH, POWER LUMBAR LH/RH, Fuse Block I/P Circuit Breakers - Door Controls and Power Seats
Fuse Block Underhood Fuses - BATT1, Fuse Block I/P Fuses - HEATED SEAT LH, HEATED SEAT RH, POWER LUMBAR LH/RH, Fuse Block I/P Circuit Breakers - Door Controls and Power Seats
Fuse Block Underhood Fuse - BATT1, Fuse Block I/P Fuses - AUXILIARY POWER, CIGAR LIGHTER, COLUMN LOCK MODL, FLDG TOP/TRUNK LATCH
G202 - 1 of 2
G202 - 1 of 2
G202 - 1 of 2