GM Service Manual Online
For 1990-2009 cars only
Makes
🢒
Cadillac
🢒
2007
🢒
XLR
🢒
Diagnostic Navigation
🢒
Vehicle Diagnostic Information
🢒 Automatic Transmission Controls Schematics
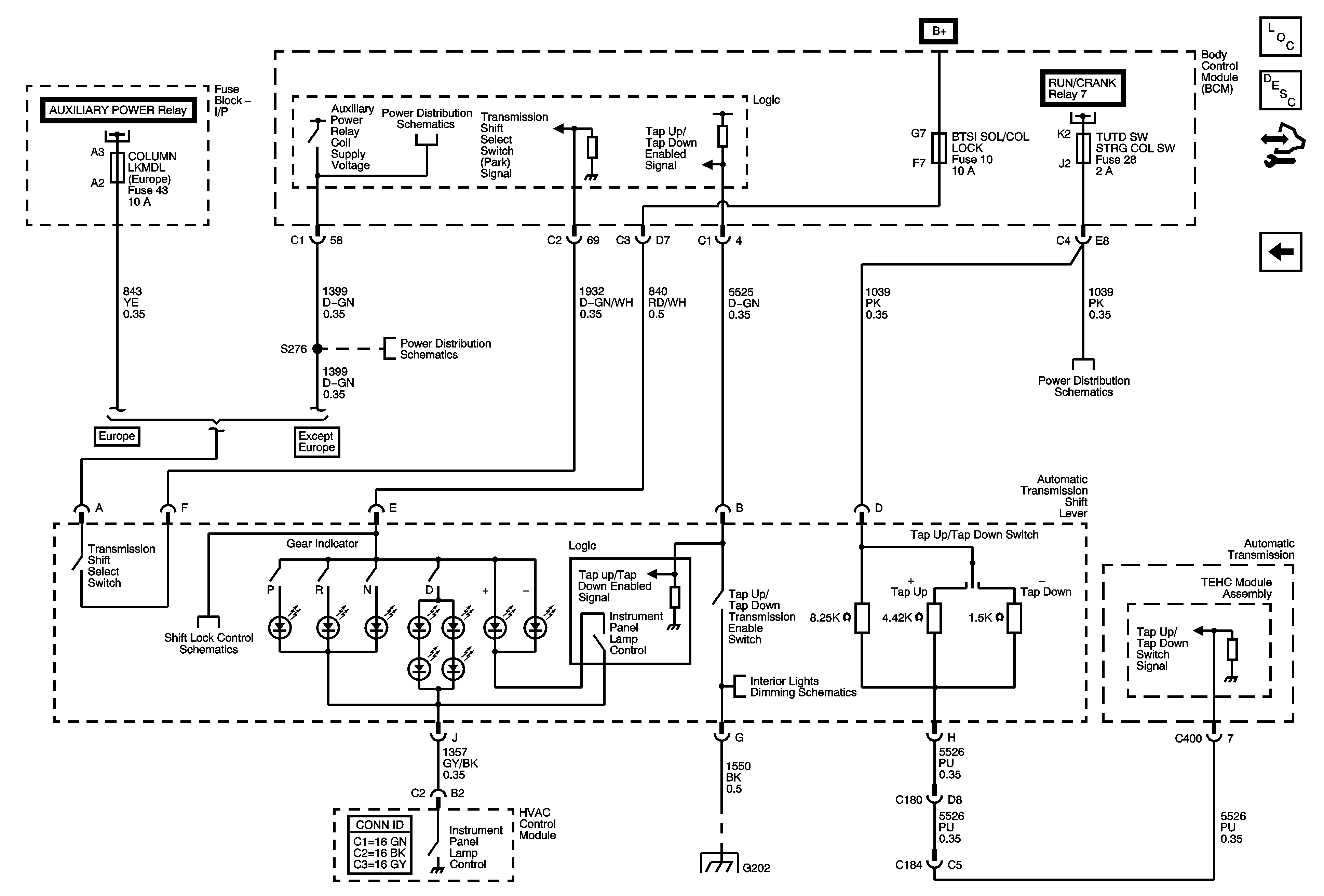
Figure
1:
Power, Ground, and Serial Data
Master Electrical Component List
Transmission General Description
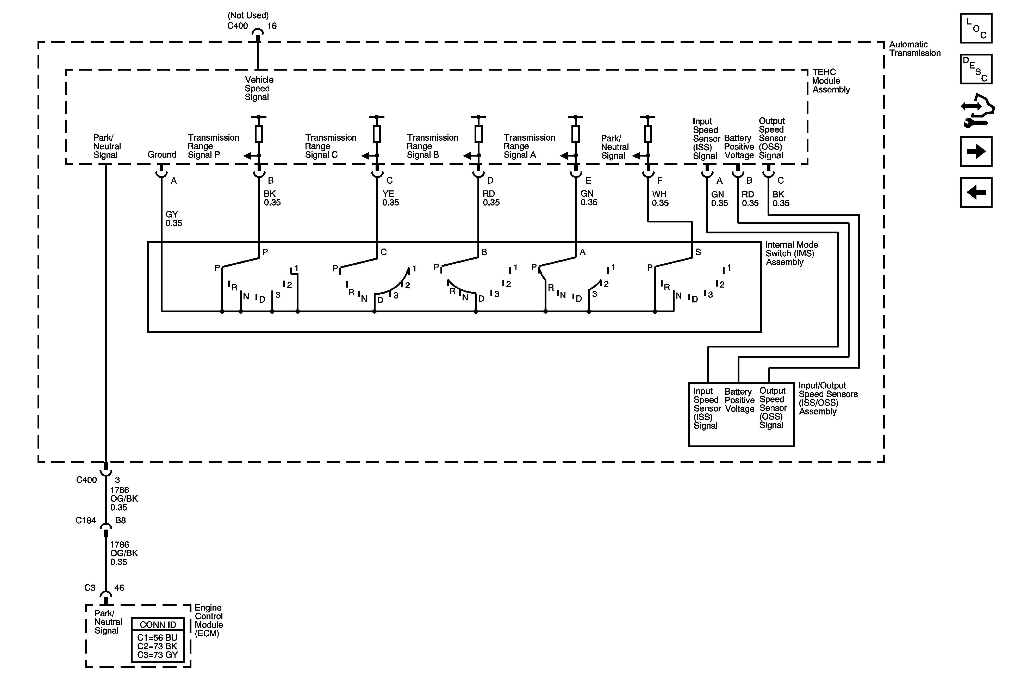
Control Module References
IMS Switch, and OSS/ISS Sensor
Power, Ground, and DLC
Stop and License Lamps
Fuse Block - Underhood Bussing
COOLFAN, AMP, HVAC, ABS, MRRTD, ECM/TCM, HORN, BATT 2 Fuses, and HORN, REAR DEFOG Relays
COOLFAN, AMP, HVAC, ABS, MRRTD, ECM/TCM, HORN, BATT 2 Fuses, and HORN, REAR DEFOG Relays
COOLFAN, AMP, HVAC, ABS, MRRTD, ECM/TCM, HORN, BATT 2 Fuses, and HORN, REAR DEFOG Relays
RPA/H/C SEAT, GMLAN DEVICES, ECM, SDM/PSIR SW, ACC/TCM, and ABS/MRRTD Fuses
RPA/H/C SEAT, GMLAN DEVICES, ECM, SDM/PSIR SW, ACC/TCM, and ABS/MRRTD Fuses
RPA/H/C SEAT, GMLAN DEVICES, ECM, SDM/PSIR SW, ACC/TCM, and ABS/MRRTD Fuses
Power, Ground, and DLC
Power, Ground, and DLC
Stop and License Lamps
Class 2
GMLAN
G104 and G106
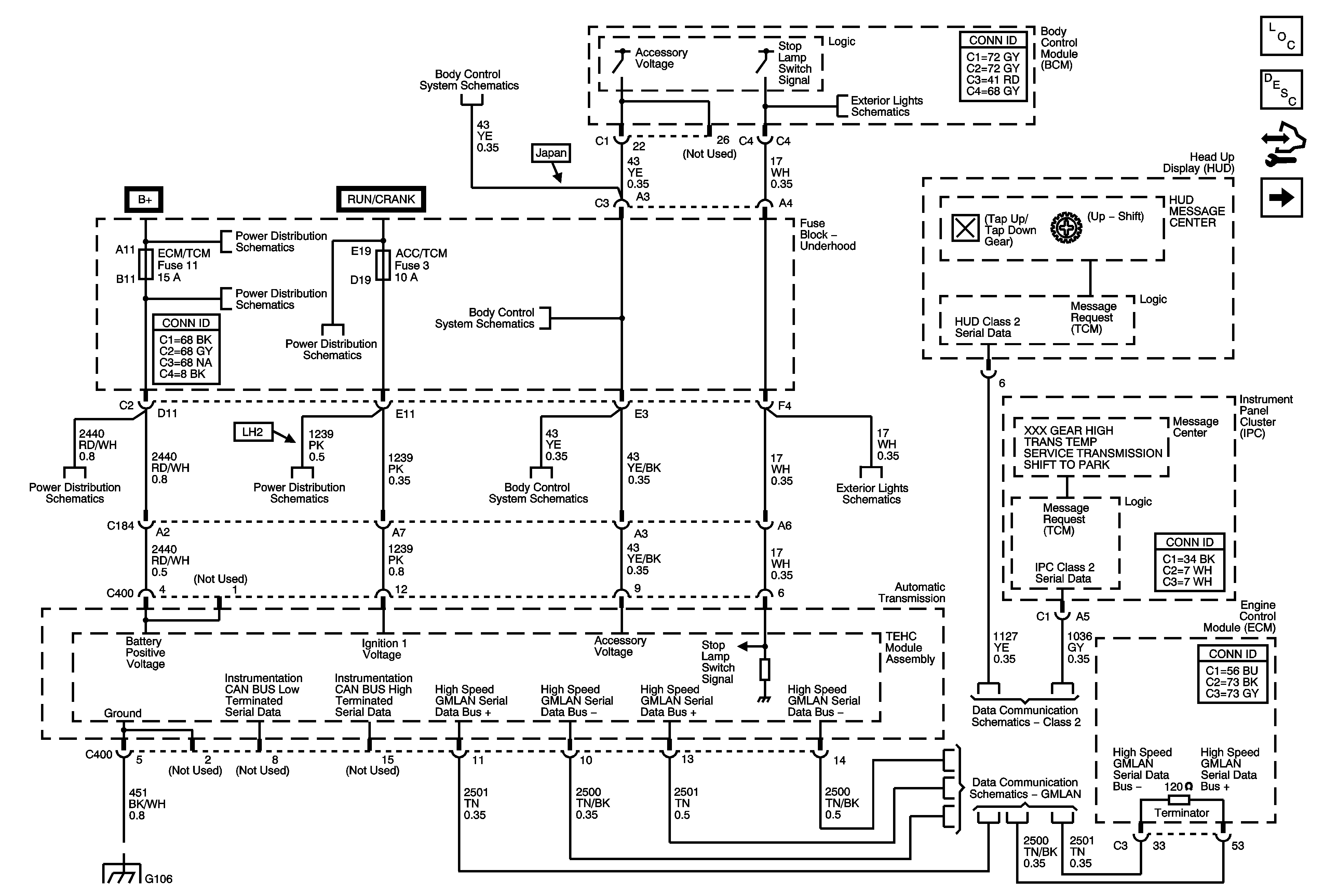
Figure
2:
IMS Switch, Shift Solenoids, and TCC, PC, TFT, VSS Sensors
Master Electrical Component List
Transmission General Description
Control Module References
Shift Lever
Power, Ground, and Serial Data
Figure
3:
Shift Lever
Master Electrical Component List
Transmission General Description
Control Module References
IMS Switch, and OSS/ISS Sensor
BATT 3, STOP/B/U/LPS, BTSI SOL/COL LOCK, RADIO/ANT/VICS, PWR FLDG MIR - EXT/RET, REAR FOG/ALDL TOP SW, REVERSE LAMPS Fuses, AND STOP LAMP, REVERSE LAMP Relays
BATT 3, STOP/B/U/LPS, BTSI SOL/COL LOCK, RADIO/ANT/VICS, PWR FLDG MIR - EXT/RET, REAR FOG/ALDL TOP SW, REVERSE LAMPS Fuses, AND STOP LAMP, REVERSE LAMP Relays
CLUSTER, A.C. LATCH/PK BRK B, DOOR LOCKS, INTERIOR LIGHTS, HVAC/PWR SND, ISRVM/HVAC, TUTD SW/STRG COL SW FUSES, and RUN/CRANK Relay 2
CLUSTER, A.C. LATCH/PK BRK B, DOOR LOCKS, INTERIOR LIGHTS, HVAC/PWR SND, ISRVM/HVAC, TUTD SW/STRG COL SW FUSES, and RUN/CRANK Relay 2
CLUSTER, A.C. LATCH/PK BRK B, DOOR LOCKS, INTERIOR LIGHTS, HVAC/PWR SND, ISRVM/HVAC, TUTD SW/STRG COL SW FUSES, and RUN/CRANK Relay 2
Shift Lock Control Schematics
DLC, HVAC Control Module, Radio, and Switches
G202