GM Service Manual Online
For 1990-2009 cars only
Makes
🢒
Cadillac
🢒
2007
🢒
XLR
🢒
Diagnostic Navigation
🢒
Vehicle Diagnostic Information
🢒 Folding Top Schematics
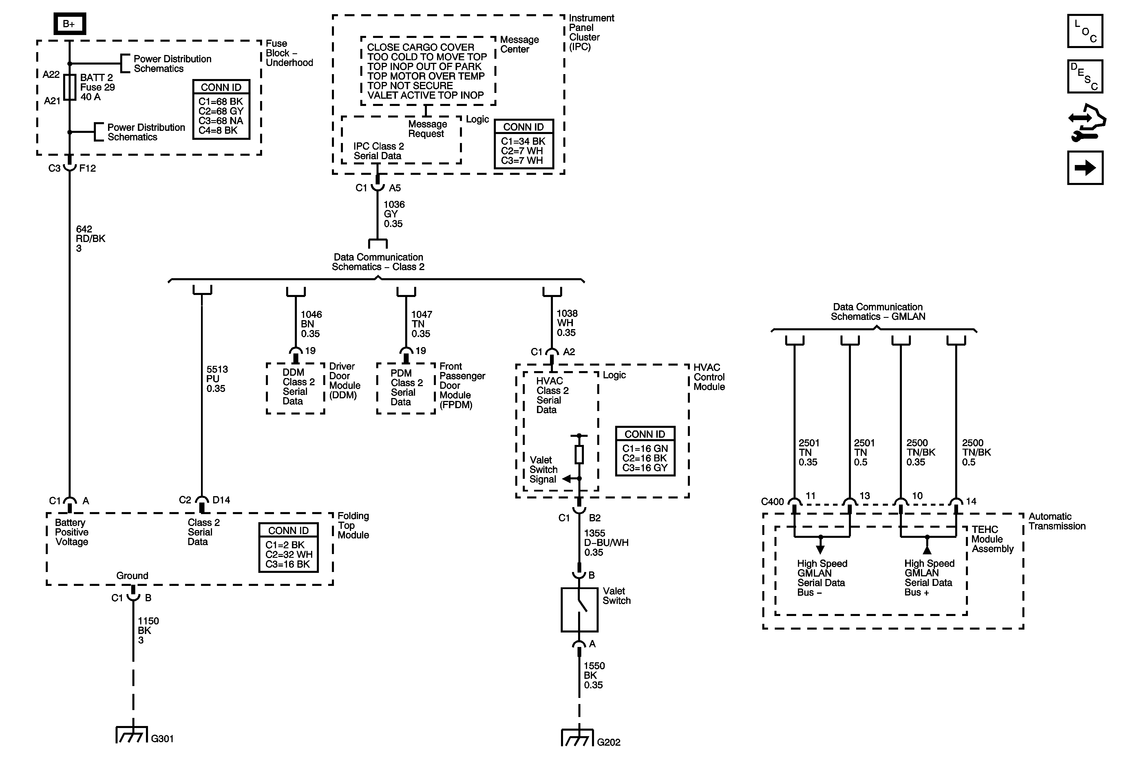
Figure
1:
Power, Ground, DLC, and Messages
Master Electrical Component List
Power Folding Top Description and Operation
Control Module References
Switches
Fuse Block - Underhood Bussing
COOLFAN, AMP, HVAC, ABS, MRRTD, ECM/TCM, HORN, BATT 2 Fuses, and HORN, REAR DEFOG Relays
Class 2
GMLAN
IMS Switch, and OSS/ISS Sensor
G301
G202
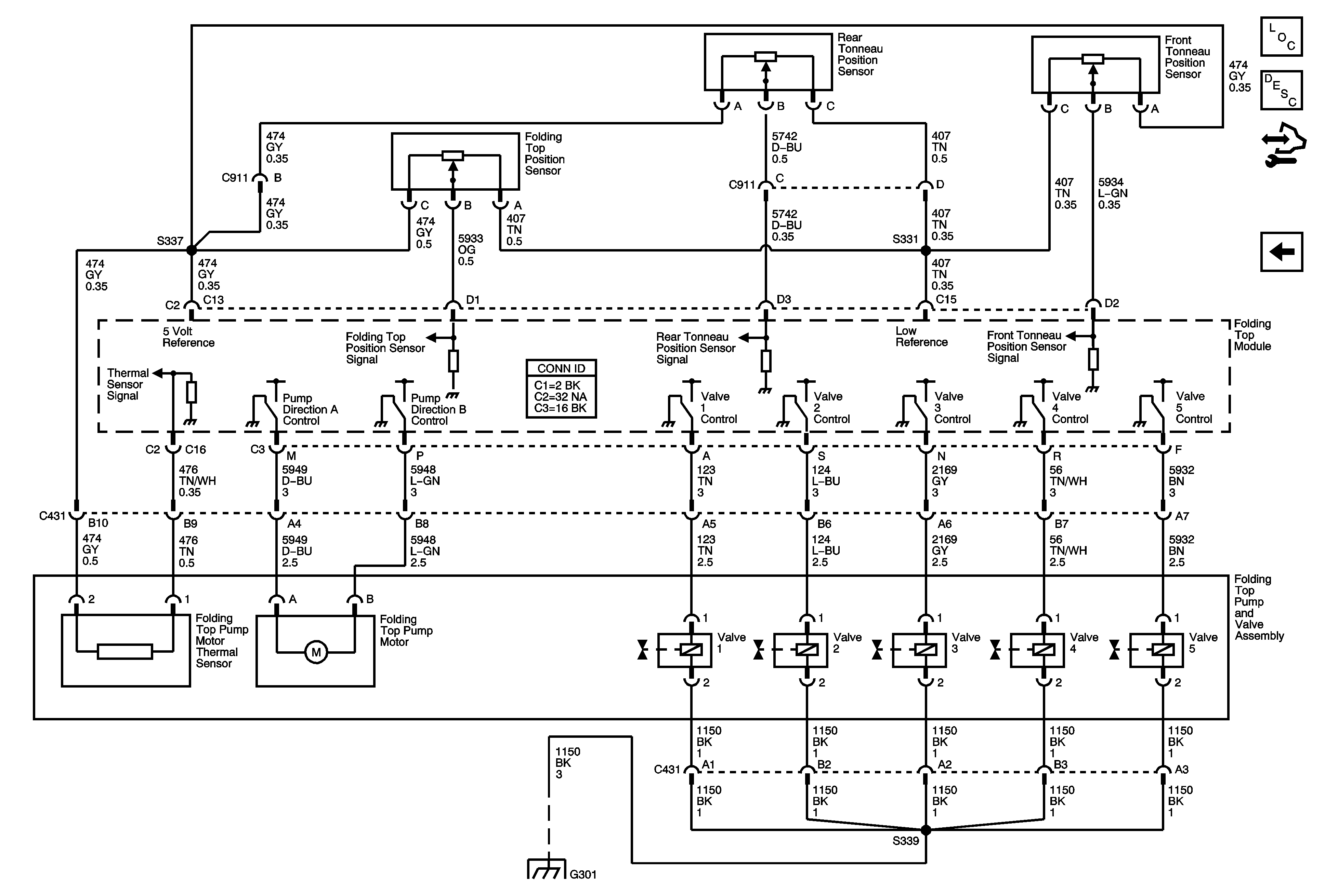
Figure
2:
Switches
Master Electrical Component List
Power Folding Top Description and Operation
Control Module References
Sensors, Valves, and Pump
Power, Ground, DLC, and Messages
Fuse Block - Underhood Bussing
Fuse Block - Underhood Bussing
BATT 1, HEATED SEAT LH, HEATED SEAT RH, POWER LUMBAR LH/RH Fuses, and DOOR CONTROLS, POWER SEATS Circuit Breakers, and FUEL DOOR Relay
CIGAR LIGHTER, AUXILIARY POWER, FLDG TOP/TRUNK LATCH, COLUMN LK MODULE Fuses, and AUXILIARY POWER Relay
BATT 3, STOP/B/U/LPS, BTSI SOL/COL LOCK, RADIO/ANT/VICS, PWR FLDG MIR - EXT/RET, REAR FOG/ALDL TOP SW, REVERSE LAMPS Fuses, AND STOP LAMP, REVERSE LAMP Relays
CLUSTER, A.C. LATCH/PK BRK B, DOOR LOCKS, INTERIOR LIGHTS, HVAC/PWR SND, ISRVM/HVAC, TUTD SW/STRG COL SW FUSES, and RUN/CRANK Relay 2
CLUSTER, A.C. LATCH/PK BRK B, DOOR LOCKS, INTERIOR LIGHTS, HVAC/PWR SND, ISRVM/HVAC, TUTD SW/STRG COL SW FUSES, and RUN/CRANK Relay 2
BATT 5, TILT/TELE/MEM SEAT MOD, ACCA/DRIV DR SW, IGNITION SW/INTR SENS, ONSTAR, PARK BRAKE SOL A Fuses, and PARK BRAKE RELEASE Relay
BATT 5, TILT/TELE/MEM SEAT MOD, ACCA/DRIV DR SW, IGNITION SW/INTR SENS, ONSTAR, PARK BRAKE SOL A Fuses, and PARK BRAKE RELEASE Relay
DLC, HVAC Control Module, Radio, and Switches
G202
Figure
3:
Sensors, Valves, and Pump
Master Electrical Component List
Power Folding Top Description and Operation
Control Module References
Switches
G301
G301