GM Service Manual Online
For 1990-2009 cars only
Makes
🢒
Cadillac
🢒
2007
🢒
XLR
🢒
Seats
🢒
Power Seats
🢒 Passenger Seat Schematics
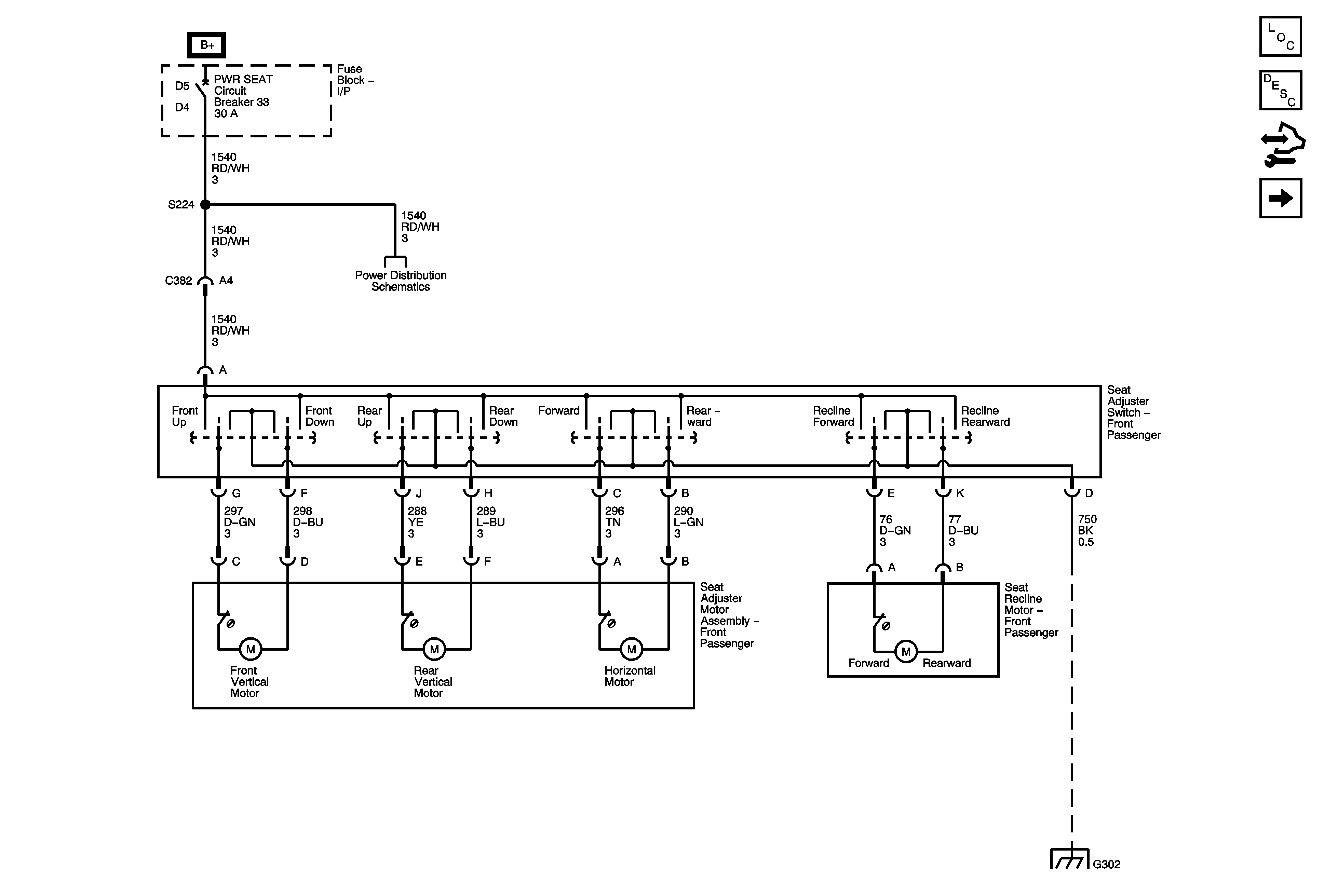
Figure
1:
8-Way Power Seat Controls
Master Electrical Component List
Power Seats System Description and Operation
Control Module References
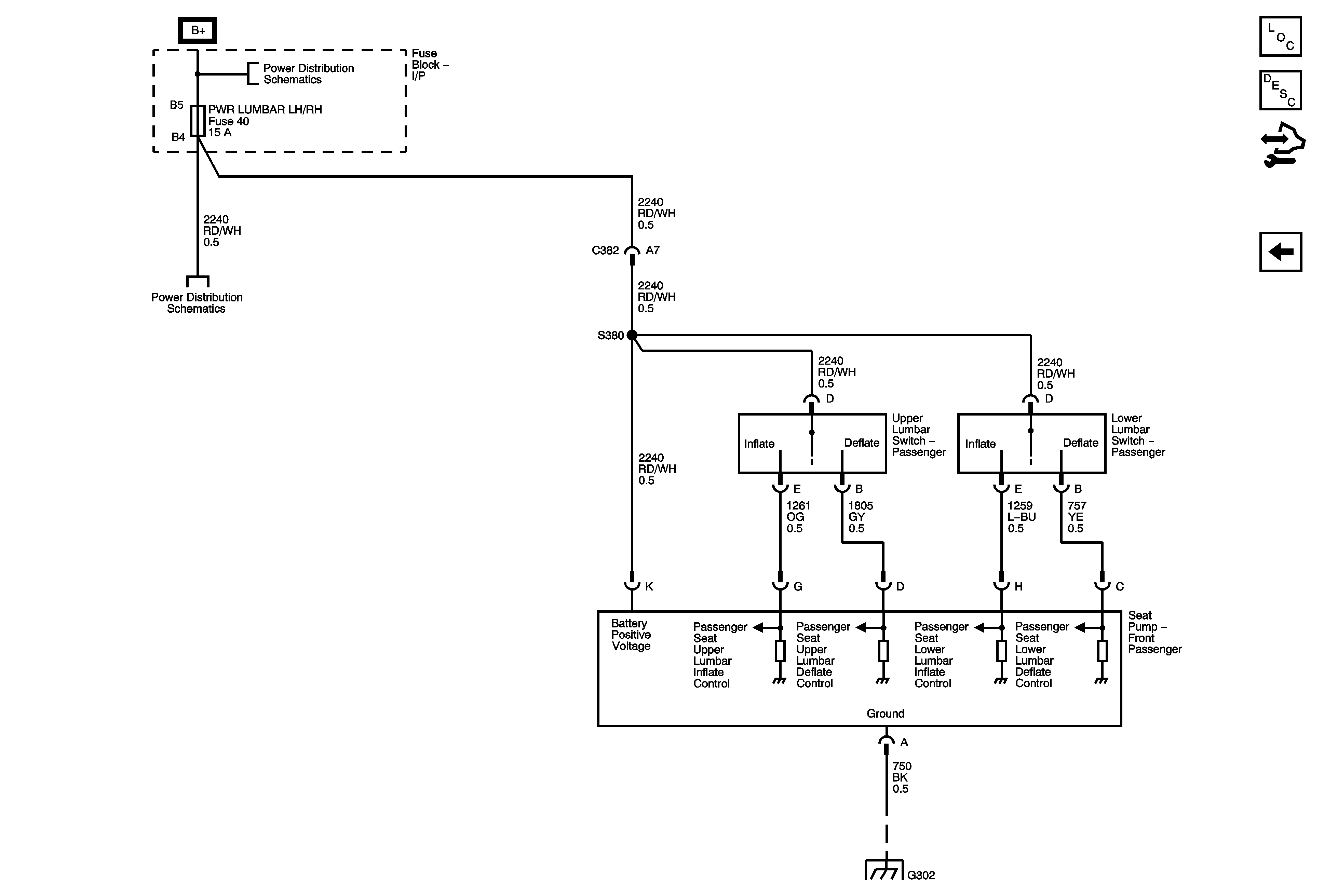
Lumbar Support
BATT 1, HEATED SEAT LH, HEATED SEAT RH, POWER LUMBAR LH/RH Fuses, and DOOR CONTROLS, POWER SEATS Circuit Breakers, and FUEL DOOR Relay
BATT 1, HEATED SEAT LH, HEATED SEAT RH, POWER LUMBAR LH/RH Fuses, and DOOR CONTROLS, POWER SEATS Circuit Breakers, and FUEL DOOR Relay
G302, G401, and G402
Figure
2:
Lumbar Support
Master Electrical Component List
Lumbar Support Description and Operation
Control Module References
8-Way Power Seat Controls
BATT 1, HEATED SEAT LH, HEATED SEAT RH, POWER LUMBAR LH/RH Fuses, and DOOR CONTROLS, POWER SEATS Circuit Breakers, and FUEL DOOR Relay
BATT 1, HEATED SEAT LH, HEATED SEAT RH, POWER LUMBAR LH/RH Fuses, and DOOR CONTROLS, POWER SEATS Circuit Breakers, and FUEL DOOR Relay
Lumbar Support
G302, G401, and G402