GM Service Manual Online
For 1990-2009 cars only

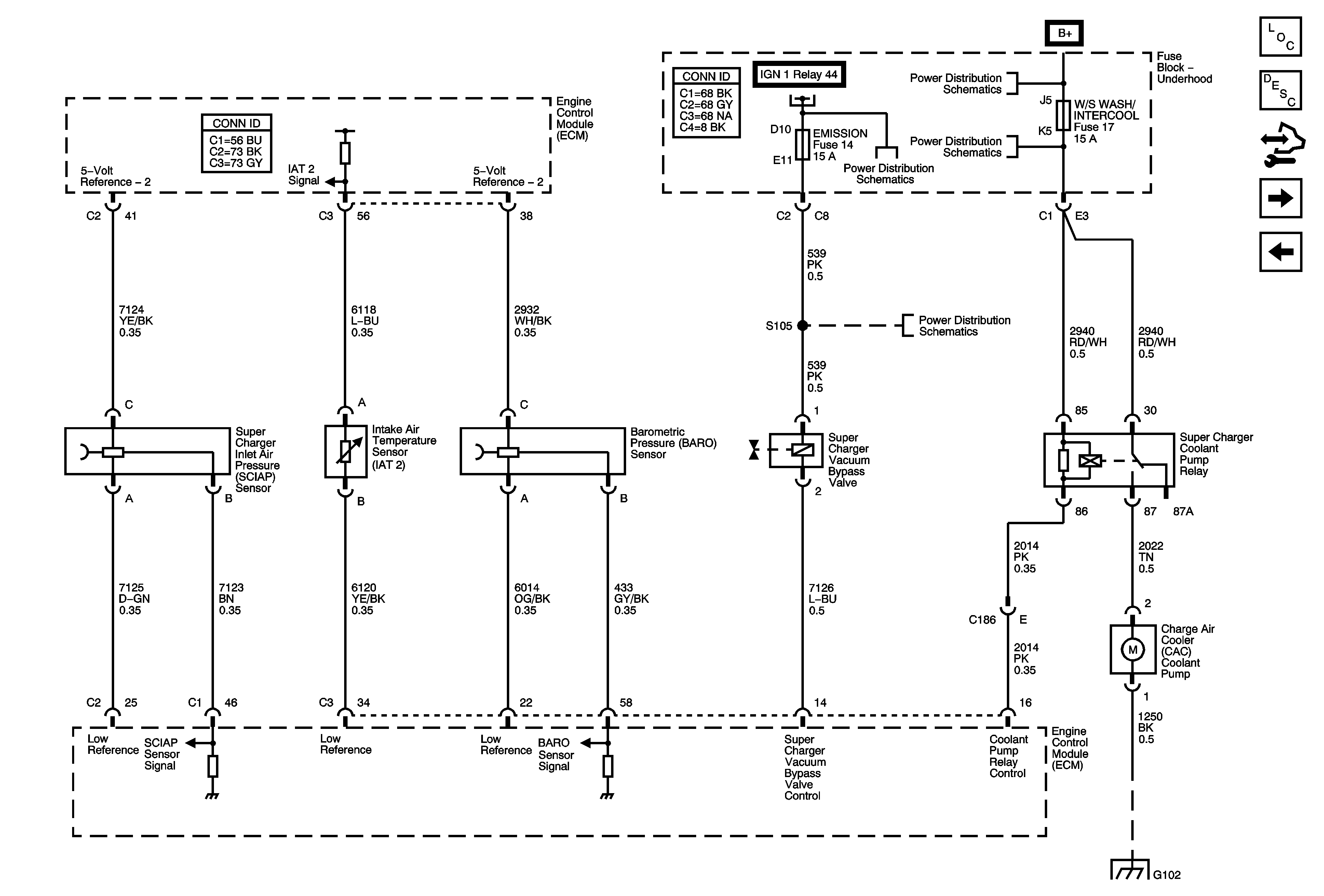
SCIAP, IAT 2, BARO Sensors, and Super Charger Vacuum Bypass Valve

SCIAP, IAT2, BARO Sensors, Super Charger Vacuum Bypass Valve, and Charge Air Cooler (CAC) Coolant Pump


Object Number: 1753485  Size: FS
Master Electrical Component List
Engine Control Module Description
Control Module References
Ignition Coils Bank 1
Electronic Throttle Controls
ETC, O2 SEN, EMISSION, ODD INJ, EVEN INJ, and IGN 1, A/C COMP Relays
ETC, O2 SEN, EMISSION, ODD INJ, EVEN INJ, and IGN 1, A/C COMP Relays
ETC, O2 SEN, EMISSION, ODD INJ, EVEN INJ, and IGN 1, A/C COMP Relays
Fuse Block - Underhood Bussing
COOLFAN, AMP, HVAC, ABS, MRRTD, ECM/TCM, HORN, BATT 2 Fuses, and HORN, REAR DEFOG Relays
COOLFAN, AMP, HVAC, ABS, MRRTD, ECM/TCM, HORN, BATT 2 Fuses, and HORN, REAR DEFOG Relays
G102