GM Service Manual Online
For 1990-2009 cars only
Makes
🢒
Cadillac
🢒
2007
🢒
XLR
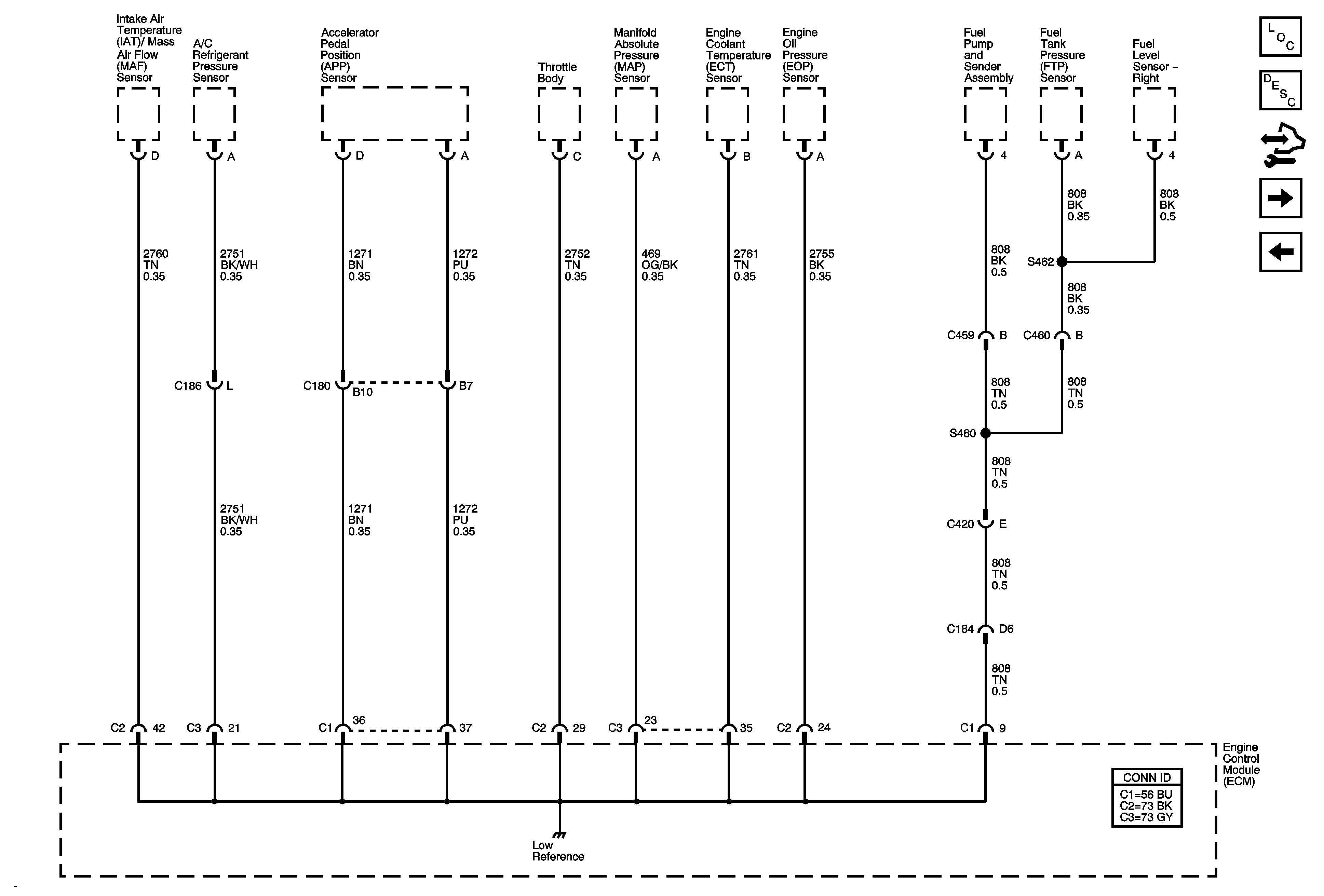
🢒 Low Reference Bussing
Low Reference Bussing
Low Reference Bussing
Master Electrical Component List
Engine Control Module Description
Control Module References
IAT/MAF, ECT, MAP Sensors, and Stop Lamp Switch Signal
12-Volt and 5-Volt Reference Bussing