GM Service Manual Online
For 1990-2009 cars only
Makes
🢒
Cadillac
🢒
2007
🢒
XLR
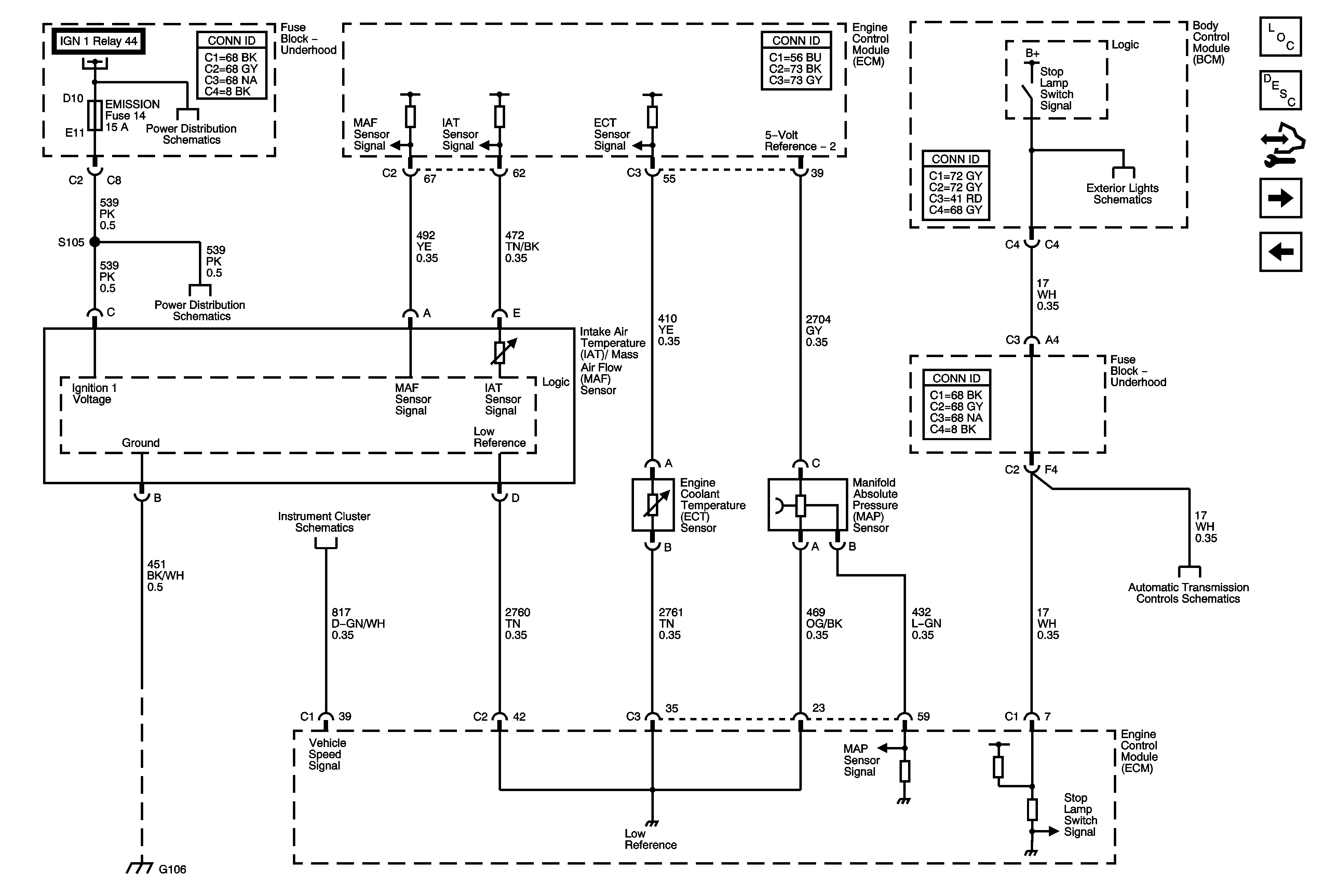
🢒 IAT/MAF, ECT, MAP Sensors, and Stop Lamp Switch Signal
IAT/MAF, ECT, MAP Sensors, and Stop Lamp Switch Signal
IAT/ MAF, ECT, MAP Sensors, and Stop Lamp Switch Signal
Master Electrical Component List
Engine Control Module Description
Control Module References
Heated Oxygen Sensors
Low Reference Bussing
Fuse Block - Underhood Bussing
ETC, O2 SEN, EMISSION, ODD INJ, EVEN INJ, and IGN 1, A/C COMP Relays
ETC, O2 SEN, EMISSION, ODD INJ, EVEN INJ, and IGN 1, A/C COMP Relays
Stop and License Lamps
Gages
Power, Ground, and Serial Data
G104 and G106