GM Service Manual Online
For 1990-2009 cars only
Makes
🢒
Cadillac
🢒
2007
🢒
XLR
🢒 Gages
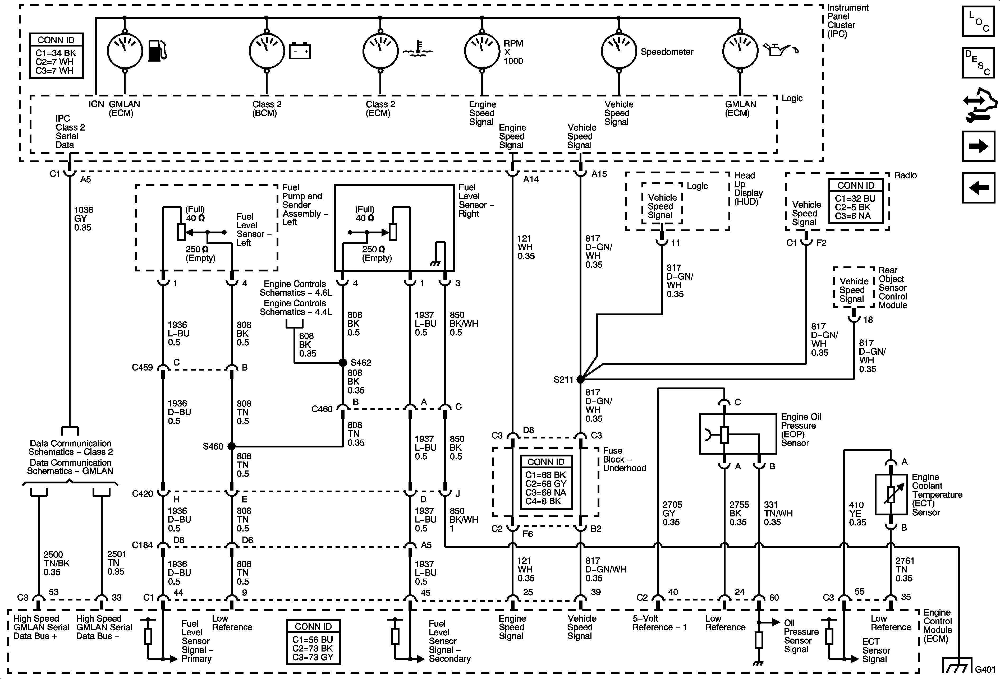
Gages
Gages
Master Electrical Component List
Instrument Cluster Description and Operation
Control Module References
Messages
Power, Ground, and Indicators
EVAP and FTP Sensor
EVAP Solenoids, and FTP Sensor
Class 2
GMLAN