GM Service Manual Online
For 1990-2009 cars only
Makes
🢒
Cadillac
🢒
2007
🢒
XLR
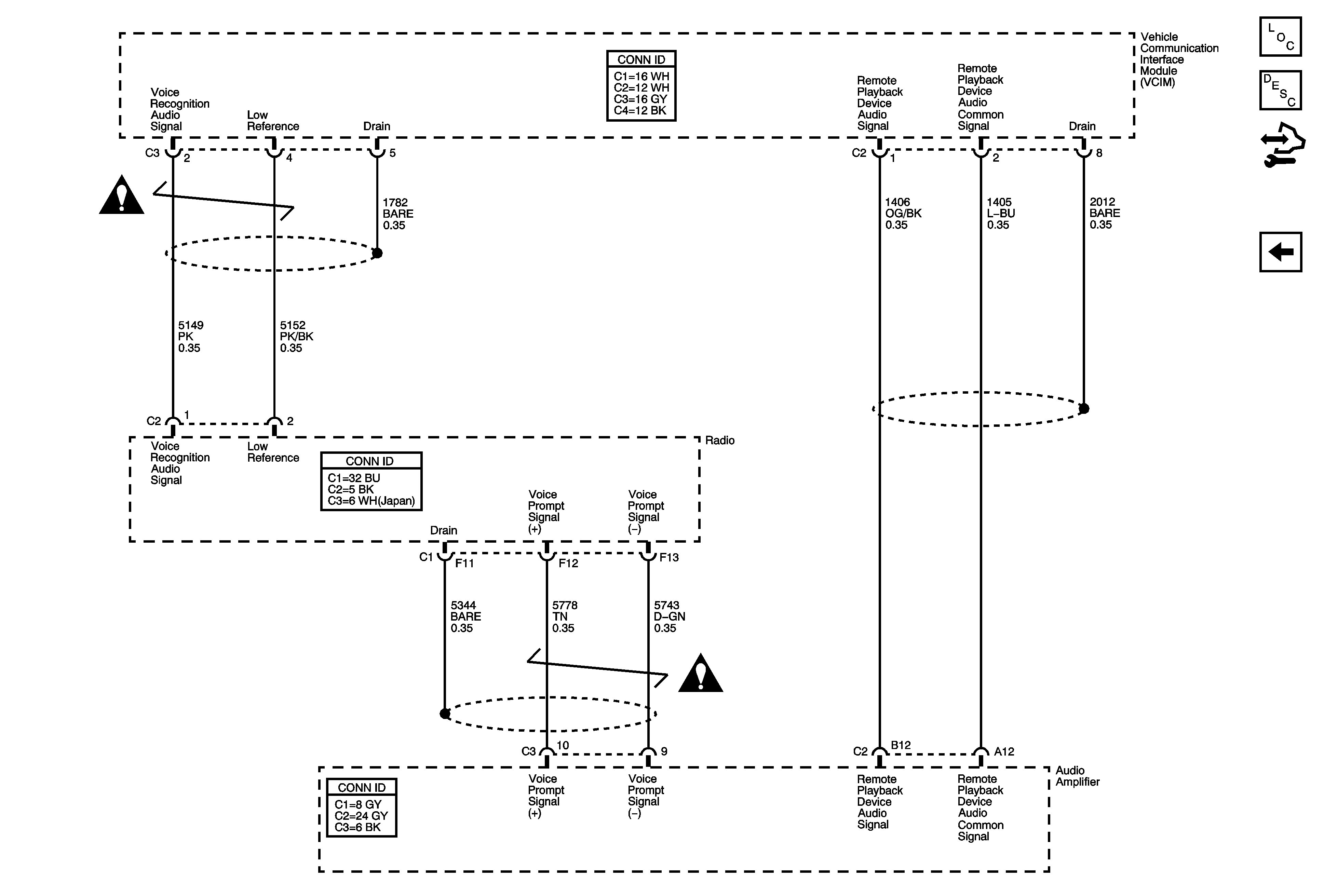
🢒 Audio Output
Audio Output
Audio Output
Master Electrical Component List
OnStar Description and Operation
Control Module References
Power, Ground, DLC, Antenna, and User Inputs
Entertainment/Communication Schematic Icons
Power, Ground, DLC, Antenna, and User Inputs
Power, Ground, DLC, Antenna, and User Inputs
Entertainment/Communication Schematic Icons