GM Service Manual Online
For 1990-2009 cars only
Makes
🢒
Cadillac
🢒
2007
🢒
XLR
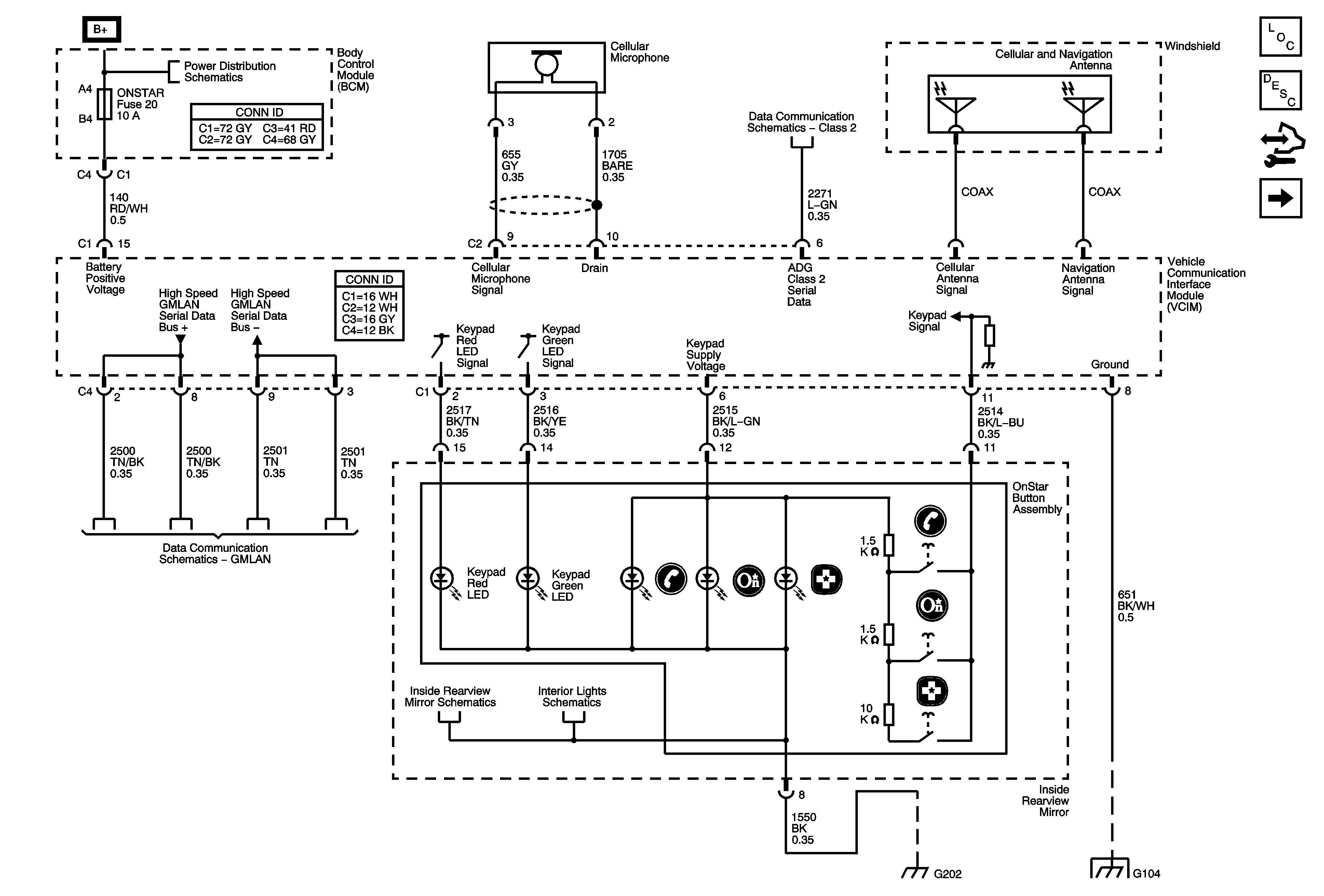
🢒 Power, Ground, DLC, Antenna, and User Inputs
Power, Ground, DLC, Antenna, and User Inputs
Power, Ground, DLC, Antenna, and User Inputs
Master Electrical Component List
OnStar Description and Operation
Control Module References
Audio Output
BATT 5, TILT/TELE/MEM SEAT MOD, ACCA/DRIV DR SW, IGNITION SW/INTR SENS, ONSTAR, PARK BRAKE SOL A Fuses, and PARK BRAKE RELEASE Relay
BATT 5, TILT/TELE/MEM SEAT MOD, ACCA/DRIV DR SW, IGNITION SW/INTR SENS, ONSTAR, PARK BRAKE SOL A Fuses, and PARK BRAKE RELEASE Relay
Audio Output
Audio Output
Class 2
GMLAN
Inside Rearview Mirror Schematics
Lamp Controls, and Courtesy, Underhood, I/P Compartment, Vanity Mirrors, Inside Rearview Mirror Lamps
G202
G104 and G106