GM Service Manual Online
For 1990-2009 cars only
Makes
🢒
Cadillac
🢒
2008
🢒
XLR
🢒
Diagnostic Navigation
🢒
Vehicle Diagnostic Information
🢒 Fog Lights Schematics
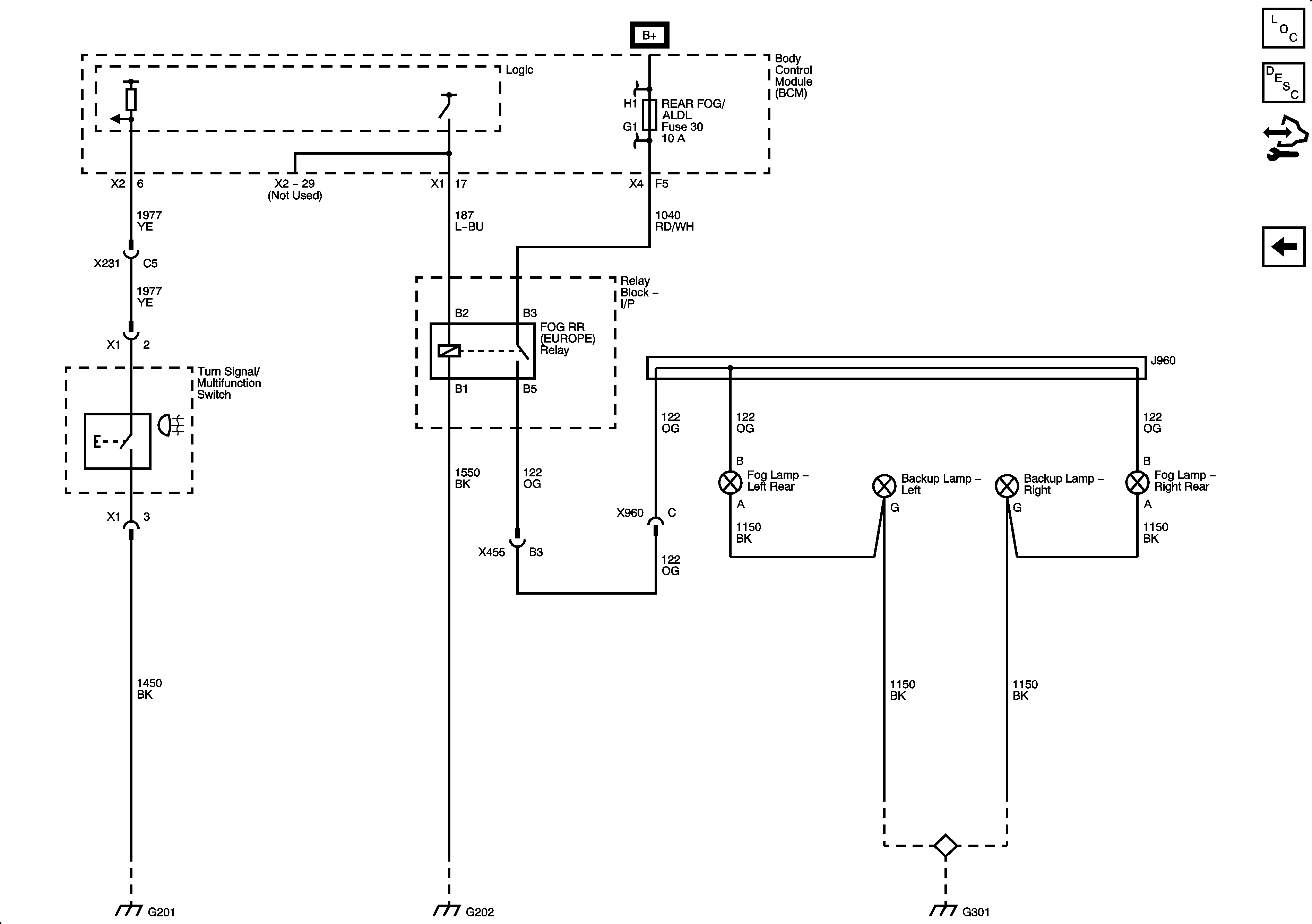
Figure
1:
Front Fog Lamps
Master Electrical Component List
Exterior Lighting Systems Description and Operation
Control Module References
Rear Fog Lamps (Europe)
Fuse Block - Underhood Bussing
G102
G201
G101
G102
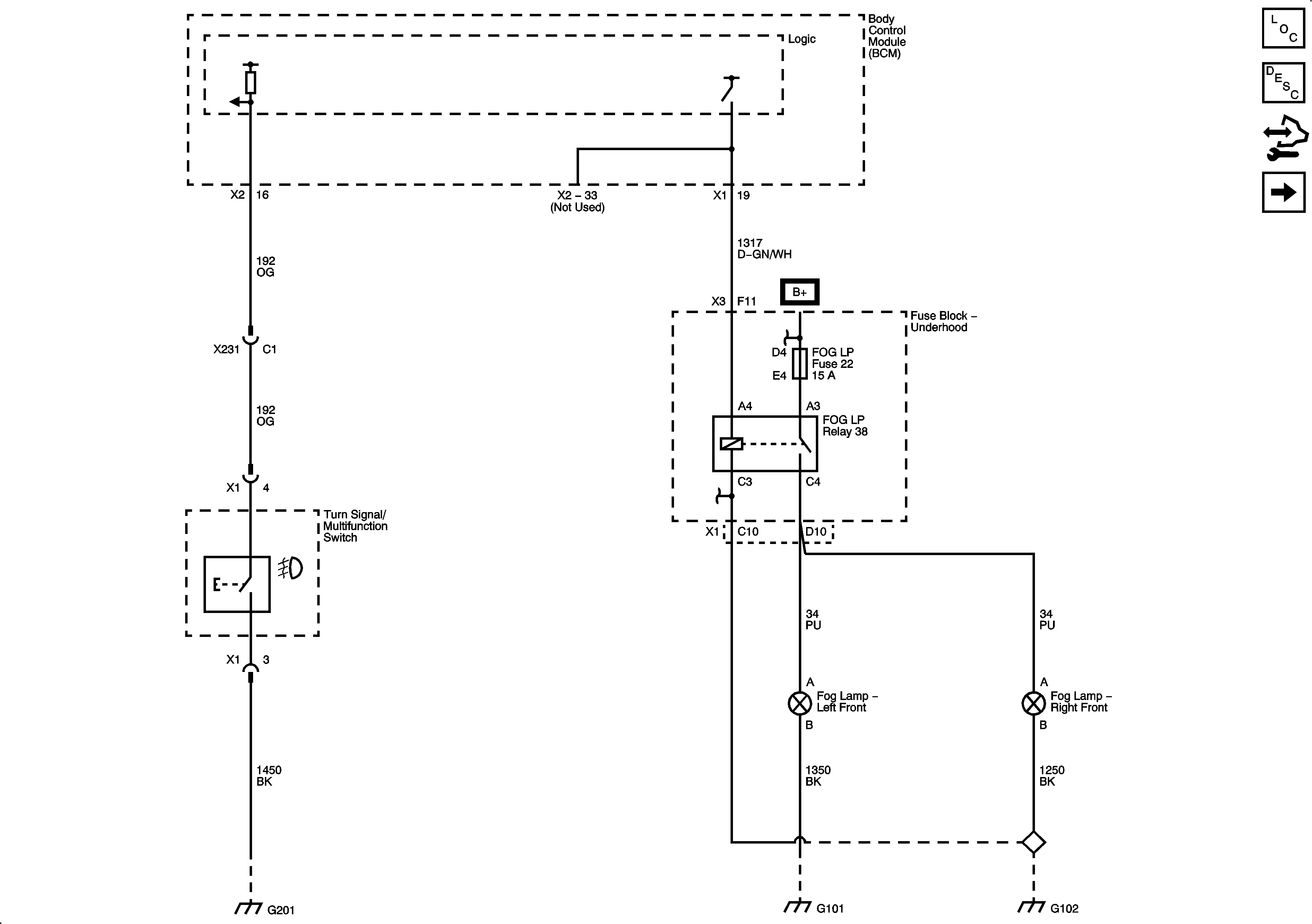
Figure
2:
Rear Fog Lamps (Europe)
Master Electrical Component List
Exterior Lighting Systems Description and Operation
Control Module References
Front Fog Lamps
BATT3, STOP/B/U/LPS, BTSI SOL/COL LOCK, RADIO, S-BAND/VICS, PWR FLDG MIR - EXT RET, REAR FOG/ALDL, REVERESE LAMPS Fuses, and REVERSE LAMP Relay
G201
G202
G301