GM Service Manual Online
For 1990-2009 cars only
Makes
🢒
Cadillac
🢒
2008
🢒
XLR
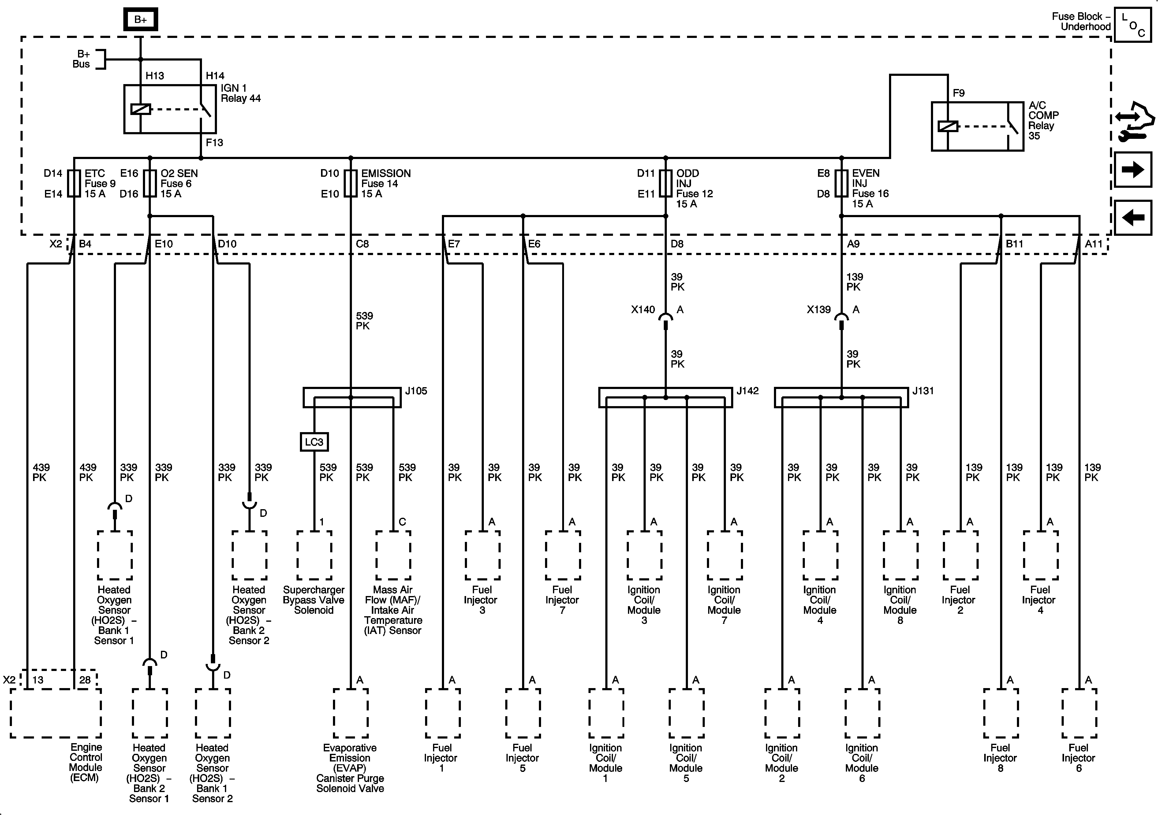
🢒 ETC, O2 SEN, EMISSION, ODD INJ, EVEN INJ Fuses, and IGN 1 Relay
ETC, O2 SEN, EMISSION, ODD INJ, EVEN INJ Fuses, and IGN 1 Relay
ETC, O2 SEN, EMISSION, ODD INJ, EVEN INJ Fuses, and IGN 1 Relay
Master Electrical Component List
Control Module References
LT HI BM, RT HI BM, LT LO BM, RT LO BM, WIPER, WIPR DWELL, RUN ACSRY PWR, STR WAL DIMMING Fuses, and HIGH BEAM, LOW BEAM, WIPER RUN/ACC, WIPER ON/OFF, WIPER HI/LO Relays
RPA/H/C SEAT/WIPR RELAYS, GMLAN DEVICES, ECM, SCMPSIR SW, ACC/TCM, and ABS/MRRTD/AFS Fuses
Fuse Block - Underhood Bussing