GM Service Manual Online
For 1990-2009 cars only

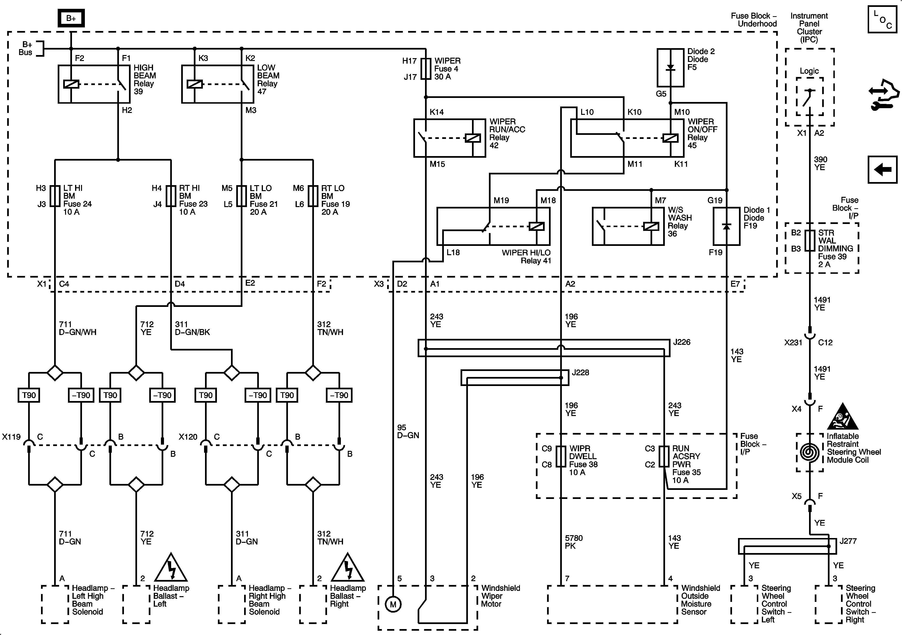
LT HI BM, RT HI BM, LT LO BM, RT LO BM, WIPER, WIPR DWELL, RUN ACSRY PWR, STR WAL DIMMING Fuses, and HIGH BEAM, LOW BEAM, WIPER RUN/ACC, WIPER ON/OFF, WIPER HI/LO Relays

LT HI BM, RT HI BM, LT LO BM, RT LO BM, WIPER, WIPR DWELL, RUN ACSRY PWR, STR WAL DIMMING Fuses, and HIGH BEAM, LOW BEAM, WIPER RUN/ACC, WIPER ON/OFF, AND WIPER HI/LO Relays


Object Number: 1899234  Size: FS
Master Electrical Component List
Control Module References
ETC, O2 SEN, EMISSION, ODD INJ, EVEN INJ Fuses, and IGN 1 Relay
Fuse Block - Underhood Bussing
Master Electrical Schematic Icons
Master Electrical Schematic Icons
Master Electrical Schematic Icons