GM Service Manual Online
For 1990-2009 cars only

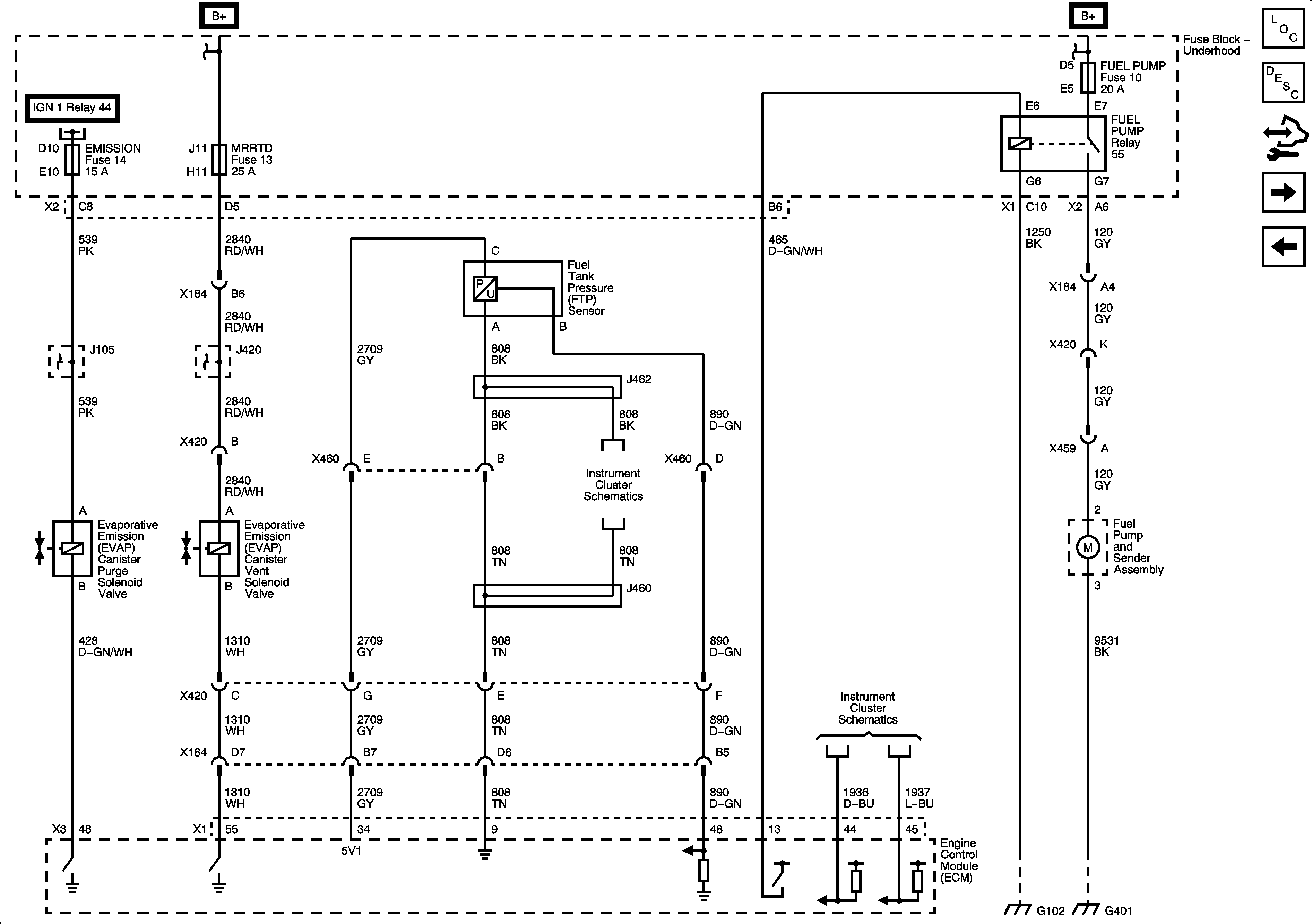
EVAP Solenoids and FTP Sensor

EVAP Solenoids, and FTP Sensor


Object Number: 1899498  Size: FS
Master Electrical Component List
Evaporative Emission Control System Description
Control Module References
Fuel Pump Controls
Fuel Injectors
Fuse Block - Underhood Bussing
Fuse Block - Underhood Bussing
ETC, O2 SEN, EMISSION, ODD INJ, EVEN INJ Fuses, and IGN 1 Relay
COOLFAN, AMP, HVAC, ABS, W/S WASH/INTERCOOL, MRRTD, ECM/TCM, HORN, and BATT2 Fuses
Gages