GM Service Manual Online
For 1990-2009 cars only

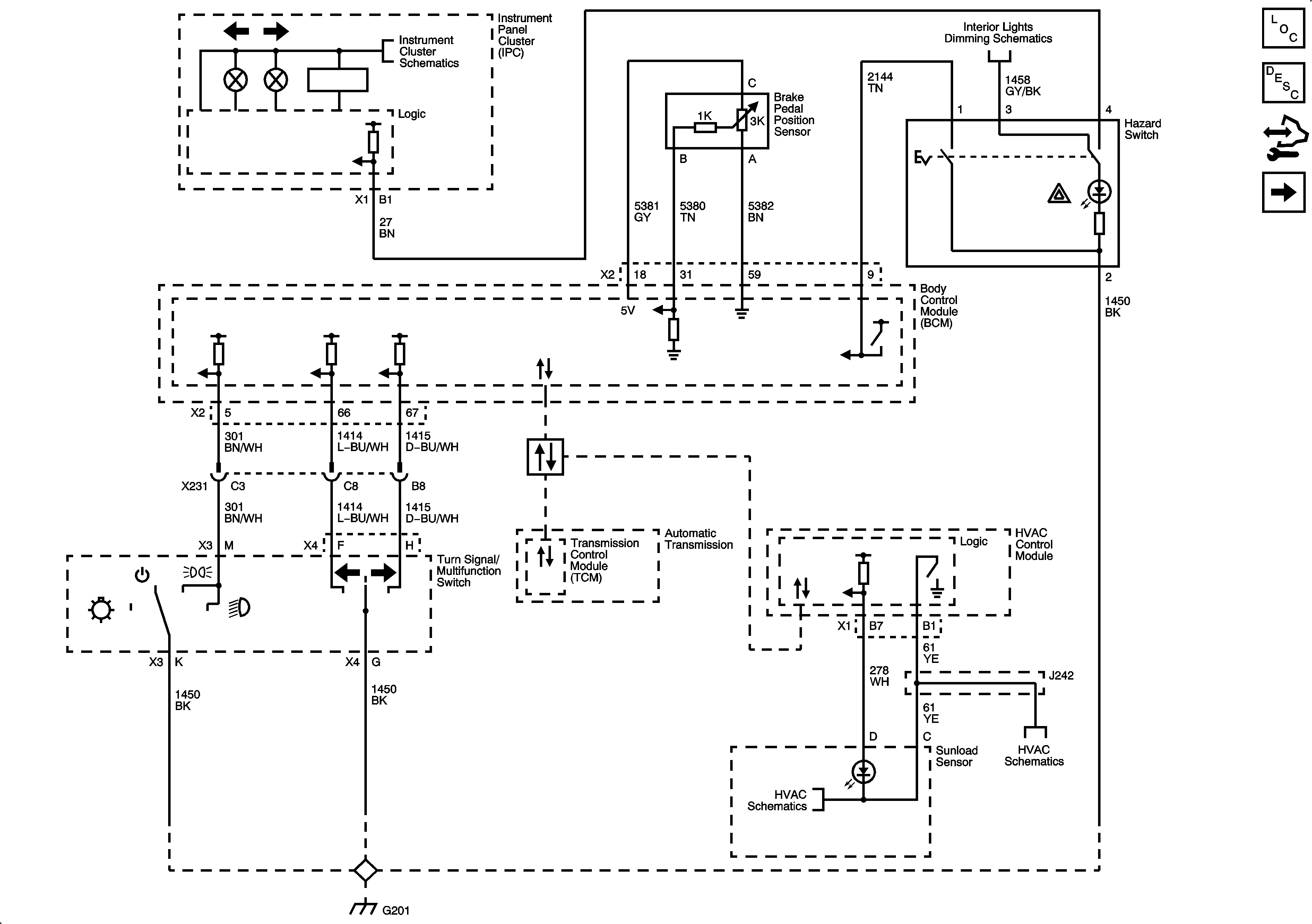
Switches

Switches


Object Number: 1899620  Size: FS
Master Electrical Component List
Exterior Lighting Systems Description and Operation
Control Module References
Park Lamps
Power, Ground, and Indicators
DLC, HVAC Control Module, Radio, and Switches
Power, Ground, and Class 2
Temperature Sensors
Temperature Sensors
G201