GM Service Manual Online
For 1990-2009 cars only

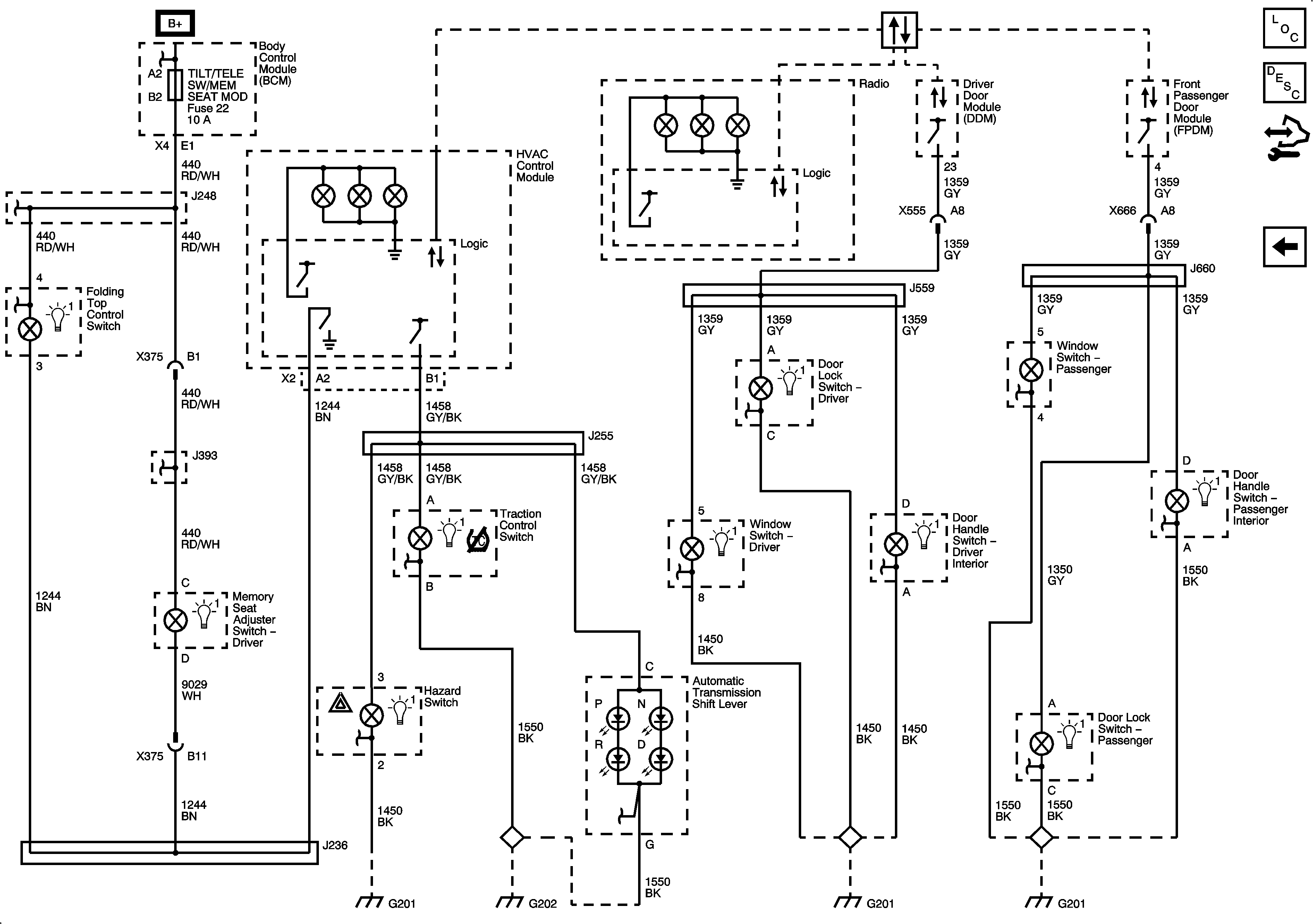
DLC, HVAC Control Module, Radio, and Switches

DLC, HVAC Control Module, Radio, and Switches


Object Number: 1899630  Size: FS
Master Electrical Component List
Interior Lighting Systems Description and Operation
Control Module References
Dimmer Controls, IPC, Switches, and DLC
BATT5, TILT/TELE SW/MEM SEAT MOD, ACCA/DRIV DR SW, IGN SW/INTR SENSR, ONSTAR, and PRK BRK SOLA Fuses
BATT5, TILT/TELE SW/MEM SEAT MOD, ACCA/DRIV DR SW, IGN SW/INTR SENSR, ONSTAR, and PRK BRK SOLA Fuses
BATT5, TILT/TELE SW/MEM SEAT MOD, ACCA/DRIV DR SW, IGN SW/INTR SENSR, ONSTAR, and PRK BRK SOLA Fuses
BATT5, TILT/TELE SW/MEM SEAT MOD, ACCA/DRIV DR SW, IGN SW/INTR SENSR, ONSTAR, and PRK BRK SOLA Fuses
Power, Ground, and Class 2
G201
G201
G202
G202
G202
G201
G201
G201
G201
G202 Continued
G202 Continued
G202 Continued
G202 Continued