GM Service Manual Online
For 1990-2009 cars only

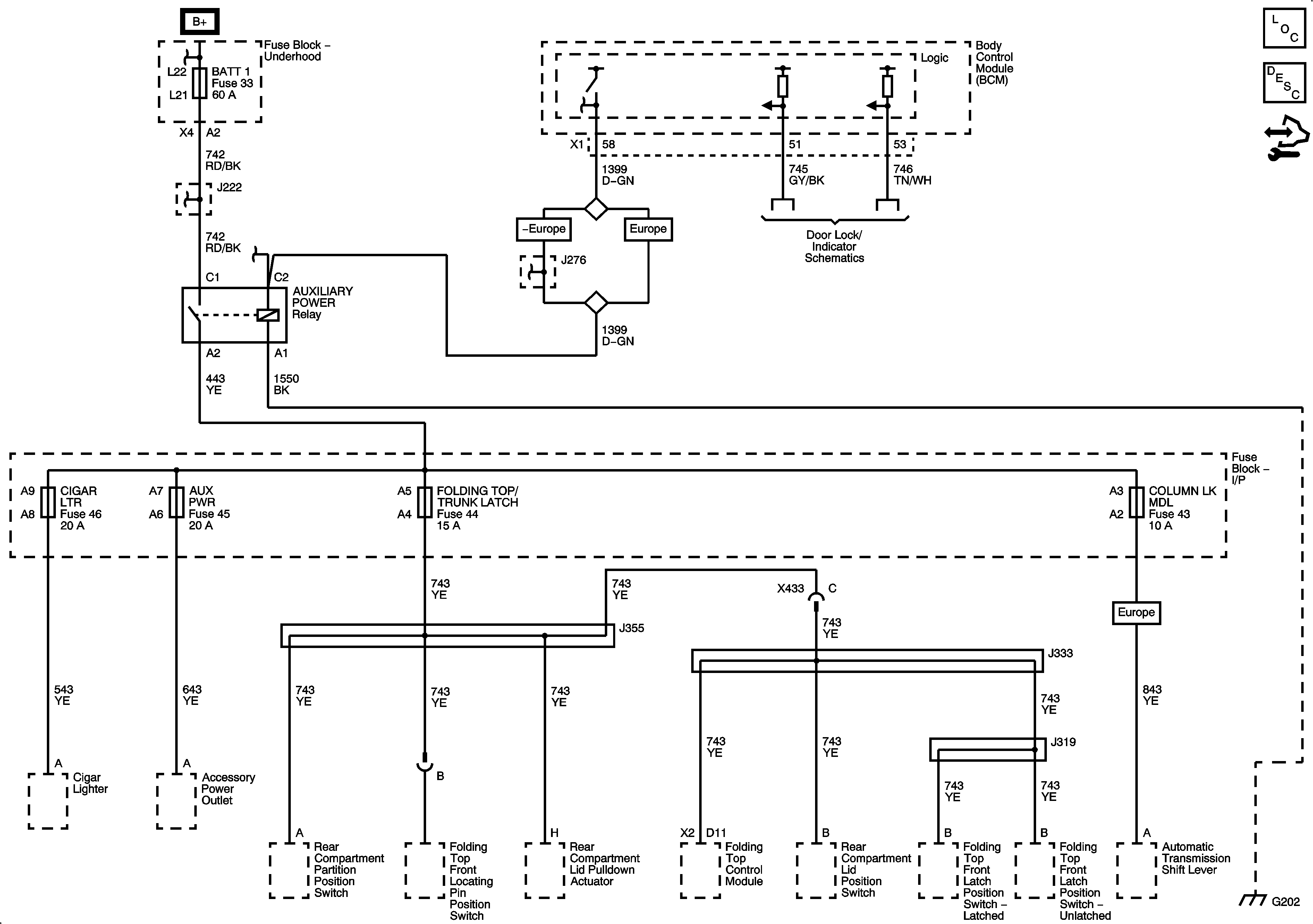
Power Moding Schematics


Object Number: 1899634  Size: FS
Master Electrical Component List
Power Mode Description and Operation
Control Module References
Fuse Block - Underhood Bussing
BATT1, HTD SEAT LH, HTD SEAT RH, PWR LUMBAR LH/RH Fuses, and DR CNTRLS, PWR SEAT Circuit Breakers
Ignition Mode Switch
Ignition Mode Switch
Ignition Mode Switch
Indicators, Messages, and Ajar/Open/Lock Switches
G202