GM Service Manual Online
For 1990-2009 cars only
Makes
🢒
Cadillac
🢒
2008
🢒
XLR
🢒 Driver
Driver
Driver
Master Electrical Component List
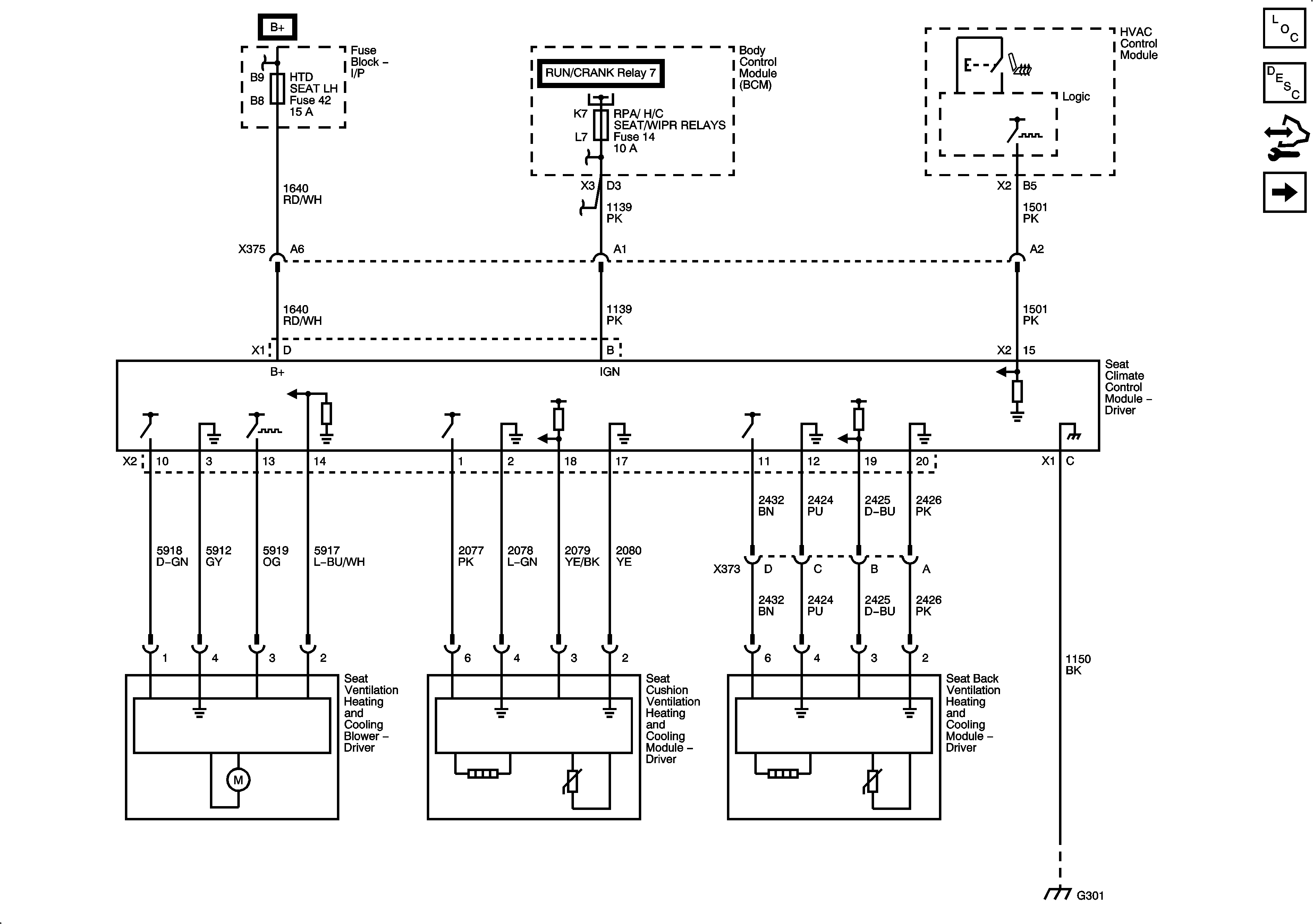
Heated/Cooled Seats Description and Operation
Control Module References
Passenger
BATT1, HTD SEAT LH, HTD SEAT RH, PWR LUMBAR LH/RH Fuses, and DR CNTRLS, PWR SEAT Circuit Breakers
CLSTR/HUD, DECK LID CLOSE/PARK/BRK B, DR LOCKS, INTERIOR LIGHTS, HVAC/PWR SND, ISRVM/HVAC, TUTD SW STRG COL SW Fuses, and RUN/CRANK Relay
RPA/H/C SEAT/WIPR RELAYS, GMLAN DEVICES, ECM, SCMPSIR SW, ACC/TCM, and ABS/MRRTD/AFS Fuses
G301