GM Service Manual Online
For 1990-2009 cars only
Figure 1:

Module Power, Ground, Serial Data, and MIL


Object Number: 2075608  Size: FS
Master Electrical Component List
Engine Control Module Description
Control Module References
5-Volt 1 and Low References
CLSTR/HUD, DECK LID CLOSE/PARK/BRK B, DR LOCKS, INTERIOR LIGHTS, HVAC/PWR SND, ISRVM/HVAC, TUTD SW STRG COL SW Fuses, and RUN/CRANK Relay
RPA/H/C SEAT/WIPR RELAYS, GMLAN DEVICES, ECM, SCMPSIR SW, ACC/TCM, and ABS/MRRTD/AFS Fuses
Fuse Block - Underhood Bussing
COOLFAN, AMP, HVAC, ABS, W/S WASH/INTERCOOL, MRRTD, ECM/TCM, HORN, and BATT2 Fuses
COOLFAN, AMP, HVAC, ABS, W/S WASH/INTERCOOL, MRRTD, ECM/TCM, HORN, and BATT2 Fuses
Fuse Block - Underhood Bussing
RPA/H/C SEAT/WIPR RELAYS, GMLAN DEVICES, ECM, SCMPSIR SW, ACC/TCM, and ABS/MRRTD/AFS Fuses
Power, Ground, and DLC
Power, Ground, and DLC
Power, Ground, and DLC
Power, Ground, and Class 2
GMLAN
G104, and G106
Figure 2:

5 Volt 1 and Low References


Object Number: 2075609  Size: FS
Master Electrical Component List
Engine Control Module Description
Control Module References
5-Volt 2 and Low References
Module Power, Ground, Serial Data, and MIL
5-Volt 2 and Low References
Figure 3:

5 Volt 2 and Low References


Object Number: 2075610  Size: FS
Master Electrical Component List
Engine Control Module Description
Control Module References
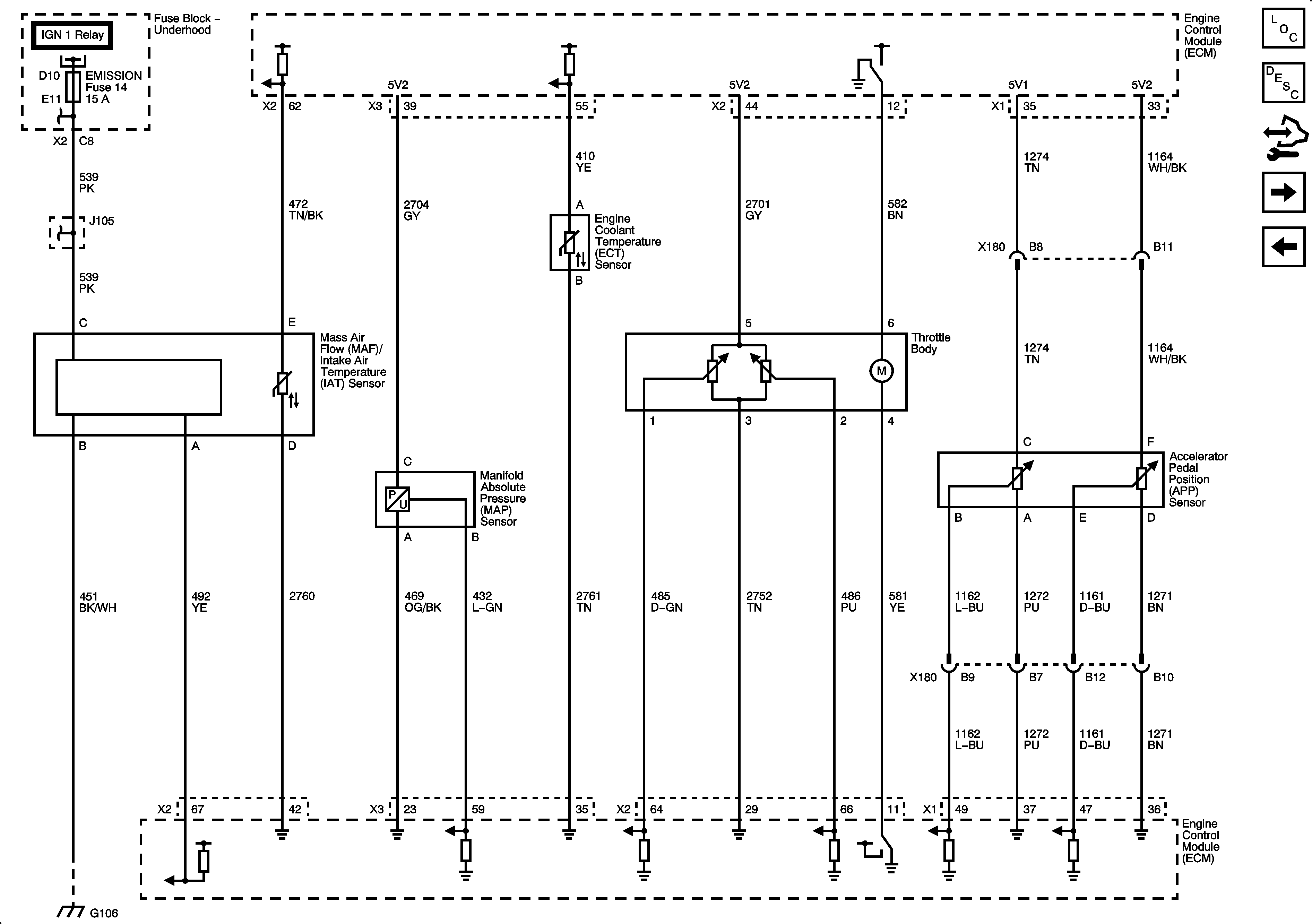
Engine Data Sensors - Pressure, Temperature, and Throttle Controls
5-Volt 1 and Low References
5-Volt 1 and Low References
Figure 4:

Engine Data Sensors - Pressure, Temperature, and Throttle Controls


Object Number: 2075612  Size: FS
Master Electrical Component List
Throttle Actuator Control (TAC) System Description
Control Module References
Engine Data Sensors - HO2S
5-Volt 2 and Low References
Module Power, Ground, Serial Data, and MIL
ETC, O2 SEN, EMISSION, ODD INJ, EVEN INJ Fuses, and IGN 1 Relay
ETC, O2 SEN, EMISSION, ODD INJ, EVEN INJ Fuses, and IGN 1 Relay
G104, and G106
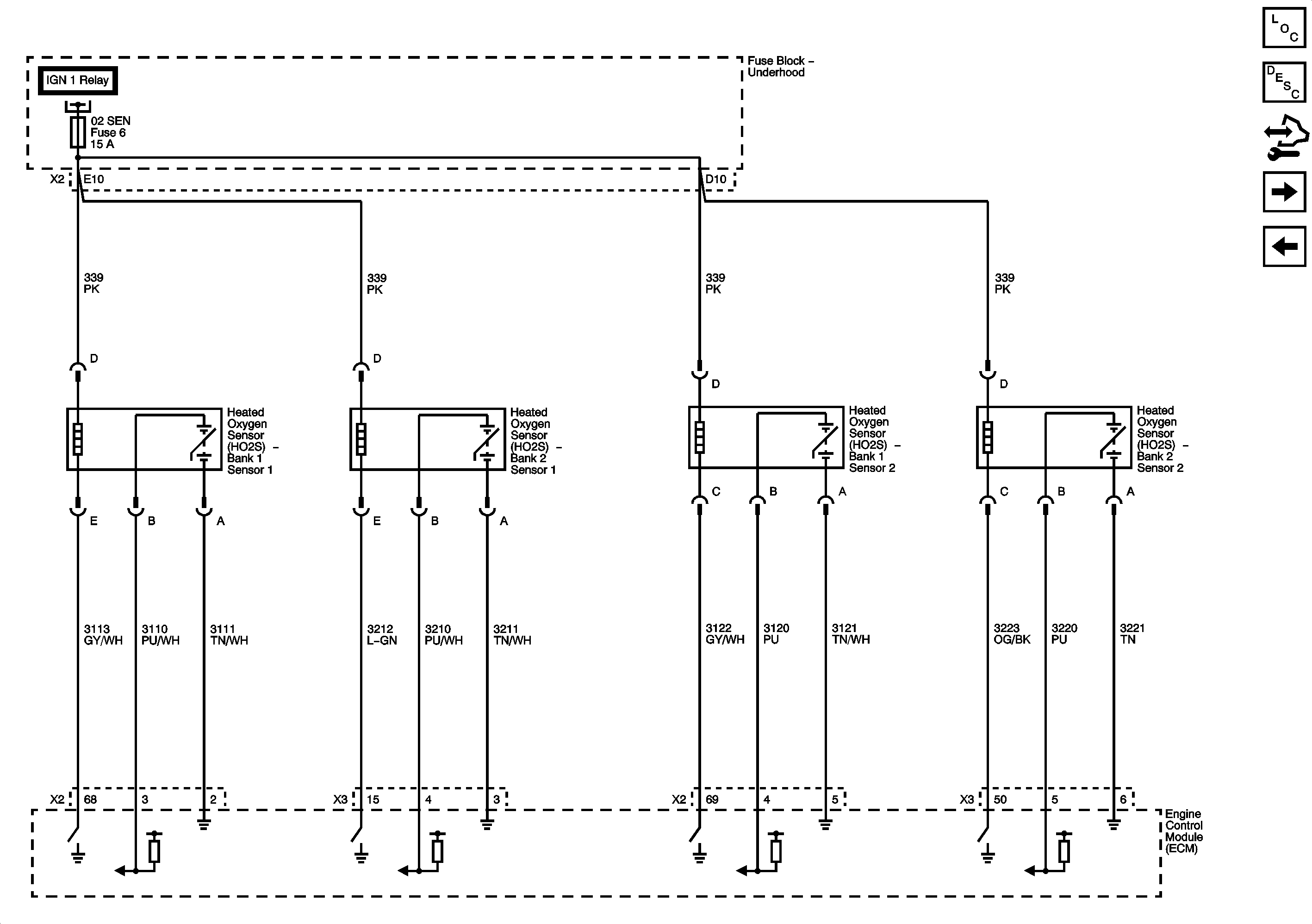
Figure 5:

Engine Data Sensors - HO2S


Object Number: 2075613  Size: FS
Master Electrical Component List
Engine Control Module Description
Control Module References
Ignition Controls - Ignition System Odd
Engine Data Sensors - Pressure, Temperature, and Throttle Controls
Module Power, Ground, Serial Data, and MIL
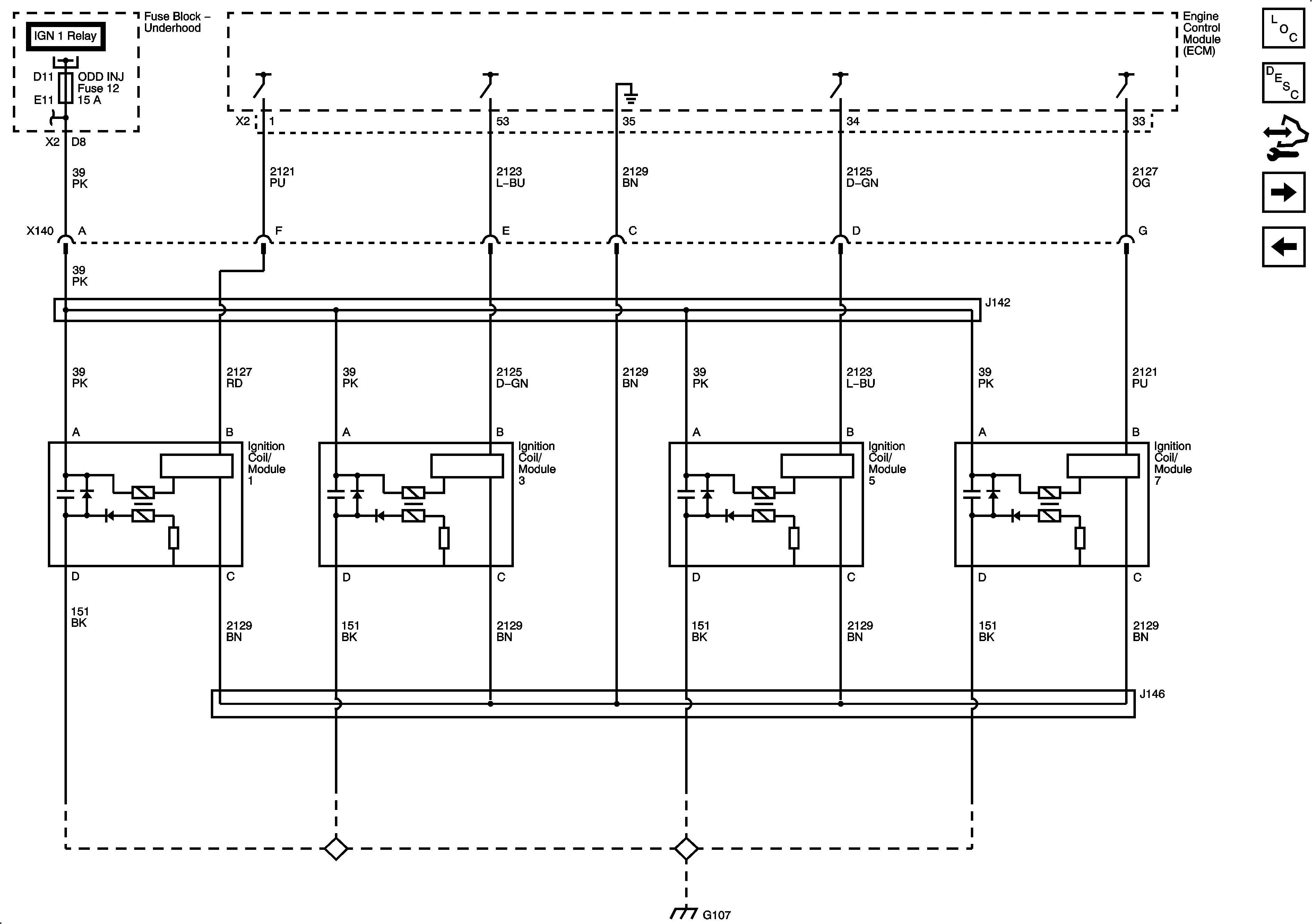
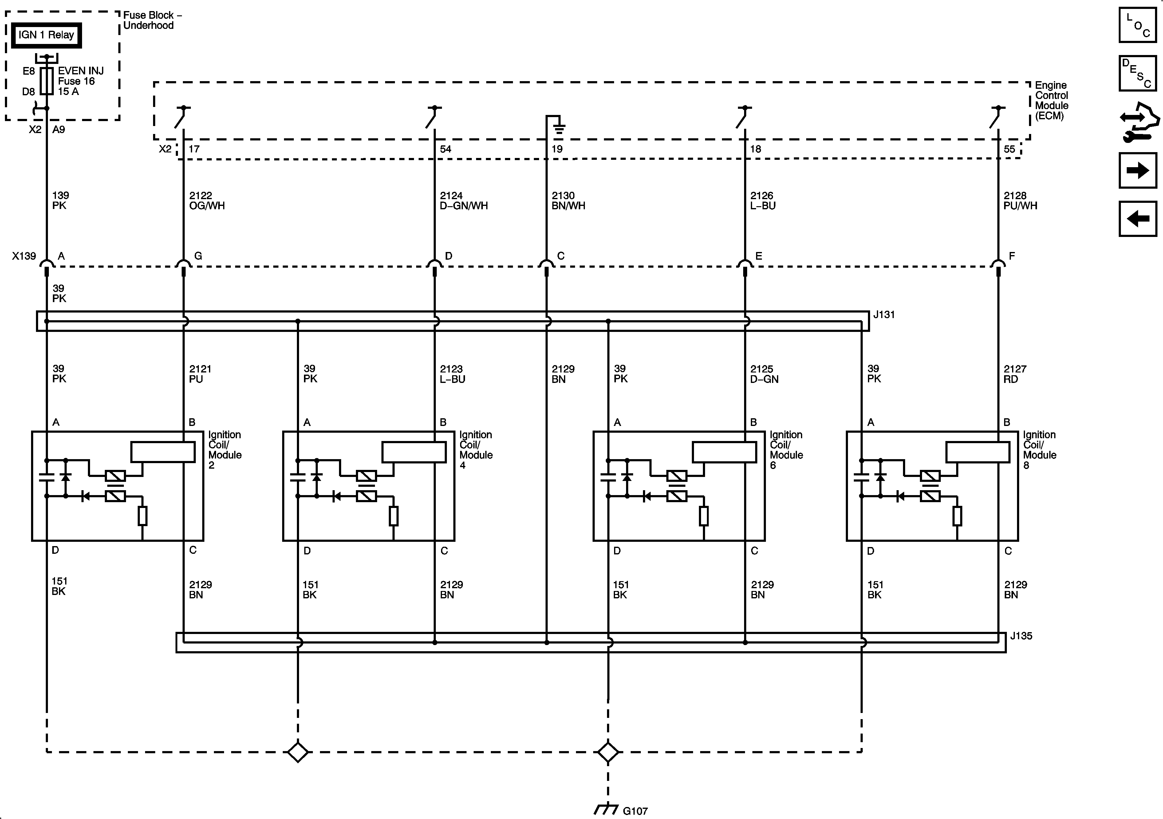
Figure 6:

Ignition Controls - Ignition System Odd


Object Number: 2075615  Size: FS
Master Electrical Component List
Electronic Ignition (EI) System Description
Control Module References
Ignition Controls - Ignition System Even
Engine Data Sensors - HO2S
Module Power, Ground, Serial Data, and MIL
ETC, O2 SEN, EMISSION, ODD INJ, EVEN INJ Fuses, and IGN 1 Relay
G105, G107, G109, G110, G111, and G112
Figure 7:

Ignition Controls - Ignition System Even


Object Number: 2075616  Size: FS
Master Electrical Component List
Electronic Ignition (EI) System Description
Control Module References
Ignition Controls - Camshaft Sensors/Actuators
Ignition Controls - Ignition System Odd
Module Power, Ground, Serial Data, and MIL
ETC, O2 SEN, EMISSION, ODD INJ, EVEN INJ Fuses, and IGN 1 Relay
G105, G107, G109, G110, G111, and G112
Figure 8:

Ignition Controls - Camshaft Sensors/Actuators


Object Number: 2075617  Size: FS
Master Electrical Component List
Camshaft Actuator System Description
Control Module References
Ignition Controls - Crankshaft/Knock Sensors
Ignition Controls - Ignition System Even
Figure 9:

Ignition Controls - Crankshaft/Knock Sensors


Object Number: 2075618  Size: FS
Master Electrical Component List
Electronic Ignition (EI) System Description
Control Module References
Fuel Controls - Fuel Injectors and Fuel Pump Controls
Ignition Controls - Camshaft Sensors/Actuators
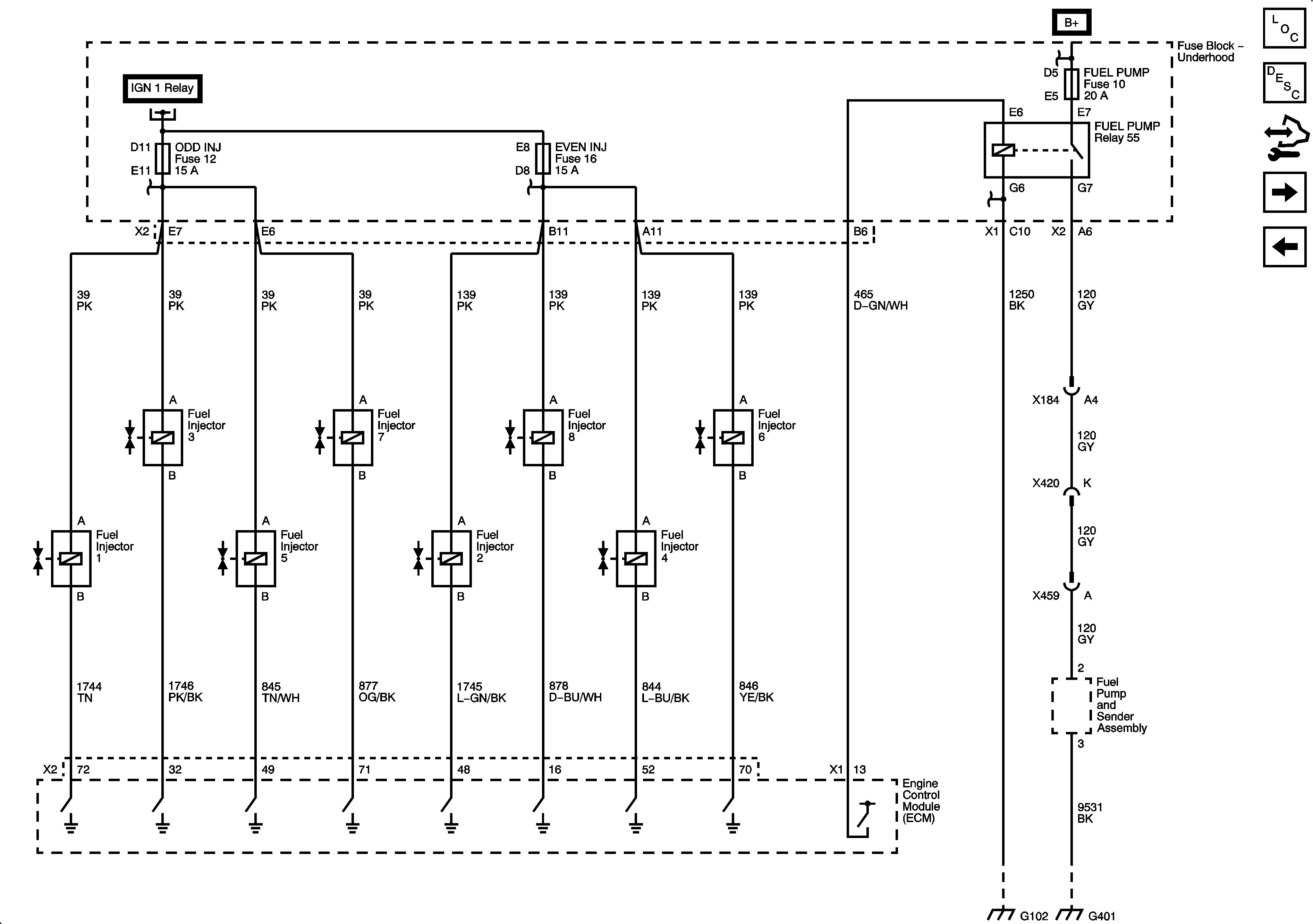
Figure 10:

Fuel Controls - Fuel Injectors and Fuel Pump Controls


Object Number: 2075619  Size: FS
Master Electrical Component List
Fuel System Description
Control Module References
CMP Sensors, and Actuators
Ignition Controls - Crankshaft/Knock Sensors
Module Power, Ground, Serial Data, and MIL
ETC, O2 SEN, EMISSION, ODD INJ, EVEN INJ Fuses, and IGN 1 Relay
ETC, O2 SEN, EMISSION, ODD INJ, EVEN INJ Fuses, and IGN 1 Relay
Fuse Block - Underhood Bussing
G102
G302, G401, and G402
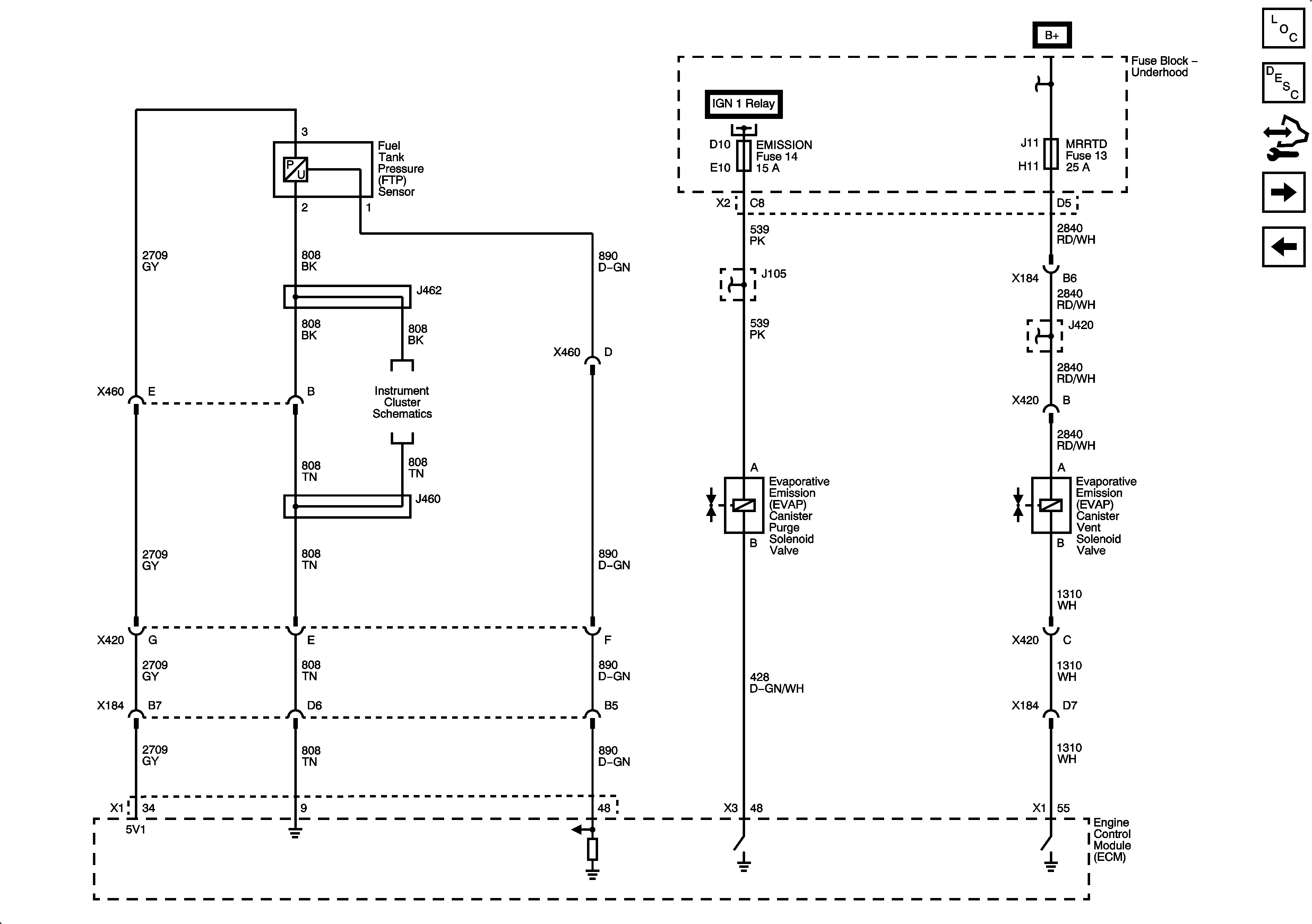
Figure 11:

Fuel Controls - EVAP Controls and Manifold Tuning


Object Number: 2075620  Size: FS
Master Electrical Component List
Evaporative Emission Control System Description
Control Module References
Supercharger Sensors, Bypass Valve, and Coolant Pump
Fuel Injectors
Module Power, Ground, Serial Data, and MIL
ETC, O2 SEN, EMISSION, ODD INJ, EVEN INJ Fuses, and IGN 1 Relay
Fuse Block - Underhood Bussing
COOLFAN, AMP, HVAC, ABS, W/S WASH/INTERCOOL, MRRTD, ECM/TCM, HORN, and BATT2 Fuses
COOLFAN, AMP, HVAC, ABS, W/S WASH/INTERCOOL, MRRTD, ECM/TCM, HORN, and BATT2 Fuses
Gages
Figure 12:

Supercharger Sensors, Bypass Valve, and Coolant Pump


Object Number: 2075621  Size: FS
Master Electrical Component List
Boost Control System Description
Control Module References
Monitored/Controlled Subsystem References
Fuel Controls - EVAP Controls and Manifold Tuning
Module Power, Ground, Serial Data, and MIL
ETC, O2 SEN, EMISSION, ODD INJ, EVEN INJ Fuses, and IGN 1 Relay
Fuse Block - Underhood Bussing
COOLFAN, AMP, HVAC, ABS, W/S WASH/INTERCOOL, MRRTD, ECM/TCM, HORN, and BATT2 Fuses
G102
Figure 13:

Monitored/Controlled Subsystem References


Object Number: 2075622  Size: FS
Master Electrical Component List
Engine Control Module Description
Control Module References
Supercharger Sensors, Bypass Valve, and Coolant Pump
Starting
A/C Compressor Controls
Engine Cooling Schematics
Engine Mechanical Schematics
Gages
Stop and License Lamps