GM Service Manual Online
For 1990-2009 cars only
Makes
🢒
Cadillac
🢒
2009
🢒
XLR
🢒
Seats
🢒
Power Seats
🢒 Driver Seat Schematics
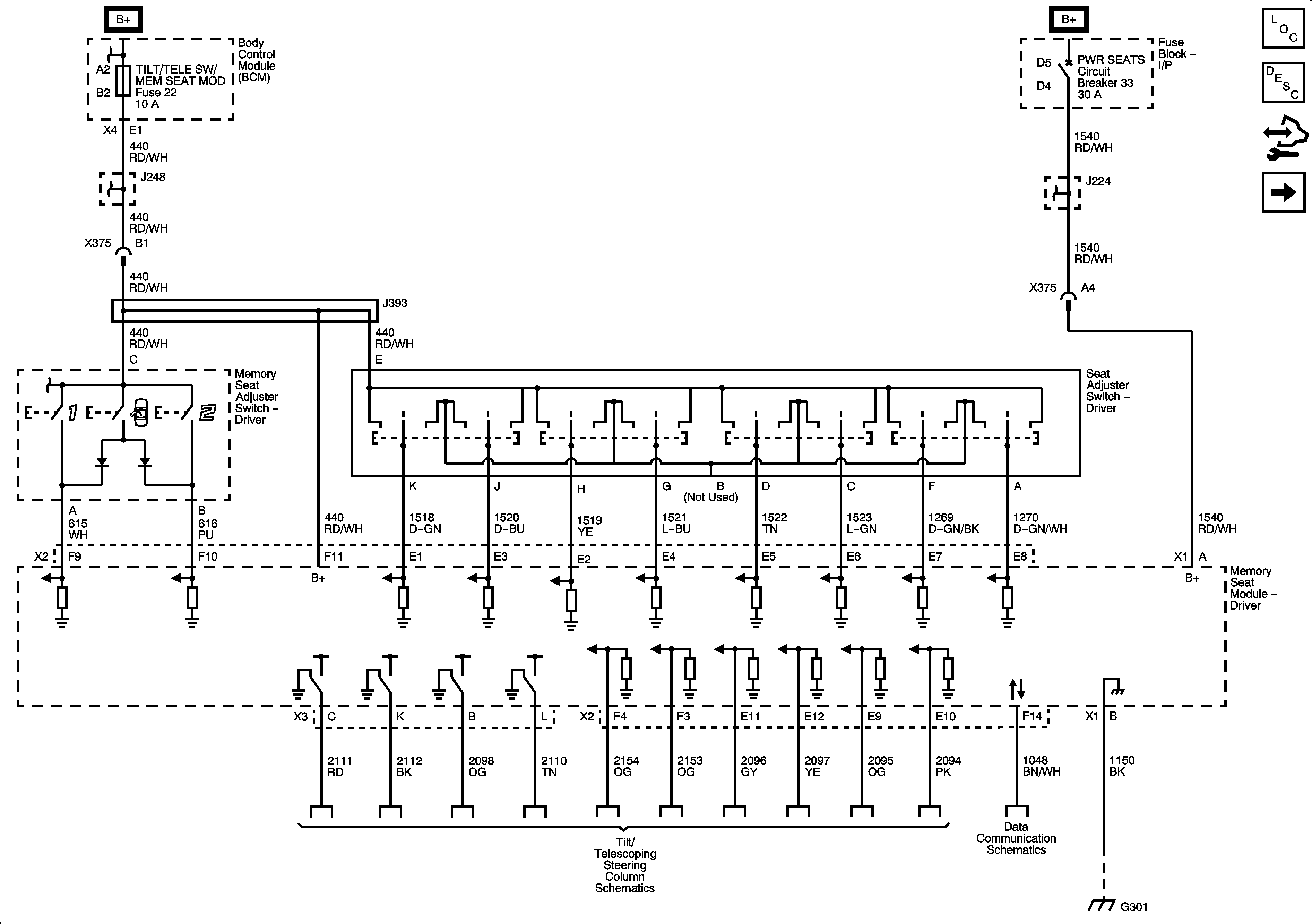
Figure
1:
Power, Ground, DLC, Switches, and References
Master Electrical Component List
Power Seats System Description and Operation
Control Module References
Motors
BATT5, TILT/TELE SW/MEM SEAT MOD, ACCA/DRIV DR SW, IGN SW/INTR SENSR, ONSTAR, and PRK BRK SOLA Fuses
BATT5, TILT/TELE SW/MEM SEAT MOD, ACCA/DRIV DR SW, IGN SW/INTR SENSR, ONSTAR, and PRK BRK SOLA Fuses
BATT5, TILT/TELE SW/MEM SEAT MOD, ACCA/DRIV DR SW, IGN SW/INTR SENSR, ONSTAR, and PRK BRK SOLA Fuses
BATT1, HTD SEAT LH, HTD SEAT RH, PWR LUMBAR LH/RH Fuses, and DR CNTRLS, PWR SEAT Circuit Breakers
BATT1, HTD SEAT LH, HTD SEAT RH, PWR LUMBAR LH/RH Fuses, and DR CNTRLS, PWR SEAT Circuit Breakers
Tilt/Telescoping Steering Column Schematics
Power, Ground, and Class 2
G301
Figure
2:
Motors
Master Electrical Component List
Memory Seats Description and Operation
Control Module References
Lumbar Support
Power, Ground, DLC, Switches, and References
Tilt/Telescoping Steering Column Schematics
Tilt/Telescoping Steering Column Schematics
Figure
3:
Lumbar Support
Master Electrical Component List
Lumbar Support Description and Operation
Control Module References
Motors
BATT1, HTD SEAT LH, HTD SEAT RH, PWR LUMBAR LH/RH Fuses, and DR CNTRLS, PWR SEAT Circuit Breakers
BATT1, HTD SEAT LH, HTD SEAT RH, PWR LUMBAR LH/RH Fuses, and DR CNTRLS, PWR SEAT Circuit Breakers
G301