GM Service Manual Online
For 1990-2009 cars only
Makes
🢒
Chevrolet
🢒
2000
🢒
Alero Export
🢒
Body and Accessories
🢒
Stationary Windows
🢒 Defogger Schematics
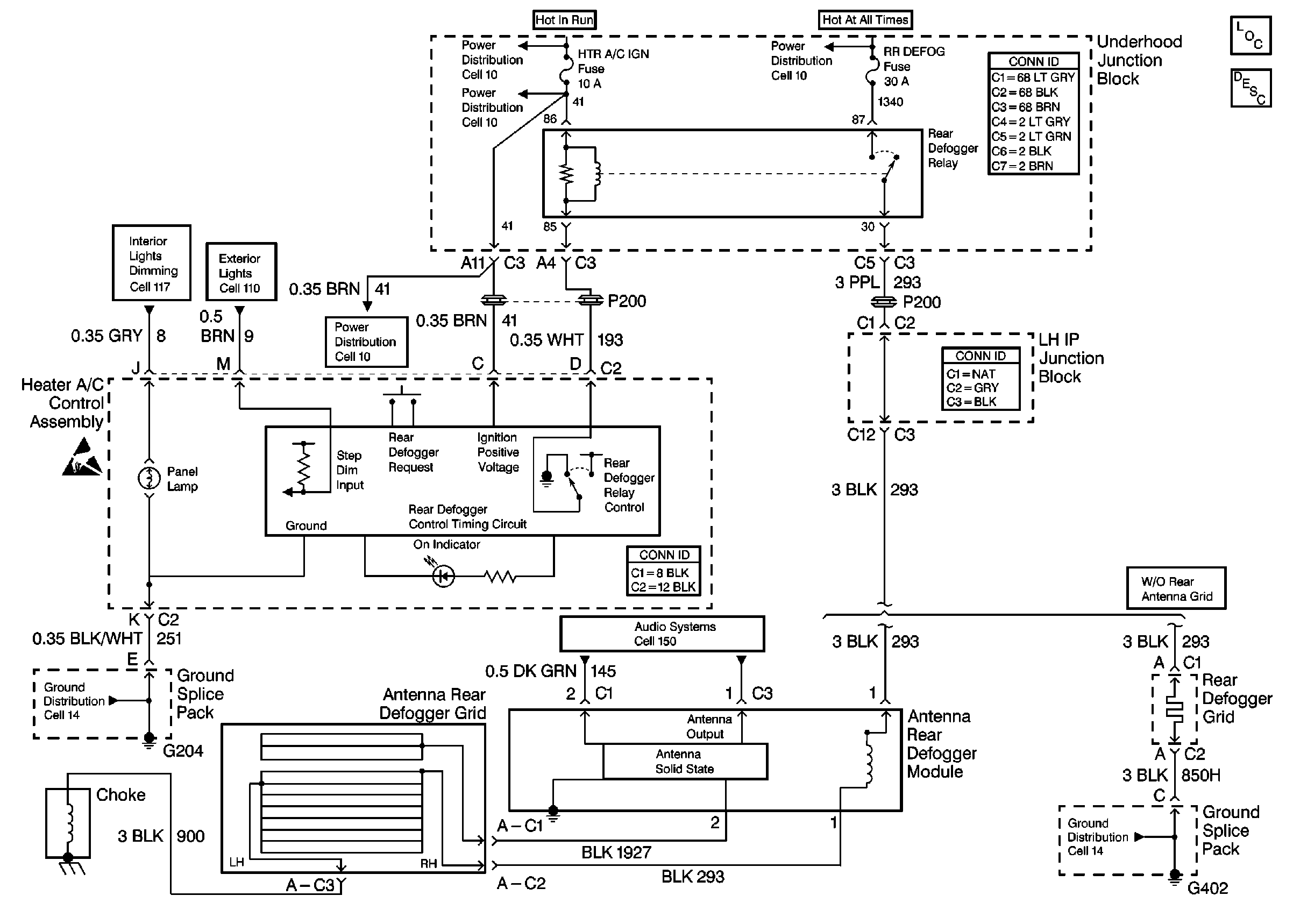
Rear Window Defogger
Stationary Windows Components
Rear Window Defogger Circuit Description
Handling Electrostatic Discharge Sensitive Parts Notice
Power Distribution Schematics
Power Distribution Schematics
Power Distribution Schematics
Power Distribution Schematics
Ground Distribution Schematics
Ground Distribution Schematics
Instrument Panel Dimmer Switch and Lamp Dimmer Module
Right Rear Lamp Assembly and Hazard Switch
Radio/Audio System Schematics