GM Service Manual Online
For 1990-2009 cars only
Makes
🢒
Chevrolet
🢒
2001
🢒
Alero Export
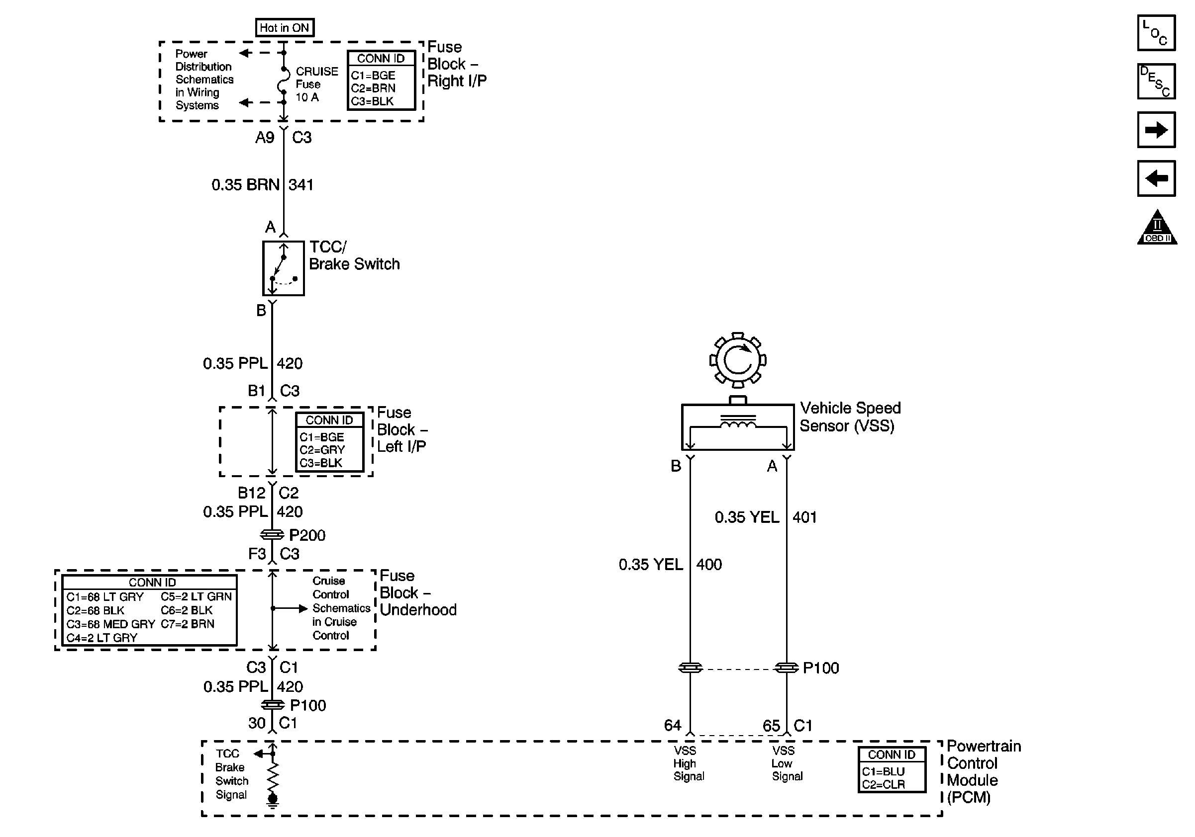
🢒 Power, Cruise Control Brake Switch, VSS
Power, Cruise Control Brake Switch, VSS
Power, Cruise Control Brake Switch, VSS
Master Electrical Component List
Powertrain Control Module Description
PCM General References
Generator, PNP, Oil, Indicators, and IAC
OBD II Symbol Description Notice
PWR WNDWS Circuit Breaker, CRUISE SW, Cruise, SUNROOF, HVAC BLOWERFuses
Cruise Control Module