GM Service Manual Online
For 1990-2009 cars only
Makes
🢒
Chevrolet
🢒
1997
🢒
Astro - 2WD
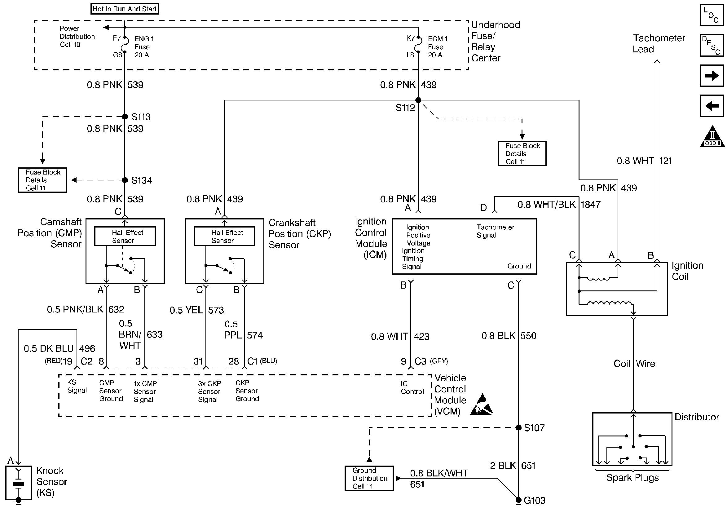
🢒 Camshaft, Crankshaft, and Ignition
Camshaft, Crankshaft, and Ignition
Camshaft, Crankshaft, and Ignition
Handling ESD Sensitive Parts Notice
Engine Controls Components
Information Sensors 4.3L, 5.0L
Fuel System
Power and Ground DLC
OBD II Symbol Description Notice