GM Service Manual Online
For 1990-2009 cars only
Makes
🢒
Chevrolet
🢒
1997
🢒
Astro - 2WD
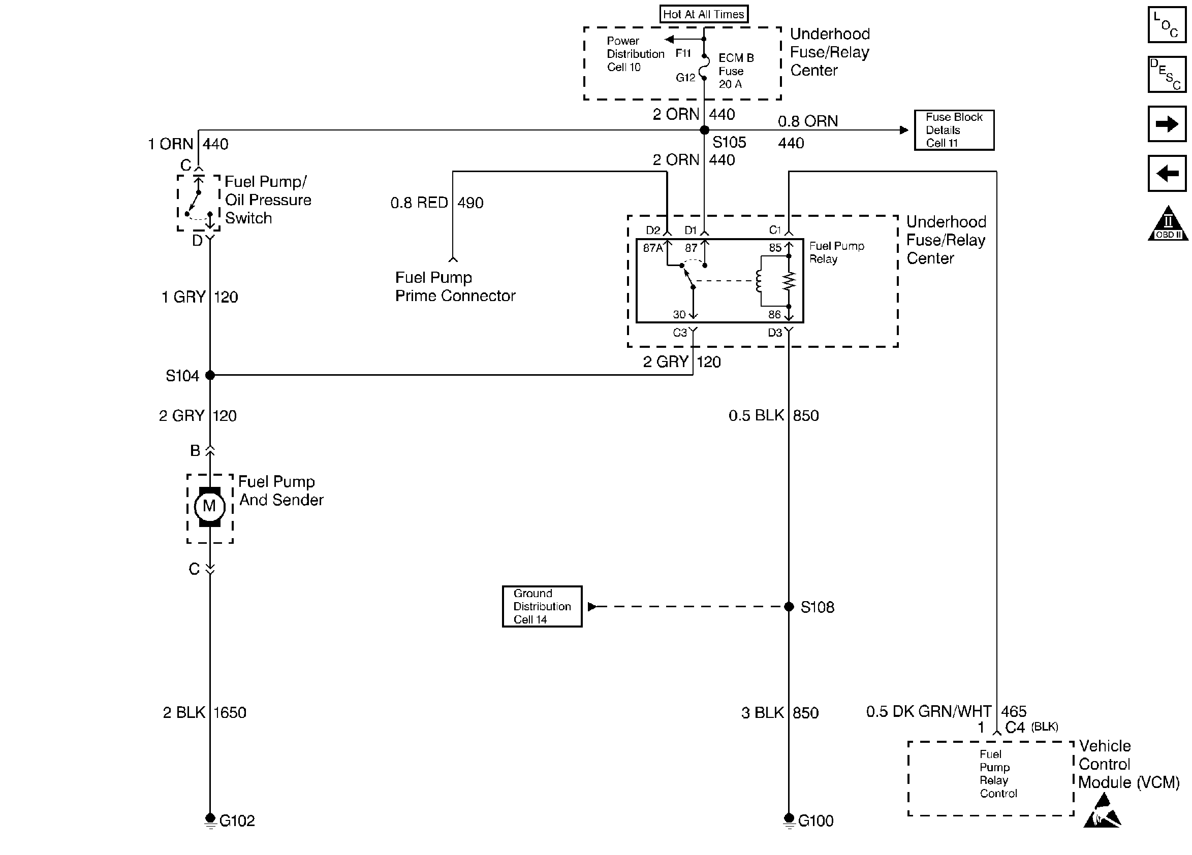
🢒 Fuel System
Fuel System
Fuel System
Handling ESD Sensitive Parts Notice
Information Sensors 4.3L, 5.0L
Engine Controls Components
Fuel Injector
Camshaft, Crankshaft, and Ignition
OBD II Symbol Description Notice