GM Service Manual Online
For 1990-2009 cars only
Makes
🢒
Chevrolet
🢒
1997
🢒
Astro - 2WD
🢒 Emission Controls
Emission Controls
Emission Controls
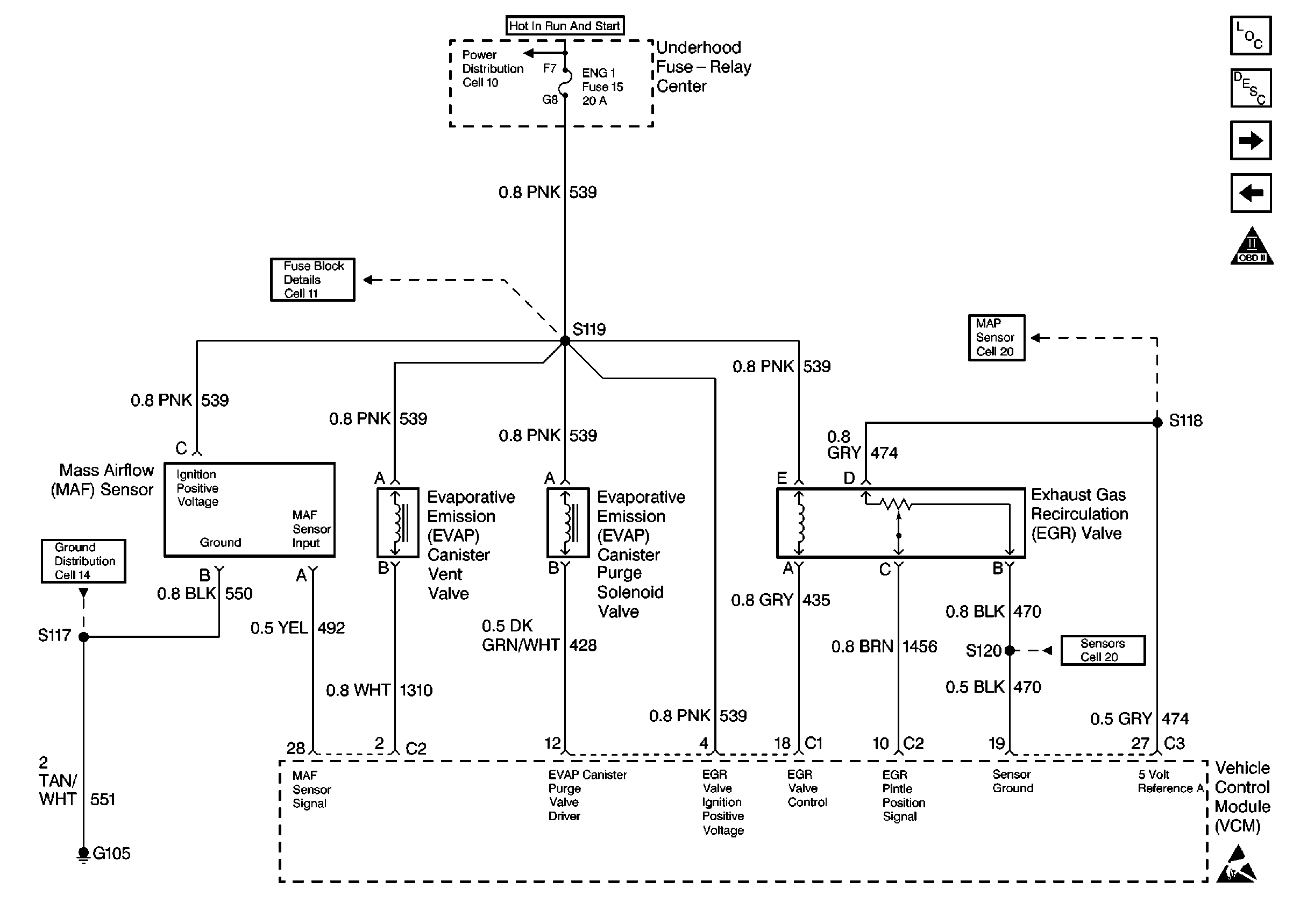
Engine Controls Components
Evaporative Emission Control System System Components
Oxygen Sensor
Fuel Mixture Input Controls
OBD II ICON
Fuel Mixture Input Controls