GM Service Manual Online
For 1990-2009 cars only
Makes
🢒
Chevrolet
🢒
1997
🢒
Astro - 2WD
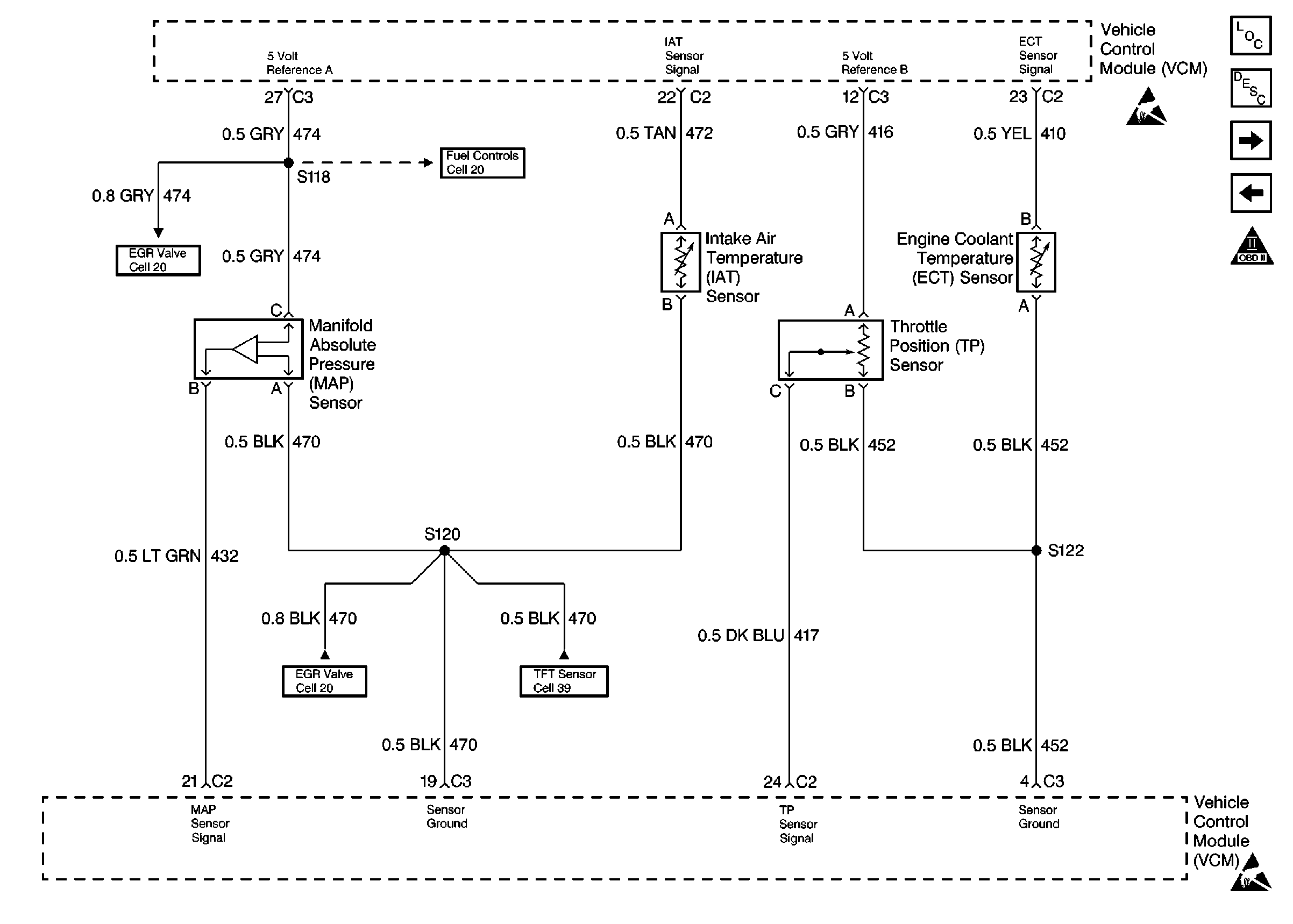
🢒 Fuel Mixture Input Controls
Fuel Mixture Input Controls
Fuel Mixture Input Controls
Engine Controls Components
Fuel System Central SFI
Emission Controls
Fuel Injector Controls
OBD II ICON
Emission Controls
Transmission Switch Input Controls
Transmission Switch Input controls
Fuel Controls