GM Service Manual Online
For 1990-2009 cars only
Makes
🢒
Chevrolet
🢒
1997
🢒
Astro - 2WD
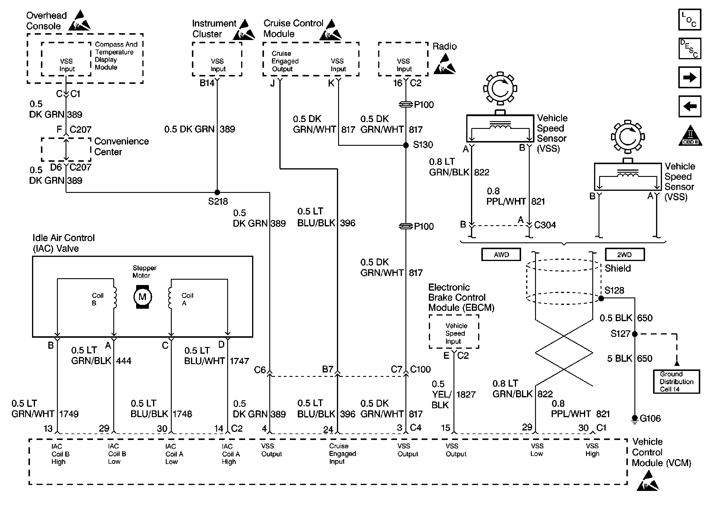
🢒 Speed and Cruise Controls
Speed and Cruise Controls
Speed and Cruise Controls
Engine Controls Components
Transmission Shift Controls
Oxygen Sensor
OBD II ICON