GM Service Manual Online
For 1990-2009 cars only
Makes
🢒
Chevrolet
🢒
1998
🢒
Astro - 2WD
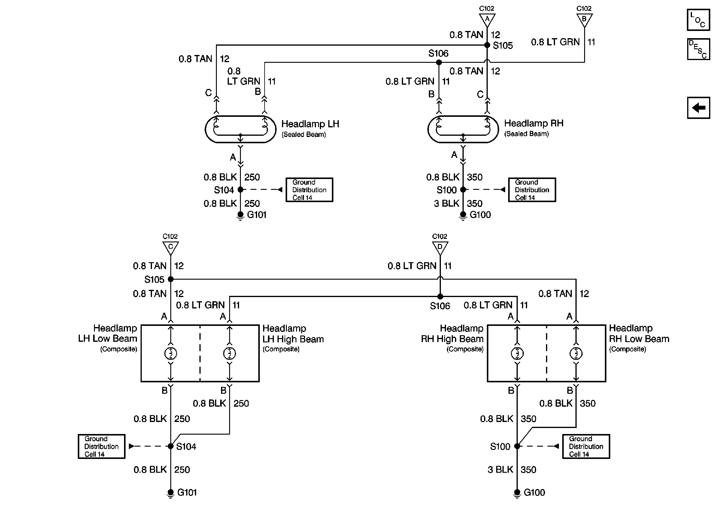
🢒 Headlamps
Headlamps
Headlamps
Lighting Systems Components
Headlights/Daytime Running Lights (DRL) Circuit Description
Headlamp Controls
Cell 14 (G108, G106, G101)
Cell 14 (G108, G106, G101)
Cell 14 (G102, G103, G100)
Cell 14 (G102, G103, G100)
Headlamp Controls
Headlamp Controls
Headlamp Controls
Headlamp Controls