GM Service Manual Online
For 1990-2009 cars only
Makes
🢒
Chevrolet
🢒
1998
🢒
Astro - 2WD
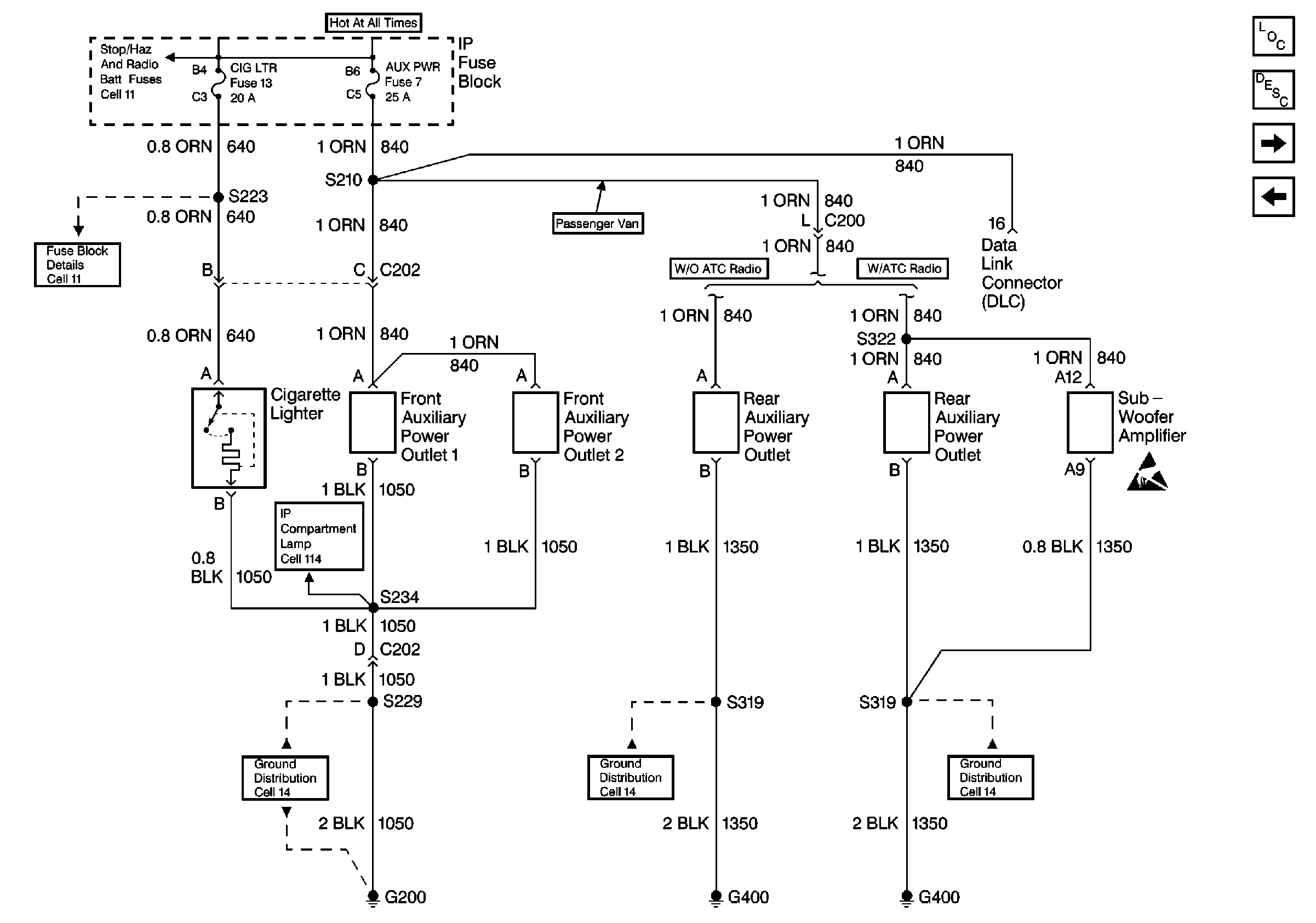
🢒 Cell 114 (IP Fuse Block, Cigarette Lighter, Front Auxiliary Power Outlet#1, Rear Auxiliary Power Outlet, Sub-Woofer Amplified)
Cell 114 (IP Fuse Block, Cigarette Lighter, Front Auxiliary Power Outlet#1, Rear Auxiliary Power Outlet, Sub-Woofer Amplified)
Cell 114 (IP Fuse Block, Cigarette Lighter, Front Auxiliary Power Outlet #1, Rear Auxiliary Power Outlet, Sub-Woofer Amplified)
Lighting Systems Components
Interior Lights Circuit Description
Cell 114 (IP Fuse Block, Headlamp and Panel Dimmer Switch, RH Power Door Lock Switch, Rear Radio Control Module, Outside Rearview Mirror Control Switch)
Cell 114 (RH Vanity Lamp, Convenience Center)
Handling ESD Sensitive Parts Notice
LH Front Seat
LH Front Seat
Cell 14 (G200)
B+ Bus
B+ Bus
Cell 114 Front Dome/Reading Lamps, Front Dome Lamp, Overhead Console)