GM Service Manual Online
For 1990-2009 cars only
Makes
🢒
Chevrolet
🢒
1998
🢒
Astro - 2WD
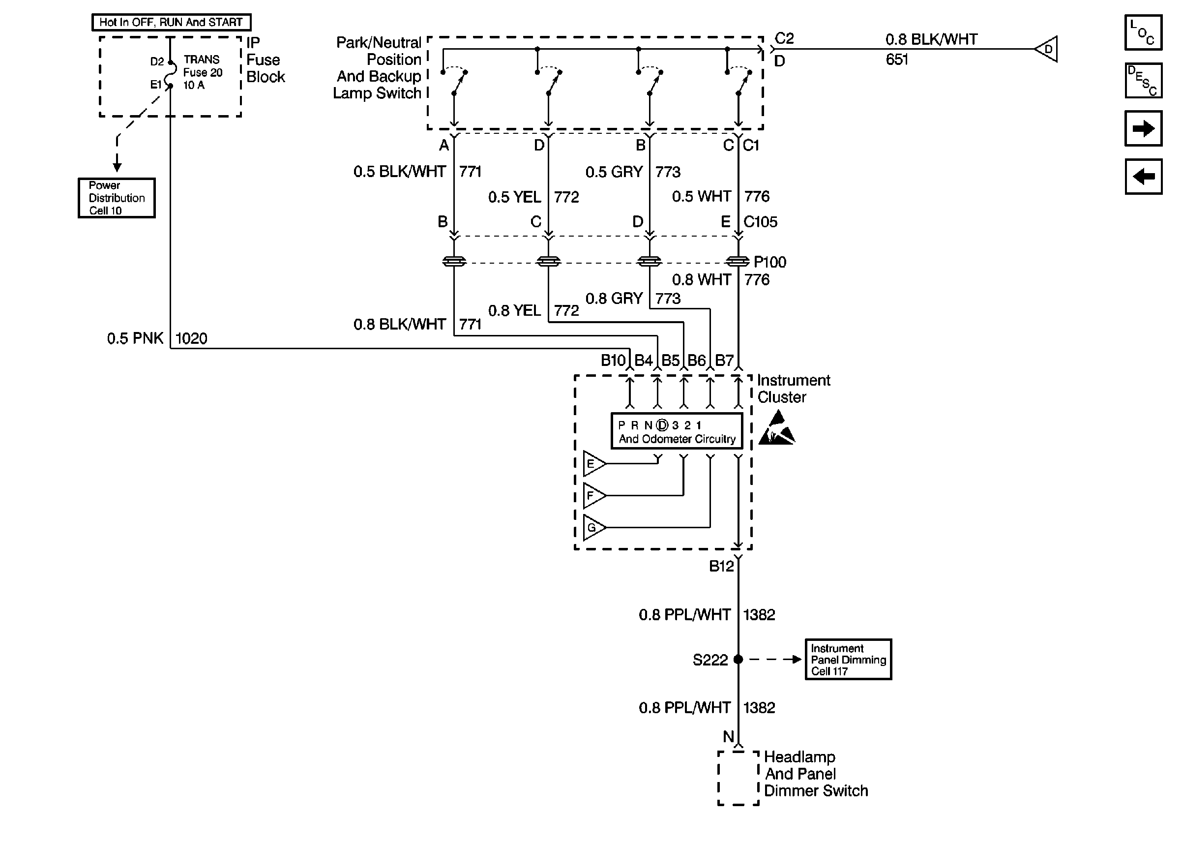
🢒 Cell 81 (IP Fuse Block, Park/Neutral Position and Backup Lamp Switch, Headlamp and Panel Dimmer Switch)
Cell 81 (IP Fuse Block, Park/Neutral Position and Backup Lamp Switch, Headlamp and Panel Dimmer Switch)
Cell 81 (IP Fuse Block, Park/Neutral Position and Backup Lamp Switch, Headlamp and Panel Dimmer Switch)
Instrument Cluster Components
Instrument Cluster Circuit Description
Cell 81 (IP Fuse Block, Instrument Cluster)
Cell 81 (Instrument Cluster, Vehicle Control Module, Fuel Pump and Sender, Overhead Console)
TURN-B/U, TRANS Fuses, and WINDOWS Circuit Breaker
Cell 84 Electronic Compass with Temperature Display
Handling ESD Sensitive Parts Notice
Cell 81 (Instrument Cluster, Vehicle Control Module, Fuel Pump and Sender, Overhead Console)