GM Service Manual Online
For 1990-2009 cars only
Makes
🢒
Chevrolet
🢒
1998
🢒
Astro - 2WD
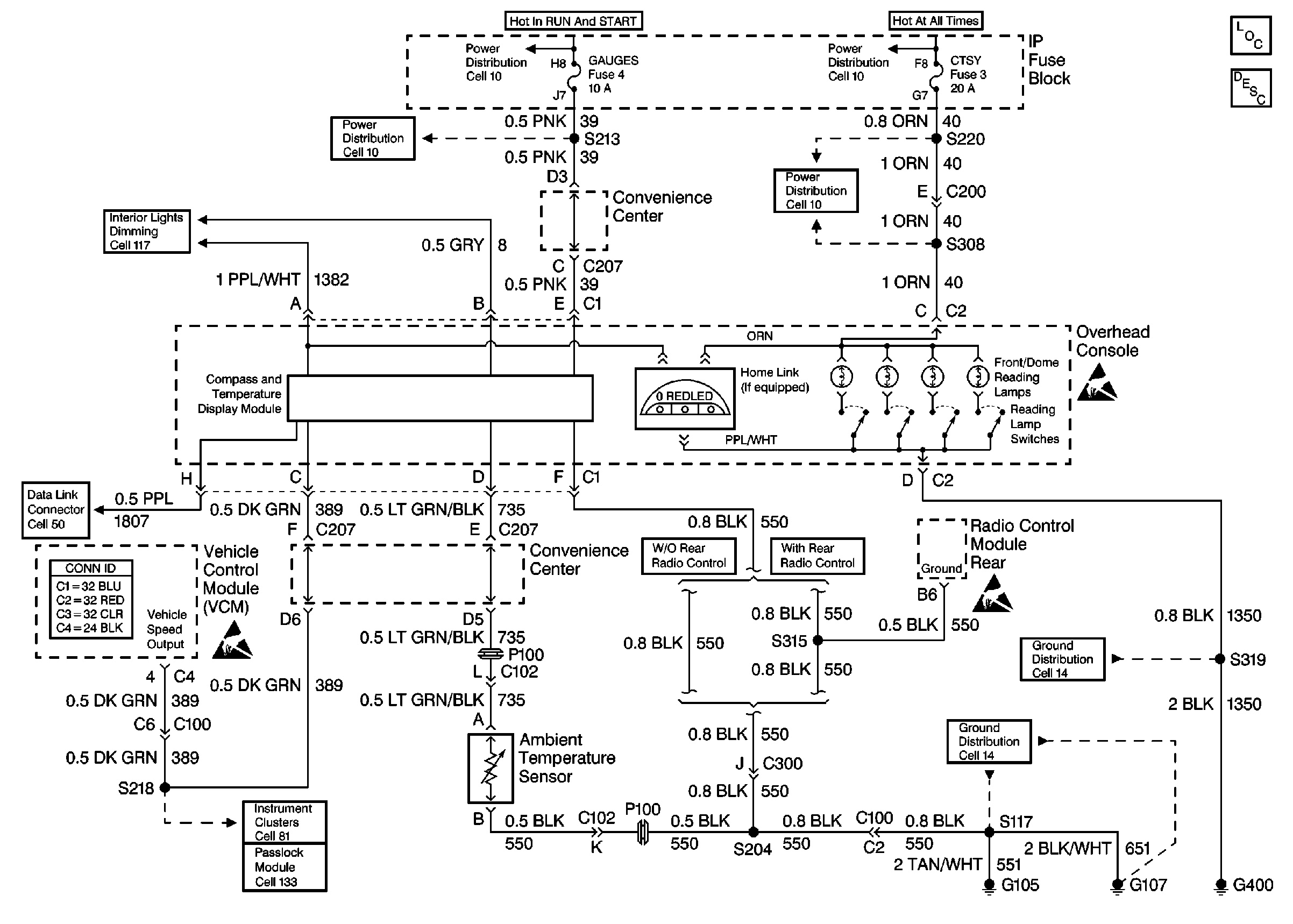
🢒 Cell 84 Electronic Compass with Temperature Display
Cell 84 Electronic Compass with Temperature Display
Cell 84 Electronic Compass with Temperature Display
Instrument Cluster Components
Driver Information Center (DIC) or Message Center Circuit Description
GAUGES, AIR BAG Fuses
GAUGES, AIR BAG Fuses
CTSY (cont), PK LPS, DRL, SECURITY Fuses
CTSY (cont), PK LPS, DRL, SECURITY Fuses
Cell 117 (IP Fuse Block, Headlamp and Panel Dimmer Switch, ConveNience Center, Overhead Console, Rear Radio Control Module)
Cell 50 Data Link Connector (DLC) Pin Assignment
Handling ESD Sensitive Parts Notice
Handling ESD Sensitive Parts Notice
Handling ESD Sensitive Parts Notice
G400, G301, and G404
Cell 14 (G107, G105)
Cell 81 (Instrument Cluster, Vehicle Control Module, Fuel Pump and Sender, Overhead Console)
Cell 133 Theft Deterrent